Качественные детали и логистика
Оригинальные и аналоговые запчасти с доставкой по России, Казахстану и Беларуси
©2022 PartSell ООО "Система" ИНН 2463123282 ОГРН 1212400004838
Центральный офис: г. Красноярск, Академика Киренского, д.87, пом.4
Телефон: 8 (800) 777-65-74 Email: zakaz@partsell.ru
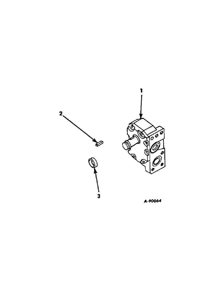
(10-04) - HYDRAULICS, HYDRAULIC PUMP, TRW, 12 GPM
№
Артикул
Название
Примечание
Количество
1
133441C92
PUMP
ASSY, hydraulic, Includes Ref. 2 and 3
1шт.
1949302C1
REMAN-HYD PUMP
Reman For New PN 133441C92
1949303C1
CORE-HYDRAULIC PUMP
Return Number
2
383539R1
KEY
pump drive shaft
3
373157R91
OIL SEAL
SEAL, pump drive shaft
*
133442C1
KIT
hydraulic pump o-ring and gasket service, Consists of
PLATE, pressure (NSS)
WEB, backing (NSS)
2шт.
WEB, sealing (NSS)
SEAL, shaft (NSS)
INSTRUCTIONS (NSS)
Выбрано товаров: 0