Запчасти Case IH 3688 (10-29) - HYDRAULICS, DOUBLE AUXILIARY VALVE CONTROLS (07) - HYDRAULICS

Схема запчастей Case IH 3688 - (10-29) - HYDRAULICS, DOUBLE AUXILIARY VALVE CONTROLS (07) - HYDRAULICS
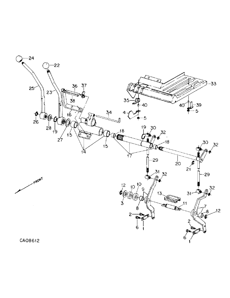
12
30
25
14
40
7
9
33
3
1
5
37
6
29
31
32
21
32
22
24
15
2
2
8
32
5
34
39
19
28
26
31
35
13
30
1
38
17
15
4
19
8
29
18
16
10
12
10
23
27
18
32
36
11
20
40
6
FIT
1:1
100%

Артикул

Название

Примечание

Количество

1

130690C1

LINK

aux valve operating

2шт.

2

400862R1

BOLT,Hex, 5/16" - 18 x 0.85"

shoulder

2шт.

390304C1

WASHER

.344 x .688 x .065 hdn

1шт.

9413952

LOCK NUT,5/16"-18, GB

NUT, 5/16 phc p/t lock type 5

2шт.

3

16066R1

WASHER

.781 x 1.500 x .054 pln, (1) required for inner position, As required for outer position

1шт.

3

21018R1

WASHER

.781 x 1.500 x .027 pln, As required for outer position

1шт.

4

1280326C1

BRACKET

neutral lock-out stop

1шт.

5

1251730C1

WASHER

lock-out lever friction

2шт.

30290R1

SCREW,Cross Pan Hd, M5 x 20

M5 x 20 class 4.8 p/hdcr

2шт.

30481R1

WASHER,M5 x 10 x 1

5.5 x 10 x 1 mm

4шт.

934871R1

NUT,M5, Cl 5

M5 class 5

4шт.

6

130686C1

BOLT,#10 - 32 x 21.59mm

BOLT, shoulder, 3088, 3288 and 3688HC tractors

2шт.

107377H

LOCK NUT,#10-32, GB

NUT, LOCK, #10-32, GB

2шт.

6

400862R1

BOLT,Hex, 5/16" - 18 x 0.85"

shoulder, 3688 tractors

2шт.

390304C1

WASHER

.344 x .688 x .065 hdn

1шт.

9413952

LOCK NUT,5/16"-18, GB

NUT, 5/16 phc p/t lock type 5

2шт.

7

1251555C92

LEVER

ASSY, 1st aux valve, Includes Ref. 8

1шт.

8

120464C1

BUSHING,19.07mm ID x 20.68mm OD x 13.21mm L

2шт.

9

1251557C91

LEVER

ASSY, 2nd aux valve, Includes Ref. 8

1шт.

10

143998C1

SPACER

aux valve handle hub

2шт.

11

104532C2

SHAFT

control pivot

1шт.

931143R1

BOLT,Hex, M10 x 1.5 x 20mm, Cl 8.8, Full Thd

M10 x 20 pln class 8.8

2шт.

12

661652R1

SNAP RING,#75, Ext

Control handle #75, Ext

2шт.

13

135877C1

SEAL

control lever

1шт.

14

1271093C91

SUPPORT

ASSY W/BUSHINGS, valve lever

1шт.

11106231

BOLT,Hex, M10 x 1.5 x 25mm, Cl 10.9

M10 x 25 class 8.8

3шт.

933965R1

LOCK WASHER,M10

3шт.

30284R1

NUT,M10, Cl 10

M10 class 10

3шт.

15

149097C1

BUSHING

2шт.

16

1259812C1

BRACKET

float lockout

1шт.

9706704

BOLT,Hex, M10 x 1.5 x 41.58mm, Cl 8.8

M10 x 25 class 8.8

3шт.

933965R1

LOCK WASHER,M10

3шт.

30284R1

NUT,M10, Cl 10

M10 class 10

3шт.

15

149097C1

BUSHING

2шт.

16

1259812C1

BRACKET

float lockout

1шт.

9706704

BOLT,Hex, M10 x 1.5 x 41.58mm, Cl 8.8

M10 x 35 class 8.8

3шт.

17

149098C91

SHAFT

ASSY, 2nd aux valve outer, Includes Ref. 18

1шт.

18

149101C1

BUSHING

2шт.

19

866189R1

SNAP RING,#125, Ext

Ring, Snap, #125, Ext

2шт.

20

149102C1

SHAFT

ASSY, 1st aux valve, inner

1шт.

21

603570R1

SNAP RING,#75, .574" Dia, E-Type

Ring, Retaining, #75, .574" Dia, E-Type

1шт.

22

1259761C1

BUTTON

KNOB, 2nd aux valve handle, yellow, For flat handle

1шт.

22

1281556C1

KNOB

2nd valve handle, green, Used w/ISO coupler

1шт.

22

1280097C1

KNOB

2nd valve handle, yellow, For round handle

1шт.

23

1280022C1

HANDLE

ASSY, 2nd valve, or

1шт.

23

1280078C2

HANDLE

ASSY, 2nd valve, Replaces 1259886C2 and 1251540C4

1шт.

24

1259760C1

BALL KNOB

KNOB, 1st aux valve handle, black, For flat handle

1шт.

24

1280096C1

KNOB

1st aux valve handle, black, For round handle

1шт.

25

1280017C1

HANDLE

1st valve, or

1шт.

25

1280076C2

HANDLE

1st valve, Replaces 1251541C4

1шт.

26

384098R1

SNAP RING,#62, Ext

Ring, Snap, #62, Ext

1шт.

27

1251550C1

WASHER

control handle

2шт.

28

1251551C1

WASHER

control handle

2шт.

29

1251969C1

ROD

1st and 2nd control handle

2шт.

30168R1

NUT,M10, Cl 10

M10 phc class 10

2шт.

30

1251968C2

PIN

upper control

2шт.

31

1251970C2

PIN

lower control

2шт.

32

896045R1

SNAP RING,#37, Ext

4шт.

33

1251660C5

COVER

aux valve RH control, tractors without all-wheel drive

1шт.

33

1264629C3

COVER

aux valve RH control, tractors with all-wheel drive

1шт.

1264518C1

SCREW,#10 - 16 x 1/2"

10-16 x 1/2 console mtg

5шт.

34

1259815C1

ROD

neutral lock

1шт.

35

1251663C1

LEVER

neutral lockout

1шт.

36

1259813C1

LARGE PIN

PIN, float lockout pivot

1шт.

30982R1

PIN,M2 x 18, Coiled

2 x 18 mm pln cld spr

1шт.

37

1259816C1

LEVER

float lockout

2шт.

932766R1

COTTER PIN,M2 x 12

PIN, 2 x 12 mm pln cot.

1шт.

38

1259814C1

PIN

float lockout stop

1шт.

39

1251731C2

LEVER

position control lockout

1шт.

40

1259619C1

TUBE,0.25" OD, 9.139 mm Length

position control lockout

2шт.

Выбрано товаров: 70