Запчасти Case IH 3688 (10-37) - HYDRAULICS, AUXILIARY VALVE FLOW CONTROL, 3688 TRACTORS (07) - HYDRAULICS

Схема запчастей Case IH 3688 - (10-37) - HYDRAULICS, AUXILIARY VALVE FLOW CONTROL, 3688 TRACTORS (07) - HYDRAULICS
9
10
5
1
6
8
11
2
6
4
12
3
7
FIT
1:1
100%

Артикул

Название

Примечание

Количество

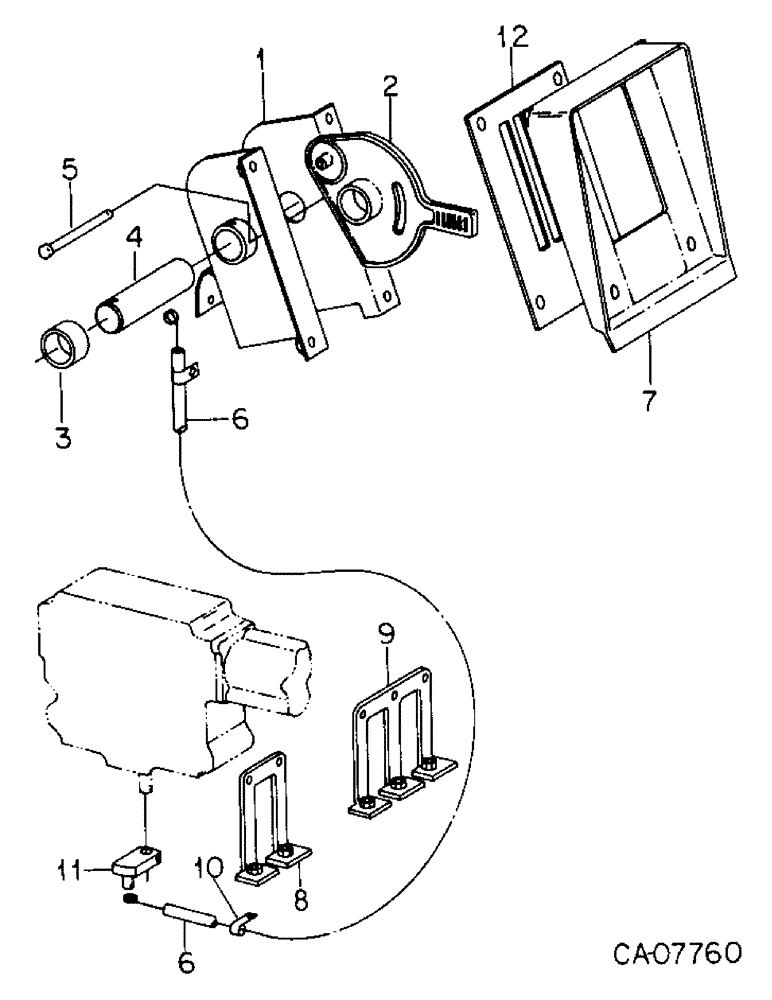
1

1252871C2

BRACKET

ASSY, sector mounting

1шт.

2

137901C1

SECTOR

flow control, black, first aux valve

1шт.

2

139213C1

SECTOR

flow control, yellow, second aux valve, Used w/IH couplers

1шт.

2

1281557C1

SECTOR

flow control, green, second aux valve, Used w/ISO couplers

1шт.

2

139214C1

SECTOR

flow control, blue, For use w/third aux valve

1шт.

2

139215C1

SECTOR

flow control, tan, For use w/fourth aux valve

1шт.

3

139023C1

SPACER

flow control sector, (2) required w/double aux valves, (1) required w/triple aux valves

1шт.

4

137904C1

SHAFT

sector operating

1шт.

103387

COTTER PIN,1/8" x 1 1/2"

Pin, Split (Cotter), 1/8" x 1 1/2"

1шт.

5

Q3522

PIN, 1/4 x 3.250 pln hd type 1

1шт.

103384

COTTER PIN,1/8" x 3/4"

Pin, Split (Cotter), 1/8" x 3/4"

1шт.

6

139027C2

CABLE

ASSY, flow control operating, 1 required per sector

1шт.

120394

WASHER,3/8", SAE

WASHER, .406 x .812 x .051

1шт.

22844R1

SELF-TAP SCREW,Hex Hd, #10 x 1/2"

SCREW, SELF TAPPING, Hex Hd, #10 x 1/2"

1шт.

120391

WASHER,#10

.219 x .500 x .036

1шт.

1253194C1

NUT

U-type no. 10-24

1шт.

544678R1

NUT

U-type speed

1шт.

86511922

SCREW,Pan, #10 - 24 x 3/4"

no. 10 x 3/4 znp p/hdcr mach

1шт.

159920

SCREW,Cross Pan Hd, #10 - 24 x 1/2"

1шт.

7

1251787C1

COVER

flow control

1шт.

30301R1

SCREW,Cross Pan Hd, M8 x 20

M8 x 20MM znp p/hdcr mach

4шт.

8

139149C1

BRACKET

assy, control cable mtg lower, (1) required w/second aux valve, (2) required w/fourth aux valve

1шт.

179791

BOLT,Hex, 1/4" - 20 x 1/2", Gr 5

2 required per bracket Hex, 1/4"-20 x 1/2", G5, Full Thd

1шт.

9

139150C1

BRACKET

ASSY, control cable mtg lower, For third aux valve

1шт.

179791

BOLT,Hex, 1/4" - 20 x 1/2", Gr 5

3шт.

10

139029C2

CLIP

flow control cable, one required per sector

1шт.

159920

SCREW,Cross Pan Hd, #10 - 24 x 1/2"

1шт.

11

139030C1

LEVER

ASSY, flow control valve, one required per sector

1шт.

18607R1

LOCK PIN,1/8" x 3/4", Slotted

PIN, 1/8" x 3/4", Slotted

1шт.

120394

WASHER,3/8", SAE

WASHER, .406 x .812 x .051

2шт.

103373

COTTER PIN,3/32" x 3/4"

Pin, Split (Cotter), 3/32" x 3/4"

1шт.

12

1259597C1

PLATE

flow control cover

1шт.

Выбрано товаров: 32