Запчасти Case IH 3688HC (10-05) - HYDS, HYD. PWR SUPPLY, IN REAR FRAME, 3088,3288 & 3688HC TRACTORS W/DRAFT CONTROL AND/OR AUX. VALVES (07) - HYDRAULICS

Схема запчастей Case IH 3688HC - (10-05) - HYDS, HYD. PWR SUPPLY, IN REAR FRAME, 3088,3288 & 3688HC TRACTORS W/DRAFT CONTROL AND/OR AUX. VALVES (07) - HYDRAULICS
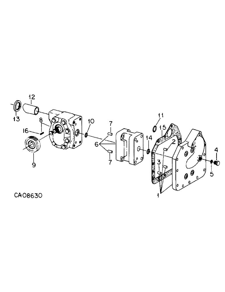
2
11
13
9
4
15
7
7
8
1
12
6
3
10
5
14
16
FIT
1:1
100%

Артикул

Название

Примечание

Количество

1

537166R11

FLANGE

ASSY, pump mounting, Includes Ref. 2 and 3

1шт.

179842

SPACER

BOLT, 3/8 x 1-3/8 pln type 5

10шт.

179847

BOLT,Hex, 3/8" - 16 x 2", Gr 5

2шт.

103321

LOCK WASHER,3/8"

WASHER, LOCK, 3/8"

12шт.

2

20031R1

DOWEL,3/8" x 5/8"

PIN, 3/8 x .625 pln hdn dowel

2шт.

3

19954R1

DOWEL,5/16" x 5/8"

PIN, 5/16 x .625 pln hdn dowel

2шт.

4

9410358

PLUG

3/8 C-Z str thd o-ring boss, pump mounting flange

1шт.

5

364839R1

O-RING,0.078" Thk x 0.468" ID, -906, Cl 6, 90 Duro

6-1, 90 Duro, .468" ID x .078" Thk, 3/8 OD tube, class 6, pump mounting flange plug

1шт.

6

382753R11

SPACER

ASSY, hyd pump

1шт.

7

384116R1

PIN

hydraulic pump spacer

2шт.

8

70932C91

PUMP

ASSY, hyd gear, 15 GPM, Cessna, Only serviceable parts are

1шт.

8

1949300C1

REMAN-HYD PUMP

3088, 3288, 3688HC, All INTERNATIONAL DIESEL TRACTOR, ASSY, hyd gear, 15 GPM, Cessna, HYD PWR SUPPLY, IN REAR FRAME, W/DRAFT CONTROL AND/OR AUX. VALVES (1/81-12/86)

1шт.

8

1949301C1

CORE-HYDRAULIC PUMP

Return Number

1шт.

*

383663R1

VALVE SPRING

SPRING

1шт.

*

17007R1

BALL

steel

1шт.

*

71266C1

KEY

pump drive gear

1шт.

*

71264C1

SEAL KIT

pump service

1шт.

*

16252R1

BOLT, 7/16 x 4-3/4 pln type 5 Hex, 7/16"-14 x 4 3/4", G5

4шт.

*

52999D

WASHER

GASKET, pump mounting bolt

4шт.

9

133404C1

GEAR

hyd. pump drive, 23T

1шт.

*

19263R1

LOCK NUT,Hex, 5/8" - 18

NUT, 5/8-NF pln p/t lock type 5

1шт.

10

254691R1

O-RING,-211, 70 Duro, .796" ID x .139" Thk

13/16 x 1-1/16 x 1/8, pump pressure port large

1шт.

11

386867R1

O-RING,0.103" Thk x 1.11" ID, -122, Cl 6, 90 Duro

1-1/8 x 1-5/16 class 6, pump mtg. flange to rear frame

1шт.

12

382755R2

TUBE,13.75 mm OD, 58.62 mm Length

pump suction

1шт.

13

537545R92

SEAL

pump suction tube oil, in rear frame

1шт.

14

381884R1

O-RING,0.103" Thk x 0.987" ID, -120, Cl 6, 90 Duro

1 x 1-3/16 class 6, pump mounting flange to spacer

1шт.

15

382244R4

GASKET

pump mounting flange

1шт.

16

71266C1

KEY

pump drive gear

1шт.

*

71264C1

SEAL KIT

seal repair, service for pump 70932C91, Consists of

1шт.

*

DIAPHRAGM (NSS)

1шт.

*

O-RING (NSS)

1шт.

*

383663R1

VALVE SPRING

SPRING

1шт.

*

PLATE, thrush (NSS)

1шт.

*

GASKET, protective (NSS)

1шт.

*

SEAL, diaphragm (NSS)

1шт.

*

GASKET, back-up (NSS)

1шт.

*

17007R1

BALL

steel

1шт.

*

SEAL, shaft (NSS)

1шт.

*

INSTRUCTIONS (NSS)

1шт.

Выбрано товаров: 39