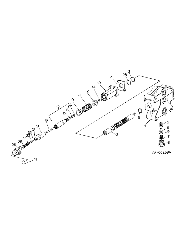
Запчасти Case IH 3688HC (10-45) - HYDRAULICS, OPEN CENTER CONTROL VALVE, 3088, 3288 AND 3688HC TRACTORS (07) - HYDRAULICS

Схема запчастей Case IH 3688HC - (10-45) - HYDRAULICS, OPEN CENTER CONTROL VALVE, 3088, 3288 AND 3688HC TRACTORS (07) - HYDRAULICS
26
8
16
20
25
3
23
7
24
14
19
9
15
6
3
13
17
18
12
21
11
4
5
28
22
27
2
10
1
FIT
1:1
100%

Артикул

Название

Примечание

Количество

62463C94

VALVE, CHECK

VALVE ASSY, open center control w/hyd. unlatch 17500-2000 PSI

1шт.

1

BODY ASSY, valve, Not serviced separately, Order valve assy, 62463C93

1шт.

2

SPOOL, valve, Not serviced separately, Order valve assy, 62463C93

1шт.

3

350429R1

O-RING,0.103" Thk x 0.612" ID, -114, Cl 5, 75 Duro

5/8 x 13/16 class 5

2шт.

4

1252320C1

RETAINER

o-ring

1шт.

5

62470C1

SPRING

check valve

1шт.

6

108867C1

VALVE POPPET

POPPET, reverse flow check valve

1шт.

7

108868C1

SEAT

reverse flow check valve

1шт.

8

9410359

PLUG

1/2 C-Z str thd o-ring boss

1шт.

9

570828R1

O-RING,0.087" Thk x 0.644" ID, -908, Cl 6, 90 Duro

1/2 OD tube class 6

1шт.

10

62471C1

SPRING CUP

CUP, centering spring

1шт.

11

62472C1

SPRING

centering

1шт.

12

62473C2

RETAINER

centering spring

1шт.

13

62474C91

BODY

ACTUATOR ASSY, centering spring

1шт.

14

379795R1

O-RING,0.064" Thk x 0.301" ID, -903, Cl 6, 90 Duro

3-1, .301" ID x .064" Thk, 3/16 OD tube class 6

1шт.

15

529903R1

WASHER

back-up

1шт.

16

21587R1

O-RING,0.07" Thk x 0.114" ID, -6, Cl 6, 90 Duro

1/8 x 1/4 class 6

1шт.

17

529904R1

RETAINER

o-ring

1шт.

18

529905R1

PISTON

unlatching

1шт.

19

62478C1

HOUSING

sleeve

1шт.

26629R1

12 PT SCREW,Flg, 1/4" - 20 x 1"

SCREW, 1/4 x 1.000 phc ast 12pt flg

2шт.

20

128034C1

SLEEVE

position control

1шт.

21

17007R1

BALL

7/32 grade 25 metal

3шт.

22

17013R1

BALL,13/32" Dia

1шт.

23

62480C1

WASHER

detent actuating ball

1шт.

24

1272204C1

SPRING

detent, Replaces 114032C1

1шт.

25

377803R1

PLUG

spring retaining

1шт.

26

62482C1

CAP

retaining

1шт.

26629R1

12 PT SCREW,Flg, 1/4" - 20 x 1"

SCREW, 1/4 x 1.000 phc ast 12pt flg

2шт.

27

432539

HOLE PLUG BUTTON,7/16"

PLUG, 7/16 hole dia. pln button

1шт.

28

1263497C1

WASHER,16.02mm ID x 20.32mm OD x 0.51mm Thk

RING, back-up

1шт.

Выбрано товаров: 31