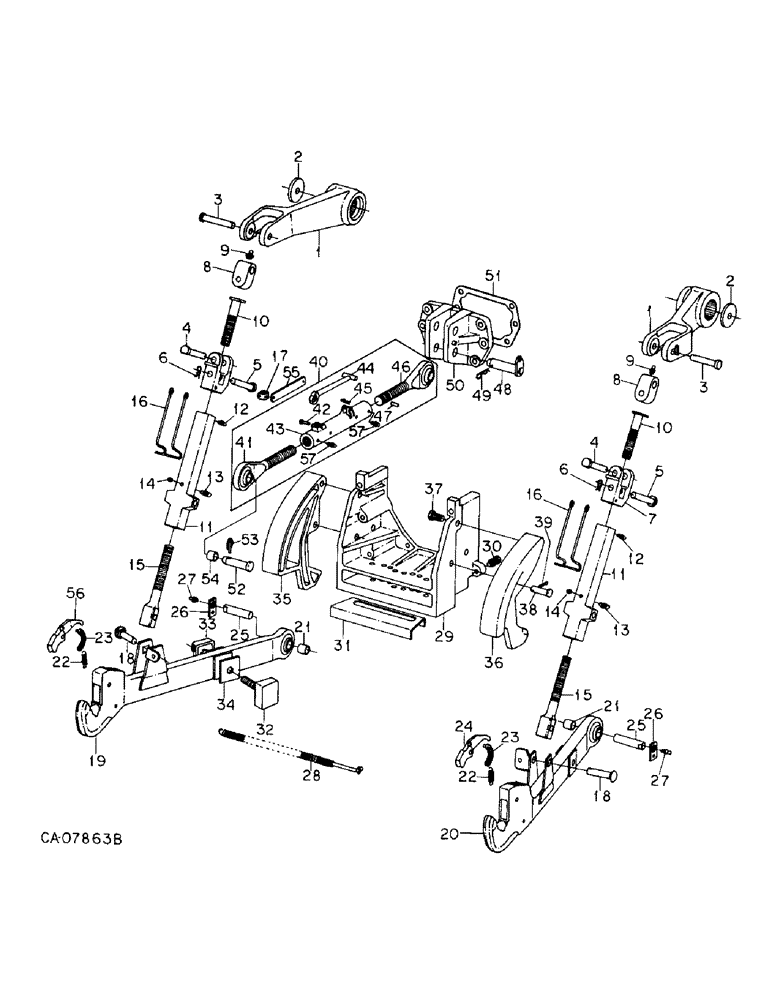
Запчасти Case IH 3688HC (09-11) - FRAME, THREE POINT HITCH, CATEGORY III, WITH CAM SWAY LIMITER AND CLAW LOWER LINKS (12) - FRAME

Схема запчастей Case IH 3688HC - (09-11) - FRAME, THREE POINT HITCH, CATEGORY III, WITH CAM SWAY LIMITER AND CLAW LOWER LINKS (12) - FRAME
11
29
1
33
31
23
53
1
42
27
18
38
9
40
36
55
5
5
3
34
15
10
12
54
27
25
45
44
57
41
7
39
30
16
43
25
2
21
21
20
22
26
9
47
6
12
15
6
35
16
23
3
19
51
48
24
52
18
57
8
10
49
17
26
14
4
14
4
50
32
11
13
56
13
37
8
28
22
FIT
1:1
100%

Артикул

Название

Примечание

Количество

1

145655C1

ARM

rockshaft

2шт.

2

388574R1

WASHER,16.51mm ID x 82.55mm OD x 4.78mm Thk

rockshaft arm retainer

2шт.

271556

WHEEL CYLINDER,Hex, 5/8" - 11 x 1 1/4", Gr 5

BOLT, 5/8 x 1-1/4 pln type 5

2шт.

3

108590C1

PIN,19.05mm OD x 120.65mm L

headed

2шт.

432-1620

COTTER PIN,1/4" x 1 1/4"

Pin, Split (Cotter), 1/4" x 1 1/4"

2шт.

4

108582C1

PIN

3/4 x 3-3/4 headed

2шт.

103397

COTTER PIN,5/32" x 1 1/4"

Pin, Split (Cotter), 5/32" x 1 1/4"

2шт.

5

27357R1

HEADED PIN,3/4" x 3 3/4"

PIN, 3/4 x 3.750 pln hd type 5

2шт.

6

480523R1

HAIR PIN COTTER

quick attachable

2шт.

7

108585C1

YOKE

lift link

2шт.

576485R1

LOCK PIN,1/4" x 1 1/4", Slotted

1шт.

8

1286725C91

BRACKET, PIVOT

SWIVEL ASSY, lift link, Replaces 1252115C91 by also ordering fitting, 109461, Includes bushings

2шт.

1252114C1

BUSHING,19.25mm ID x 25.46mm OD x 23.5mm L

swivel assy

4шт.

9

86504104

LUBE NIPPLE,1/4" x .56" lg, Drive

FITTING, 1/4 hole lub, For swivel, 1252115C91

2шт.

9

109461

LUBE NIPPLE,1/8"-27 x .66 lg

NIPPLE, LUBE, , PTF, For swivel, 1286725C91 1/8"-27 x .66 lg

2шт.

10

108584C1

ROD

upper leveling

2шт.

11

72877C1

TURNBUCKLE

2шт.

12

86504104

LUBE NIPPLE,1/4" x .56" lg, Drive

FITTING, 1/4 hole lub

2шт.

13

219-23

LUBE NIPPLE,1/4" - 18 NPTF

FITTING, 1/4 ptf x/short lub

2шт.

14

444691

PLUG

1/4-18 pln hex/skt auto pipe

2шт.

15

108583C1

ROD

lower leveling

2шт.

576485R1

LOCK PIN,1/4" x 1 1/4", Slotted

2шт.

16

123464C1

CLAMP

turnbuckle lock, bail

2шт.

189304

BOLT,Hex, 3/8" - 16 x 3 1/4", Gr 5

3/8 x 3-1/4 type 5

2шт.

120394

WASHER,3/8", SAE

WASHER, .406 x .812 x .051

4шт.

9411655

LOCK NUT,3/8"-16, GB

NUT, 3/8 cad p/t lock type 5

2шт.

17

1252260C1

BRACKET

spring assy storage

1шт.

NLS

NO LONGER SERVICED

1шт.

18

109088C2

PIN

leveling screw hsg

2шт.

432-1624

COTTER PIN,1/4" x 1 1/2"

Pin, Split (Cotter), 1/4" x 1 1/2"

2шт.

19

224642C92

ARM

BUSHING AND LINK ASSY, lower LH, Includes Ref. 21

1шт.

20

224643C93

BUSHING

AND LINK ASSY, lower RH, Includes Ref. 21

1шт.

21

71808C1

BUSHING

front lower link ball

2шт.

22

1263338C1

SPRING

claw latch

2шт.

23

224653C1

LINK

claw latch

2шт.

24

1266999C1

LATCH

claw RH

1шт.

30758R1

PIN,M16 x 40, Coiled

16 x 40 mm znp cld spr

1шт.

30372R1

PIN,M6 x 40, Coiled

6 x 40 mm pln cld-spr

1шт.

25

406686R2

PIN,25.4mm OD x 122.43mm L

lower link

2шт.

26

406687R1

RETAINER

lower link pin

2шт.

179885

BOLT,Hex, 1/2" - 13 x 1 1/2", Gr 5

2шт.

103323

LOCK WASHER,1/2"

WASHER, LOCK, 1/2"

2шт.

27

219-8

LUBE NIPPLE,1/4" - 28 NPTF

NIPPLE, LUBE, 1/4"-28 NPT x .54" lg

2шт.

28

1252040C91

SPRING

ASSY, spacer, Only serviceable components are

1шт.

30953R1

LOCK PIN,M5 x 24, Slotted

PIN, no. 5 x 24 mm pln slt-spr

1шт.

591107R1

COTTER PIN

quick attachable cot.

1шт.

79936C1

PLUG

1шт.

29

123120C1

SUPPORT

cam limiter and drawbar

1шт.

67872C1

WASHER

.656 ID x 1.25 OD x .25 thk

8шт.

24875R1

BOLT,Hex, 5/8" - 11 x 2", Gr 8

4шт.

26256R1

BOLT,Hex, 5/8" - 11 x 7 1/2", Gr 8

5/8 x 7-1/2 phc type 8

4шт.

30

383261R2

ADJUSTMENT SCREW

draft adjusting

2шт.

114507

JAM NUT,Jam, 5/8"-11, G5

2шт.

31

123121C1

CHANNEL

drawbar wear

1шт.

32

224499C3

BUMPER

ASSY, cam

2шт.

22244R1

LOCK NUT

3/4 p/t lock type 5

2шт.

33

1266811C1

SPACER

cat. III

2шт.

34

70479C1

SHIM

.067 thick

12шт.

34

70480C1

SHIM

.033 thick

2шт.

35

142583C1

CAM

sway limiter LH

1шт.

36

142584C1

CAM

sway limiter RH

1шт.

37

27432R1

BOLT,Hex, 3/4" - 10 x 1 3/4", Cl 8

3/4 x 1-3/4 phc p/t type 8, cam mtg pivot

2шт.

38

21670R1

HEADED PIN,3/4" x 2 1/4"

PIN, 3/4 x 2.250 hd type 1

2шт.

39

407208R1

PACKAGE

quick attach cotter

1шт.

40

1252108C94

TURNBUCKLE

ASSY, upper link, Consists of Ref. 41 - 47 and 57

1шт.

41

125109C2

SCREW ASSY, LH thread

1шт.

42

SB191

HEADED PIN,3/8" x 1 3/4"

PIN, 3/8 x 1.750 pln hd type 1

1шт.

107763

COTTER PIN,1/8" x 5/8"

PIN, SPLIT (COTTER), 1/8" x 5/8"

1шт.

43

1252111C2

TURNBUCKLE

1шт.

44

108592C2

HANDLE

upper link turnbuckle

1шт.

45

517843R1

COTTER PIN

PIN, QA cotter

1шт.

46

1252112C2

LIFT LINK END ASSY

ASSY, RH thread

1шт.

47

30797R1

PIN,M6 x 36, Coiled

6 x 36 mm pln cld spr

2шт.

48

392208R11

PIN

ASSY, upper link bracket

1шт.

49

486830R1

COTTER PIN

PIN, QA cotter

1шт.

50

392210R51

BRACKET

ASSY, upper link

1шт.

22390R1

PIN,7/16" x 1 3/4", Coiled

1шт.

24876R1

BOLT,Hex, 5/8" - 11 x 2 1/4", Gr 8

5шт.

25336R1

BOLT,Hex, 5/8" - 11 x 1 7/8", Gr 8

5/8 x 1-7/8 phc type 8

1шт.

51

383330R1

GASKET

upper link brackt

1шт.

52

392211R2

PIN

upper link implement

1шт.

52

374132R1

PIN

upper link implement, For use w/category II tools

1шт.

53

392181R91

PIN

ASSY, upper link

1шт.

54

398406R1

BUSHING,26.29mm ID x 31.37mm OD x 50.8mm L

upper link rear ball, For use w/category II tools

1шт.

55

1263344C1

BAR

spring storage bracket

1шт.

189305

BOLT,Hex, 3/8" - 16 x 3 1/2", Gr 5

3/8 x 3-1/2 type 5

1шт.

120394

WASHER,3/8", SAE

WASHER, .406 x .812 x .051

1шт.

9411655

LOCK NUT,3/8"-16, GB

NUT, 3/8 cad p/t lock type 5

2шт.

56

1266903C1

LATCH

claw LH

1шт.

30758R1

PIN,M16 x 40, Coiled

16 x 40 mm znp cld spr

1шт.

30372R1

PIN,M6 x 40, Coiled

6 x 40 mm pln cld-spr

1шт.

57

86504104

LUBE NIPPLE,1/4" x .56" lg, Drive

FITTING, 1/4 hole lub

2шт.

Выбрано товаров: 92