Запчасти Case IH 3688HC (06-01) - COOLING, OIL COOLER, 3088, 3288 AND 3688HC TRACTORS Cooling

Схема запчастей Case IH 3688HC - (06-01) - COOLING, OIL COOLER, 3088, 3288 AND 3688HC TRACTORS Cooling
6
2
5
6
9
4
6
3
4
7
8
8
1
10
10
8
4
6
4
8
8
5
8
9
8
5
FIT
1:1
100%

Артикул

Название

Примечание

Количество

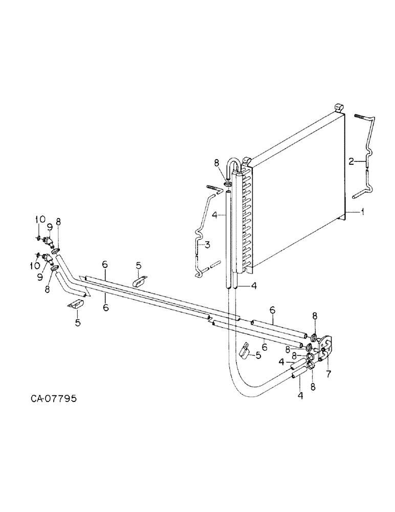
1

146416C1

COOLER

COOLER ASSY, oil

1шт.

2

148995C1

BRACKET

SPARE PART BRACKET, oil cooler mtg, LH

1шт.

30183R1

WASHER,M8 x 21.5 x 2.5, HT

WASHER, 8.8 x 21 x 2.5 mm phc

2шт.

30002R1

BOLT,Hex, M8 x 1.25 x 20mm, Cl 10.9, Full Thd

BOLT, M8 x 20 phc class 10.9

2шт.

3

148994C1

BRACKET

BRACKET, oil cooler mtg, RH

1шт.

30183R1

WASHER,M8 x 21.5 x 2.5, HT

WASHER, 8.8 x 21 x 2.5 mm phc

2шт.

30002R1

BOLT,Hex, M8 x 1.25 x 20mm, Cl 10.9, Full Thd

BOLT, M8 x 20 phc class 10.9

2шт.

30183R1

WASHER,M8 x 21.5 x 2.5, HT

WASHER, 8.8 x 21 x 2.5 mm phc

4шт.

934309R1

LOCK WASHER,M8

LOCK WASHER, M8

2шт.

30167R1

NUT,M8, Cl 10

NUT, M8 phc class 10

2шт.

934900R1

WING NUT

NUT, M8 znp wing

2шт.

4

HOSE, oil cooler outlet and inlet oil, cooler to elbow, Furnish 1055 mm from bulk roll marked 146785C1

2шт.

5

104773C3

CLAMP

CLIP, oil cooler hose

4шт.

615031R1

WASHER

WASHER, .375 x .875 x .064 pln

2шт.

930244R1

BOLT,Hex, M8 x 1.25 x 25mm, Cl 8.8, Full Thd

BOLT, M8 x 25 pln class 8.8

1шт.

934309R1

LOCK WASHER,M8

LOCK WASHER, M8

2шт.

30167R1

NUT,M8, Cl 10

NUT, M8 phc class 10

1шт.

271554

GREASE,Hex, 5/8" - 11 x 1", Gr 5

BOLT, 5/8 x 1 pln type 5

1шт.

496-21066

WASHER,16.6mm ID x 33.5mm OD x 3.8mm Thk

WASHER, .656 x 1.312 x .074 pln

1шт.

6

HOSE, elbow to MCV, Furnish 1570 mm from bulk roll marked 73199C1

2шт.

7

130298C1

ELBOW

SPARE PART ELBOW ASSY, oil cooler

1шт.

814-8016

BOLT,Hex, M8 x 1.25 x 16mm, Cl 8.8, Full Thd

BOLT, Hex, M8 x 16, 8.8

2шт.

8

274085R91

HOSE CLAMP,#10, 0.56/1.06 Type F Worm

CLAMP, no. 10 type F hose

8шт.

9

104776C3

ELBOW

ELBOW

2шт.

10

570828R1

O-RING,0.087" Thk x 0.644" ID, -908, Cl 6, 90 Duro

O-RING, 41/64 x 13/16 x 3/32

2шт.

Выбрано товаров: 25