Запчасти Case IH 3688HC (07-32) - DRIVE TRAIN, TORQUE AMPLIFIER CONTROLS (04) - Drive Train

Схема запчастей Case IH 3688HC - (07-32) - DRIVE TRAIN, TORQUE AMPLIFIER CONTROLS (04) - Drive Train
11
9
10
12
15
6
7
18
11
3
16
8
5
4
9
14
13
17
2
11
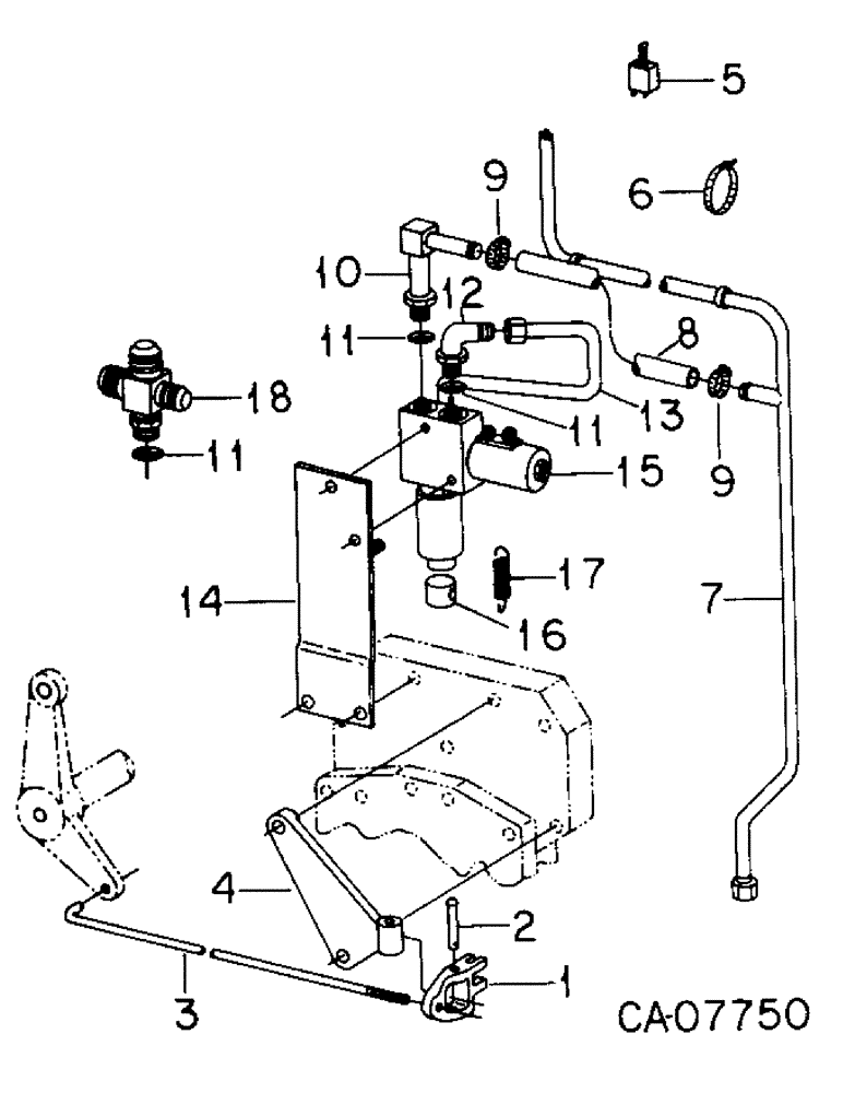
1
FIT
1:1
100%

Артикул

Название

Примечание

Количество

1

382490R1

LEVER

clutch brake, bellcrank

1шт.

89375H

CLEVIS PIN

PIN, 1/4 x 1.594 pln clevis

1шт.

432-48

COTTER PIN,1/16" x 1/2"

PIN, 1/16 x 1/2 pln cot

1шт.

2

382491R2

PIN

bellcrank pivot

1шт.

3479

WASHER,7/32" x 9/16" x .060"

.219 x .562 x .054 pln

2шт.

432-48

COTTER PIN,1/16" x 1/2"

PIN, 1/16 x 1/4 pln cot

1шт.

3

104149C1

ROD

TA dump valve operating

1шт.

120392

WASHER,1/4", SAE

WSHER, .281 x .625 x .051

1шт.

432-48

COTTER PIN,1/16" x 1/2"

PIN, 1/16 x 1/2 pln cot

1шт.

19776R1

LOCK NUT,1/4"-28, GB

NUT, 1/4-NF pln p/t lock type 5

1шт.

4

130136C1

PIVOT

TA valve operating

1шт.

445572

BOLT,Hex, 5/16" - 18 x 2 3/4", Gr 8

5/16 x 2-3/4 pln type 8

2шт.

103320

LOCK WASHER,5/16"

WASHER, LOCK, 5/16"

2шт.

5

1253023C1

SWITCH

1шт.

9416674

SCREW, #4 x 1 znp h/hds mach

2шт.

118674

WASHER

.156 x .375 x .036 phc

1шт.

225-14104

NUT,#4-40

no. 4 mach screw type 1

2шт.

131043

LOCK WASHER,#4

Washer, Lock, #4

2шт.

6

289862C1

CABLE TIE,3/16" x 7"

STRAP, micro switch cables

1шт.

7

130137C1

HYD TUBE

TUBE & HOSE ASSY, clutch booster dump

1шт.

8

HOSE, dump, Furnish 215.0 mm from bulk roll marked 180731C1

1шт.

9

279025R91

HOSE CLAMP,#06, .44/.78 Type F Worm

2шт.

10

130122C1

ELBOW

solenoid valve

1шт.

11

364839R1

O-RING,0.078" Thk x 0.468" ID, -906, Cl 6, 90 Duro

6-1, 90 Duro, .468" ID x .078" Thk, 3/8 OD tube, class 6

3шт.

12

9410976

ELBOW,90 Degree, 9/16"-18, 37 Degree x 9/16"-18, O-Ring

3/8 c-z hyd fld adj 90 deg.

1шт.

13

130138C1

HYD TUBE

TUBE ASSY, pressure inlet

1шт.

14

1252835C1

BRACKET

ASSY, solenoid

1шт.

413-432

BOLT,Hex, 1/4" - 20 x 2", Gr 5

1/4 x 2 type 5

2шт.

15

VALVE & CYLINDER ASSY, torque amplifier, Refer to torque amplifier valve and cylinder listing, group 10, For components:

1шт.

120375

NUT,Hex, 1/4" - 20, Gr 5

2шт.

492-11025

LOCK WASHER,1/4"

WASHER, LOCK, 1/4"

2шт.

16

1263408C1

CAP

drive selector valve

1шт.

21835R1

HEADED PIN,5/16" x 1 3/4"

PIN, 5/16 x 1.750 hd type 5

1шт.

103384

COTTER PIN,1/8" x 3/4"

Pin, Split (Cotter), 1/8" x 3/4"

1шт.

17

130119C3

SPRING

spool return

1шт.

18

130121C1

TEE

JIC tube fitting

1шт.

Выбрано товаров: 36