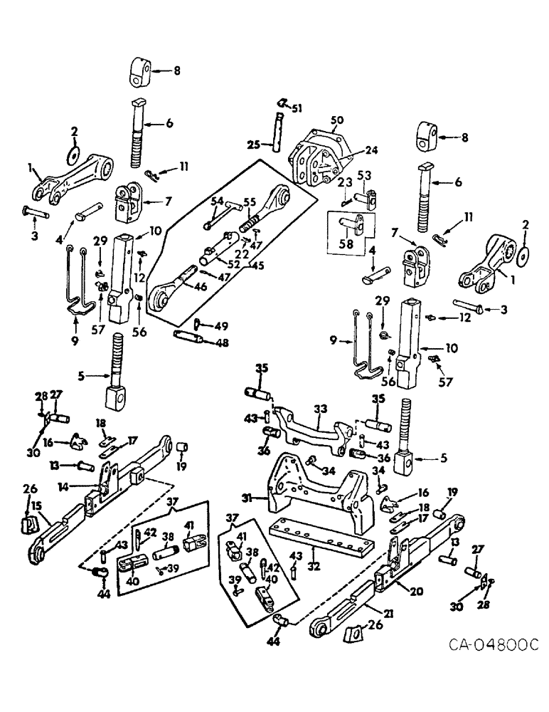
Запчасти Case IH 3788 (09-03) - FRAME, 3 POINT HITCH, TRACTORS WITH DRAFT CONTROL, DRAFT SENSING & WITHOUT CAM SWAY LIMITING SYSTEM (12) - FRAME

Схема запчастей Case IH 3788 - (09-03) - FRAME, 3 POINT HITCH, TRACTORS WITH DRAFT CONTROL, DRAFT SENSING & WITHOUT CAM SWAY LIMITING SYSTEM (12) - FRAME
57
27
13
56
16
39
43
23
8
5
11
4
26
33
1
28
43
30
40
14
17
36
7
49
38
34
57
29
30
5
32
15
42
4
22
43
55
12
43
24
41
27
47
48
54
1
26
9
45
31
11
37
46
7
47
3
35
3
38
18
25
36
21
50
53
51
8
6
28
2
16
6
20
37
13
35
9
44
39
12
42
2
17
44
16
19
34
19
29
41
52
10
56
40
58
10
FIT
1:1
100%

Артикул

Название

Примечание

Количество

1

145655C1

ARM

rockshaft, Replaces 108589C1

2шт.

2

388574R1

WASHER,16.51mm ID x 82.55mm OD x 4.78mm Thk

rockshaft arm retainer

2шт.

271556

WHEEL CYLINDER,Hex, 5/8" - 11 x 1 1/4", Gr 5

SCREW, 5/8-11 x 1-1/4 cap

2шт.

3

108590C1

PIN,19.05mm OD x 120.65mm L

headed

2шт.

432-1620

COTTER PIN,1/4" x 1 1/4"

Pin, Split (Cotter), 1/4" x 1 1/4"

2шт.

4

108582C1

PIN

3/4 x 3-3/4 headed

2шт.

27357R1

HEADED PIN,3/4" x 3 3/4"

PIN, 3/4 x 3.750 pln hd type 5

2шт.

5

108583C1

ROD

lower leveling

2шт.

6

108584C1

ROD

upper leveling

2шт.

7

108585C1

YOKE

lift link

2шт.

8

1252115C91

PIVOT

SWIVEL ASSY, lift link, Includes two bushings, 1252114C1

2шт.

1252114C1

BUSHING,19.25mm ID x 25.46mm OD x 23.5mm L

2шт.

86504104

LUBE NIPPLE,1/4" x .56" lg, Drive

FITTING, 1/4 drive, type str lub

2шт.

9

123464C1

CLAMP

turnbuckle lock, bail

2шт.

189304

BOLT,Hex, 3/8" - 16 x 3 1/4", Gr 5

3/8 x 3-1/4 type 5

2шт.

120394

WASHER,3/8", SAE

WASHER, .406 x .812 x .051

4шт.

9411655

LOCK NUT,3/8"-16, GB

NUT, 3/8 cad p/t lock type 5

2шт.

10

72877C1

TURNBUCKLE

lift link

2шт.

11

480523R1

HAIR PIN COTTER

quick attachable

2шт.

576485R1

LOCK PIN,1/4" x 1 1/4", Slotted

2шт.

103397

COTTER PIN,5/32" x 1 1/4"

Pin, Split (Cotter), 5/32" x 1 1/4"

2шт.

12

86504104

LUBE NIPPLE,1/4" x .56" lg, Drive

FITTING, 1/4 drive, type str lub

2шт.

13

109088C3

CARRIAGE BOLT

PIN, leveling screw housing sq. neck

2шт.

432-1624

COTTER PIN,1/4" x 1 1/2"

Pin, Split (Cotter), 1/4" x 1 1/2"

2шт.

14

109083C91

LINK

W/BUSHING, frt section lower LH, 3388 tractors

1шт.

14

109079C91

LINK

W/BUSHING, frt section lower LH, 3588 & 3788 tractors

1шт.

15

398395R3

LINK

ASSY, rear section LH

1шт.

16

398399R1

LATCH

lower link

2шт.

17

382192R1

SPRING

lower link latch

2шт.

18

382193R1

SPRING

stiffener

2шт.

181331

BOLT,Hex, 5/16" - 24 x 1/2", Gr 5

5/16-NF x 1/2 pln type 5

2шт.

20126R1

PIN,1/2" x 2", Coiled

2шт.

19

71808C1

BUSHING

front lower link ball

2шт.

557273R1

WASHER

1.031 x 2.000 x .105 pln

2шт.

20

109084C91

LINK

W/BUSHING, frt section lower RH, 3388 tractors

1шт.

20

109080C91

LINK

W/BUSHING, frt section lower RH, 3588 & 3788 tractors

1шт.

21

398396R3

LINK

ASSY, rear section lower RH

1шт.

22

517843R1

COTTER PIN

PIN, quick attachable cot.

1шт.

23

486830R1

COTTER PIN

PIN, quick attachable cot.

1шт.

24

392210R51

BRACKET

ASSY, upper link

1шт.

22390R1

PIN,7/16" x 1 3/4", Coiled

1шт.

24876R1

BOLT,Hex, 5/8" - 11 x 2 1/4", Gr 8

5шт.

25336R1

BOLT,Hex, 5/8" - 11 x 1 7/8", Gr 8

5/8 x 1-7/8 phc type 8

1шт.

25

NOT USED IN THIS APPLICATION

1шт.

26

404788R1

SHIELD

linch pin

2шт.

27

406686R2

PIN,25.4mm OD x 122.43mm L

lower link

2шт.

28

219-8

LUBE NIPPLE,1/4" - 28 NPTF

NIPPLE, LUBE, , Lower link pin 1/4"-28 NPT x .54" lg

2шт.

29

392181R91

PIN

ASSY, lower link drawbar

2шт.

30

406687R1

RETAINER

REATINER, lower link pin

2шт.

179882

PIN

1/2 x 1-1/8 pln type 5

2шт.

103323

LOCK WASHER,1/2"

WASHER, LOCK, 1/2"

2шт.

31

72812C1

SUPPORT

drawbar, 3388 tractors

1шт.

31

72812C1

SUPPORT

drawbar, 3588 tractors w/1-3/8 IPTO shaft, Start Serial: 8912

1шт.

31

72812C1

SUPPORT

drawbar, 3788 tractors w/1-3/8 IPTO shaft

1шт.

31

108500C1

SUPPORT

drawbar, 3588 tractor w/1-3/8 IPTO shaft, Serial Range: -8911

1шт.

31

108500C1

SUPPORT

drawbar, 3588 tractor w/1-3/4 IPTO shaft

1шт.

31

108500C1

SUPPORT

drawbar, 3788 tractor w/1-3/4 IPTO shaft

1шт.

20065R1

BOLT,Hex, 5/8" - 11 x 2 1/2", Gr 8

5/8 x 2-1/2 pln type 8

2шт.

223442

BOLT,Hex, 5/8" - 11 x 3 1/2", Gr 8

5/8 x 3-1/2 pln type 8

6шт.

32

72398C1

SUPPORT

BAR, drawbar support, 3388 tractors

1шт.

32

72398C1

SUPPORT

BAR, drawbar support, 3588 tractors w/1-3/8 IPTO shaft, Start Serial: 8912

1шт.

32

72398C1

SUPPORT

BAR, drawbar support, 3788 tractors w/1-3/8 IPTO shaft

1шт.

32

393777R1

BAR, drawbar support, 3588 tractor, Serial Range: -8911

1шт.

32

67867C1

BAR

drawbar support, 3588 and 3788 tractors w/1-3/4 IPTO shaft attachment

1шт.

20094R1

BOLT,Hex, 3/4" - 10 x 2 1/2", Gr 8

3/4 x 2-1/2 pln type 8

4шт.

33

392183R1

ARM

stabilizer control

1шт.

34

383261R2

ADJUSTMENT SCREW

draft adjusting

2шт.

396467R1

NUT

adjusting

2шт.

35

67693C1

SHAFT

stabilizer control arm

2шт.

19684R1

LOCK PIN,1/2" x 2 3/4", Slotted

Pin, 1/2" x 2 3/4", Slotted

2шт.

36

392185R1

BOLT,1 3/8" - 6 x 2.50"

stabilizer front eye

2шт.

37

STABILIZER ASSY, lateral limiter, Not serviced as an assembly

2шт.

38

69133C1

STUD

lateral limiter

2шт.

39

527370R1

PIN

5/8 x 2-1/2 headed

2шт.

496-21066

WASHER,16.6mm ID x 33.5mm OD x 3.8mm Thk

.656 x 1.312 x .074 pln

2шт.

364436R1

PIN,3/16" x 1", Coiled

2шт.

40

406248R2

YOKE

lateral limiter

2шт.

41

406249R1

YOKE

limiter front

2шт.

42

392193R21

PIN

assy, lockout

2шт.

520175R1

CLIP

PIN, quick attachable cot.

2шт.

43

392194R1

HEADED PIN,3/4" x 2 3/8"

PIN, stabilizer

4шт.

432-1624

COTTER PIN,1/4" x 1 1/2"

Pin, Split (Cotter), 1/4" x 1 1/2"

4шт.

44

392195R1

BOLT,1 3/8" - 6 x 2.62", Full Thd

stabilizer rear eye

2шт.

45

108591C91

TURNBUCKLE

ASSY, upper link

1шт.

46

398401R2

SCREW

ASSY, LH thread

1шт.

47

19689R1

PIN,1/4" x 1 1/4", Coiled

2шт.

48

392211R2

PIN

upper link implement

1шт.

49

392181R91

PIN

ASSY, upper link

1шт.

50

383330R1

GASKET

draft control adj opening cover

1шт.

51

NOT USED IN THIS APPLICATION

1шт.

52

404633R2

TURNBUCKLE

upper link

1шт.

53

NOT USED THIS APPLICATION

1шт.

54

108592C2

HANDLE

upper link turnbuckle

1шт.

SB191

HEADED PIN,3/8" x 1 3/4"

PIN, 3/8 x 1.750 pln hd type 1

1шт.

107763

COTTER PIN,1/8" x 5/8"

PIN, SPLIT (COTTER), 1/8" x 5/8"

1шт.

55

398404R2

SCREW

ASSY, RH thread

1шт.

56

444691

PLUG

1/4-18 auto hex-soc pipe

2шт.

57

273349

FITTING

1/4-18 special extra short lub

2шт.

58

392208R11

PIN

ASSY, upper link bracket

1шт.

392004R

SPACER, lower link hitch point, in tool box for use w/category II tools & implements

2шт.

374132R1

PIN

upper link implement, For use w/category II tools and implements when mounted on a category III 3-pt hitch

1шт.

398406R1

BUSHING,26.29mm ID x 31.37mm OD x 50.8mm L

upper link rear ball, For use w/category II tools and implements when mounted on a category III 3-pt hitch

1шт.

393208R93

ACCESSORIES

PARTS ACCESSORY, three point hitch sway limiter, For tractors equipped w/three point hitch att with telescoping limiter and dual rear wheel att, Consists of

1шт.

NSS

NOT SOLD SEPARAT

BLOCK

2шт.

520175R1

CLIP

PIN

2шт.

Выбрано товаров: 105