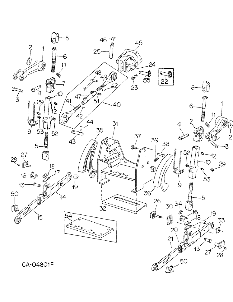
Запчасти Case IH 3788 (09-06) - FRAME, THREE POINT HITCH, TRACTORS WITH DRAFT CONTROL, DRAFT SENSING AND CAM SWAY LIMITING SYSTEM (12) - FRAME

Схема запчастей Case IH 3788 - (09-06) - FRAME, THREE POINT HITCH, TRACTORS WITH DRAFT CONTROL, DRAFT SENSING AND CAM SWAY LIMITING SYSTEM (12) - FRAME
3
6
50
2
7
6
4
22
19
41
20
1
42
5
17
2
12
34
53
46
52
1
52
28
13
55
27
9
4
29
37
48
33
38
11
13
53
16
42
36
12
16
35
25
40
4
26
50
49
28
8
54
29
7
8
19
10
45
30
17
32
3
39
15
23
14
24
47
31
10
27
18
51
11
9
18
43
5
21
FIT
1:1
100%

Артикул

Название

Примечание

Количество

1

145655C1

ARM

rockshaft, Replaces 108589C1

2шт.

2

388574R1

WASHER,16.51mm ID x 82.55mm OD x 4.78mm Thk

rockshaft arm retainer

2шт.

271556

WHEEL CYLINDER,Hex, 5/8" - 11 x 1 1/4", Gr 5

SCREW, 5/8-11 x 1-1/4 cap

2шт.

3

108590C1

PIN,19.05mm OD x 120.65mm L

headed

2шт.

432-1620

COTTER PIN,1/4" x 1 1/4"

Pin, Split (Cotter), 1/4" x 1 1/4"

2шт.

4

108582C1

PIN

3/4 x 3-3/4 headed

2шт.

27357R1

HEADED PIN,3/4" x 3 3/4"

PIN, 3/4 x 3.750 pln hd type 5

2шт.

5

108583C1

ROD

lower leveling

2шт.

6

108584C1

ROD

upper leveling

2шт.

7

108585C1

YOKE

lift link

2шт.

8

1252115C91

PIVOT

SWIVEL ASSY, lift link, Includes two bushings, 1252114C1

2шт.

1252114C1

BUSHING,19.25mm ID x 25.46mm OD x 23.5mm L

2шт.

86504104

LUBE NIPPLE,1/4" x .56" lg, Drive

FITTING, 1/4 hole lub

2шт.

9

123464C1

CLAMP

turnbuckle lock, bail

2шт.

189304

BOLT,Hex, 3/8" - 16 x 3 1/4", Gr 5

3/8 x 3-1/4 type 5

2шт.

120394

WASHER,3/8", SAE

WASHER, .406 x .812 x .051

4шт.

9411655

LOCK NUT,3/8"-16, GB

NUT, 3/8 cad p/t lock type 5

2шт.

10

72877C1

TURNBUCKLE

lift link

2шт.

576485R1

LOCK PIN,1/4" x 1 1/4", Slotted

2шт.

11

480523R1

HAIR PIN COTTER

quick attachable

2шт.

103397

COTTER PIN,5/32" x 1 1/4"

Pin, Split (Cotter), 5/32" x 1 1/4"

2шт.

12

86504104

LUBE NIPPLE,1/4" x .56" lg, Drive

FITTING, 1/4-18 drive, type str lub

2шт.

13

109088C3

CARRIAGE BOLT

PIN, leveling screw housing sq. neck

2шт.

432-1624

COTTER PIN,1/4" x 1 1/2"

Pin, Split (Cotter), 1/4" x 1 1/2"

2шт.

14

109064C91

LINK

W/BUSHING, front section lower LH, 3388 tractors

1шт.

14

109060C91

LINK

W/BUSHING, front section lower LH, 3588 and 3788 tractors

1шт.

15

398395R3

LINK

ASSY, rear section LH

1шт.

16

398399R1

LATCH

lower link

2шт.

17

382192R1

SPRING

lower link latch

2шт.

18

382193R1

SPRING

stiffener

2шт.

181331

BOLT,Hex, 5/16" - 24 x 1/2", Gr 5

5/16-NF x 1/2 pln type 5

2шт.

20126R1

PIN,1/2" x 2", Coiled

2шт.

19

71808C1

BUSHING

front lower link ball

2шт.

20

109065C91

LINK

W/BUSHING, front section lower RH, 3388 tractors

1шт.

20

109061C91

LINK

W/BUSHING, front section lower RH, 3588 and 3788 tractors

1шт.

21

398396R3

LINK

ASSY, rear section lower RH

1шт.

22

NOT USED THIS APPLICATION

1шт.

23

486830R1

COTTER PIN

PIN, quick attachable cot.

1шт.

24

392210R51

BRACKET

ASSY, upper link

1шт.

22390R1

PIN,7/16" x 1 3/4", Coiled

1шт.

24876R1

BOLT,Hex, 5/8" - 11 x 2 1/4", Gr 8

5шт.

25336R1

BOLT,Hex, 5/8" - 11 x 1 7/8", Gr 8

5/8 x 1-7/8 phc type 8

1шт.

25

NOT USED IN THIS APPLICATION

1шт.

26

224499C3

BUMPER

ASSY, cam, Replaces 70475C2

2шт.

22244R1

LOCK NUT

3/4 p/t lock type 5

2шт.

27

70461C2

PIN

ASSY, lower link

2шт.

179885

BOLT,Hex, 1/2" - 13 x 1 1/2", Gr 5

2шт.

103323

LOCK WASHER,1/2"

WASHER, LOCK, 1/2"

2шт.

28

219-8

LUBE NIPPLE,1/4" - 28 NPTF

NIPPLE, LUBE, , Lower link pin 1/4"-28 NPT x .54" lg

2шт.

29

392181R91

PIN

ASSY, lower link drawbar

2шт.

30

1266811C1

SPACER

cat. III, Replaces 70478C1

2шт.

31

123120C1

SUPPORT

cam limiter & drawbar

1шт.

67872C1

WASHER

.656 ID x 1.25 OD x .25 thk

8шт.

24875R1

BOLT,Hex, 5/8" - 11 x 2", Gr 8

4шт.

26256R1

BOLT,Hex, 5/8" - 11 x 7 1/2", Gr 8

5/8 x 7-1/2 phc type 8

4шт.

32

123121C1

CHANNEL

drawbar wear

1шт.

33

70479C1

SHIM

.067 thick

16шт.

33

70480C1

SHIM

.033 thick

2шт.

34

383261R2

ADJUSTMENT SCREW

draft adjusting

2шт.

114507

JAM NUT,Jam, 5/8"-11, G5

2шт.

35

142583C1

CAM

sway limiter LH, Replaces 70481C1

1шт.

36

142584C1

CAM

sway limiter RH, Replaces 70482C1

1шт.

37

271611

BOLT,Hex, 3/4" - 10 x 2", Gr 5

3/4 x 2 pln type 5, cam mounting pivot

2шт.

87340

LOCK WASHER,Helical Spring, 0.759" ID, CST, ZND

WASHER, LOCK, 3/4"

2шт.

38

21670R1

HEADED PIN,3/4" x 2 1/4"

PIN, 3/4 x 2.250 hd type 1

2шт.

39

407208R1

PACKAGE

QA cotter pin

1шт.

40

1252108C94

TURNBUCKLE

ASSY, upper link, Replaces 108591C91

1шт.

41

398401R2

SCREW

ASSY, LH thread

1шт.

42

19689R1

PIN,1/4" x 1 1/4", Coiled

LH thread 1/4" x 1 1/4", Coiled

1шт.

43

392211R2

PIN

upper link implement

1шт.

44

392181R91

PIN

ASSY, upper link

1шт.

45

383330R1

GASKET

draft control adj opening cover

1шт.

46

NOT USED IN THIS APPLICATION

1шт.

47

404633R2

TURNBUCKLE

upper link

1шт.

48

108592C2

HANDLE

upper link turnbuckle

1шт.

SB191

HEADED PIN,3/8" x 1 3/4"

PIN, 3/8 x 1.750 pln hd type 1

1шт.

107763

COTTER PIN,1/8" x 5/8"

PIN, SPLIT (COTTER), 1/8" x 5/8"

1шт.

49

398404R2

SCREW

ASSY, RH thread

1шт.

19689R1

PIN,1/4" x 1 1/4", Coiled

1шт.

50

404788R1

SHIELD

linch pin

2шт.

51

517843R1

COTTER PIN

PIN, QA cotter

1шт.

52

444691

PLUG

1/4-18 auto hex-soc pipe

2шт.

53

273349

FITTING

1/4-18 special extra short lub

2шт.

54

NOT USED IN THIS APPLICATION

1шт.

55

392208R11

PIN

ASSY, upper link bracket

1шт.

392004R1

SPACER,29.08mm ID x 36.2mm OD x 64.8mm L

lower link hitch point, in tool box for use w/category II tools and implements

2шт.

374132R1

PIN

upper link implement

1шт.

398406R1

BUSHING,26.29mm ID x 31.37mm OD x 50.8mm L

upper link rear ball, For use w/category II tools and implements when mounted on a category III 3-pt hitch

1шт.

Выбрано товаров: 88