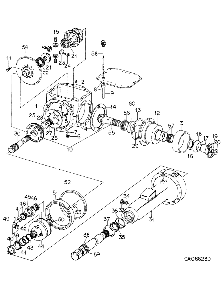
Запчасти Case IH 3788 (07-24) - DRIVE TRAIN, FRONT AXLE ATTACHMENT (04) - Drive Train

Схема запчастей Case IH 3788 - (07-24) - DRIVE TRAIN, FRONT AXLE ATTACHMENT (04) - Drive Train
58
55
57
32
5
49
1
21
36
7
37
47
38
12
25
4
60
34
9
10
6
43
27
59
31
24
16
50
33
8
52
46
14
44
14
40
29
15
11
53
22
18
2
48
26
19
45
30
54
35
39
17
13
3
46
28
23
21
41
20
42
56
51
FIT
1:1
100%

Артикул

Название

Примечание

Количество

138805C97

AXLE

ASSY, 118.0 in. front, Consists of ref nos 1 thru 58

1шт.

138804C97

AXLE

ASSY, 104 in. front, Consists of ref nos 1 thru 58

1шт.

1

134645C1

HOUSING

ASSY, diff w/dowels

1шт.

2

19846R1

DOWEL,1/2" x 1 1/4"

PIN, 1/2 x 1-1/4 dowel

2шт.

21468R1

DOWEL,7/16" x 1 1/2"

PIN, 7/16 x 1.500 pln hdn dowel

4шт.

3

1110400C1

BUSHING

1шт.

4

9410357

PLUG

1/2-20 str thd o-ring boss

2шт.

6

220150H1

PLUG

diff housing drain

1шт.

7

368269R1

O-RING,0.116" Thk x 0.924" ID, -912, Cl 6, 90 Duro

.750 x .924, class 6

1шт.

8

142153C1

COVER

ASSY, differential

1шт.

24861R1

BOLT,Hex, 1/2" - 13 x 1 1/4", Gr 8

16шт.

25536R1

WASHER

.531 x 1.062 x .095 phc hdn

16шт.

9

NOT SERVICED SEPARATELY FURNISH AS PART OF COVER ASSY

1шт.

10

134632C1

GEAR-SET

PINION & GEAR ASSY, Includes ref nos 54 and 55

1шт.

11

1111097C1

BOLT

BOLT, differential assy

4шт.

24861R1

BOLT,Hex, 1/2" - 13 x 1 1/4", Gr 8

12шт.

12

146648C1

CAGE

pinion, 3388, Serial Range: -10490

1шт.

12

146648C1

CAGE

pinion, 3588, Serial Range: -13017

1шт.

12

146648C1

CAGE

pinion, 3788, Serial Range: -10096

1шт.

12

147051C1

CAGE

pinion, 3388, Start Serial: 10491

1шт.

12

147051C1

CAGE

pinion, 3588, Start Serial: 13018

1шт.

12

147051C1

CAGE

pinion, 3788, Start Serial: 10097

1шт.

24862R1

BOLT,Hex, 1/2" - 13 x 1 1/2", Gr 8

9шт.

25636R1

SCREW

3/8 x 4.000 pln type 8 12 pt flg

9шт.

13

264681R1

O-RING,0.139" Thk x 6.48" ID, -260, Cl 5, 75 Duro

RING, sealing

1шт.

14

1104747C1

PACKAGE

pinion cage shim

1шт.

15

935505C5

CARRIER

differential

1шт.

16

937038C91

OIL SEAL

oil

1шт.

17

134840C1

YOKE

ASSY, pinion shaft

1шт.

18

940969C1

SLINGER

yoke

1шт.

19

293739R1

O-RING,0.139" Thk x 1.359" ID, -220, Cl 5, 75 Duro

1-3/8 x 1-5/8 class 5

1шт.

20

941338C1

WASHER

1шт.

24880R1

BOLT,Hex, 5/8" - 11 x 3 1/2", Gr 8

1шт.

21

404336R1

PINION

GEAR, pinion bevel, 20 teeth, Replaces 1109101C2

1шт.

22

399778R1

THRUST WASHER

diff bevel gear thrust

1шт.

23

399776R1

PINION

GEAR, differential pinion

4шт.

24

1120031C1

SHAFT

differential pinion

4шт.

25

399769R2

BEARING CARRIER

CAGE, differential brg, left

1шт.

25

399770R2

BEARING CARRIER

CAGE, differential brg, right

1шт.

24861R1

BOLT,Hex, 1/2" - 13 x 1 1/4", Gr 8

8шт.

26

65419C1

BEARING CARRIER

PACKAGE, diff. brg cage shim service

1шт.

27

52843V

BEARING ASSY,57.15mm ID x 22.05mm W

BEARING ASSY, diff right cone

1шт.

27

105503H

ROLLER BEARING,57.15mm ID x 24.61mm W

BEARING ASY, diff left cone

1шт.

28

105497H

BEARING CUP,96.85mm OD x 15.77mm W

BEARING, diff right cup

1шт.

28

105496H

BEARING CUP,97.63mm OD x 19.45mm W

BEARING, diff left cup

1шт.

29

NSS

NOT SOLD SEPARAT

SPACER, pinion bearing, Order package, 142192C91, 3388, Serial Range: -10490

1шт.

29

NSS

NOT SOLD SEPARAT

SPACER, pinion bearing, Order package, 142192C91, 3588, Serial Range: -13017

1шт.

29

NSS

NOT SOLD SEPARAT

SPACER, pinion bearing, Order package, 142192C91, 3788, Serial Range: -10096

1шт.

29

147050C1

SPACER

pinion bearing, 3388, Start Serial: 10491

1шт.

29

147050C1

SPACER

pinion bearing, 3588, Start Serial: 13018

1шт.

29

147050C1

SPACER

pinion bearing, 3788, Start Serial: 10097

1шт.

30

404342R1

SHAFT

planetary drive, sun, left

1шт.

30

404343R1

SHAFT

planetary drive, sun, right

1шт.

31

134414C2

HOUSING

axle

2шт.

24883R1

BOLT,Hex, 5/8" - 11 x 5", Gr 8

5/8 x 5 phc type 8

24шт.

25537R1

WASHER,21/32" x 1 5/16" x .095", HDN

.656 x 1.312 x .095 phc hdn

24шт.

32

897218C1

BREATHER

2шт.

33

9410361

PLUG

1-1/16 str thd o-ring boss

2шт.

34

368269R1

O-RING,0.116" Thk x 0.924" ID, -912, Cl 6, 90 Duro

.750 x .924, class 6

2шт.

35

383970R91

BEARING ASSY,3.0635" ID x 4.7822" OD x 0.6875, 0.9688"

BEARING ASSY, axle outer cone

2шт.

36

572901R1

BEARING, CUP,121.4552 mm OD x 24.7091 mm

BEARING, axle outer cup

2шт.

37

935491C1

OIL SEAL

oil

2шт.

38

134448C3

SHAFT

ASSY, front axle, front axle 118 inch

2шт.

38

127278C3

SHAFT

ASSY, front axle, front axle 104 inch

2шт.

39

972465R91

BEARING ASSY,69.8565 mm ID x 25.311 mm

ASSY, axle inner cone

2шт.

40

972466R1

BEARING CUP,112.7252 mm OD x 25.5016 mm

BEARING, axle inner cup

2шт.

41

134425C1

SHIM

front axle adj, .700

1шт.

41

134426C1

SHIM

front axle adj, .305

1шт.

41

134427C1

SHIM

front axle adj, .178

1шт.

41

134428C1

SHIM

front axle adj, .152

1шт.

41

134429C1

SHIM

front axle adj, .127

1шт.

REF # 41 ARE IN METRIC (MM) 5/8/97 DMB.

1шт.

42

142194C1

RING

front axle thrust

2шт.

43

134431C1

RING

front axle snap

2шт.

44

134420C1

CARRIER

2шт.

45

66128C2

PINION

GEAR, planet, 25T

6шт.

46

50212VA

ROLLER BEARING,33.35mm ID x 24.01mm W

BEARING ASSY, cone

12шт.

47

65421C2

SHIM KIT

PACKAGE, planet gear shim service

1шт.

48

399812R1

SHAFT

PIN, plant

6шт.

49

19723R1

PIN,5/16" x 1 1/8", Coiled

6шт.

50

134444C1

RING

front axle snap ext

2шт.

51

535317R1

GEAR, RING

66T

2шт.

52

134744C1

RING

ring gear spacer

2шт.

53

134743C1

PIN

dowel ring gear

6шт.

54

GEAR, drive 47T, Not serviced separately, Order gear & pinion assy 134632C1

1шт.

55

SHAFT, drive bevel pinion 13T, Not serviced separately, Order gear & pinion assy 134632C1

1шт.

56

NSS

NOT SOLD SEPARAT

BEARING ASSY, pinion inner cone, Order package, 142192C91, 3388, Serial Range: -10490

1шт.

56

NSS

NOT SOLD SEPARAT

BEARING ASSY, pinion inner cone, Order package, 142192C91, 3588, Serial Range: -13017

1шт.

56

NSS

NOT SOLD SEPARAT

BEARING ASSY, pinion inner cone, Order package, 142192C91, 3788, Serial Range: -10096

1шт.

56

147014C91

ROLLER BEARING

ASSY, pinion inner cone, 3388, Start Serial: 10491

1шт.

56

147014C91

ROLLER BEARING

ASSY, pinion inner cone, 3588, Start Serial: 13018

1шт.

56

147014C91

ROLLER BEARING

ASSY, pinion inner cone, 3788, Start Serial: 10097

1шт.

57

NSS

NOT SOLD SEPARAT

BEARING ASSY, pinion outer, Order package, 142192C91, 3388, Serial Range: -10490

1шт.

57

NSS

NOT SOLD SEPARAT

BEARING ASSY, pinion outer, Order package, 142192C91, 3588, Serial Range: -13017

1шт.

57

NSS

NOT SOLD SEPARAT

BEARING ASSY, pinion outer, Order package, 142192C91, 3788, Serial Range: -10096

1шт.

57

1103449C92

TAPERED BEARING,1.7505" ID x 3.501" OD x 1.1915"

ASSY, pinion outer, 3388, Start Serial: 10491

1шт.

57

1103449C92

TAPERED BEARING,1.7505" ID x 3.501" OD x 1.1915"

ASSY, pinion outer, 3588, Start Serial: 13018

1шт.

57

1103449C92

TAPERED BEARING,1.7505" ID x 3.501" OD x 1.1915"

ASSY, pinion outer, 3788, Start Serial: 10097

1шт.

58

142144C91

GAUGE

ASSY, oil level

1шт.

59

535862R1

SLEEVE

shaft

2шт.

60

NSS

NOT SOLD SEPARAT

BEARING, pinion inner cup, Order package, 142192C91, 3388, Serial Range: -10490

1шт.

60

NSS

NOT SOLD SEPARAT

BEARING, pinion inner cup, Order package, 142192C91, 3588, Serial Range: -13017

1шт.

60

NSS

NOT SOLD SEPARAT

BEARING, pinion inner cup, Order package, 142192C91, 3788, Serial Range: -10096

1шт.

60

147015C1

BEARING CUP,1.9375" ID x 4.125" OD x 1.125"

pinion inner cup, 3388, Start Serial: 10491

1шт.

60

147015C1

BEARING CUP,1.9375" ID x 4.125" OD x 1.125"

pinion inner cup, 3588, Start Serial: 13018

1шт.

60

147015C1

BEARING CUP,1.9375" ID x 4.125" OD x 1.125"

pinion inner cup, 3788, Start Serial: 10097

1шт.

474517C2

GASKET

TUBE, gasket eliminator, loctite

1шт.

634017C1

TUBE

thread locker loctite, For locking ring gear bolt in place

1шт.

142192C91

PACKAGE

pinion bearing assy service, 3388, Consists of, Serial Range: -10490

1шт.

142192C91

PACKAGE

pinion bearing assy service, 3588, Consists of, Serial Range: -13017

1шт.

142192C91

PACKAGE

pinion bearing assy service, 3788, Consists of, Serial Range: -10096

1шт.

1103448C93

TAPERED BEARING,2.0005" ID x 4.376" OD x 1.1935"

ASSY, pinion inner

1шт.

1103449C92

TAPERED BEARING,1.7505" ID x 3.501" OD x 1.1915"

ASSY, pinion outer

1шт.

1107416C1

SPACER, RING

SPACER, pinion bearing

1шт.

5

369384R1

O-RING,0.072" Thk x 0.414" ID, -905, Cl 6, 90 Duro

5-1, 90 Duro, .414" ID x .072" Thk, 5/16 hyd tube

2шт.

Выбрано товаров: 115