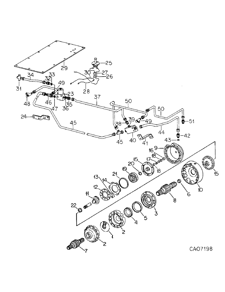
Запчасти Case IH 3788 (07-29) - DRIVE TRAIN, DIFFERENTIAL LOCK ATTACHMENT, 3788 TRACTORS (04) - Drive Train

Схема запчастей Case IH 3788 - (07-29) - DRIVE TRAIN, DIFFERENTIAL LOCK ATTACHMENT, 3788 TRACTORS (04) - Drive Train
9
46
14
47
11
42
36
12
5
2
30
33
26
21
31
28
15
40
44
27
48
34
8
32
49
37
51
49
1
41
18
13
50
45
29
2
22
19
16
23
20
39
45
25
7
24
35
10
6
18
50
43
17
15
3
4
FIT
1:1
100%

Артикул

Название

Примечание

Количество

1

529022R2

GEAR

differential bevel RH, 28T

1шт.

2

528706R3

CASE

ASSY, differential

1шт.

3

68683C1

RETAINER

differential brg RH

1шт.

4

622336C91

ROLLER BEARING

ASSY, RH roller cone

1шт.

5

622337C1

BEARING CUP,129.99mm OD x 23.90mm Thk

BEARING, RH roller cup

1шт.

6

283375R91

NEEDLE BEARING

ASSY, needle

1шт.

7

104676C1

SHAFT

bull pinion and brake LH

1шт.

8

104680C1

SHAFT

bull pinion and brake RH

1шт.

9

104667C1

COVER

diff lock

1шт.

10

104668C2

HOUSING

RH brake diff lock

1шт.

10

104706C1

BOLT

BOLT, diff lock cover

4шт.

NLS

NO LONGER SERVICED

5/8 x 4 pln type 5

2шт.

11

104669C1

SHAFT

inner

1шт.

12

71914C92

PACKAGE

diff lock service, also order tube of loctite, 474517C2, Consists of

1шт.

NSS

NOT SOLD SEPARAT

DISC

6шт.

NSS

NOT SOLD SEPARAT

PLATE

7шт.

350818R1

O-RING,0.984" ID x 0.139" Width

1 x 1-1/4 class 5

1шт.

22412R1

O-RING,0.139" Thk x 4.734" ID, -248, Cl 5, 75 Duro

-248, 70 Duro, 4.734" ID x .139" Thk

1шт.

355966R1

O-RING,0.424" ID x 0.103" Width

7/16 x 5/8 class 5

2шт.

104673C1

THRUST WASHER

1шт.

13

104670C1

BUSHING

diff lock stop, spacer

3шт.

14

104705C1

PLATE

diff lock clutch primary

1шт.

15

104671C91

HOUSING

ASSY, piston, Consists of

1шт.

NSS

NOT SOLD SEPARAT

CARRIER

1шт.

NSS

NOT SOLD SEPARAT

HOUSING

1шт.

20040R1

DOWEL,1/4" x 3/4"

PIN

2шт.

9409954

PLUG,Hex Soc, 1/16"-27

1шт.

179806

BOLT,Hex, 1/4" - 20 x 2 1/4", Gr 5

1/4 x 2-1/4 pln type 5

6шт.

16

104673C1

THRUST WASHER

thrust

1шт.

17

104714C1

SPOOL

diff lock feed

1шт.

18

355966R1

O-RING,0.424" ID x 0.103" Width

7/16 x 5/8 x 3/32

2шт.

19

104674C1

PISTON

diff lock

1шт.

20

350818R1

O-RING,0.984" ID x 0.139" Width

1 x 1-1/4 x 1/8

1шт.

21

22412R1

O-RING,0.139" Thk x 4.734" ID, -248, Cl 5, 75 Duro

-248, 70 Duro, 4.734" ID x .139" Thk

1шт.

22

269916R1

SNAP RING,#212, Ext

Ring, Snap, #212, Ext

1шт.

23

VALVE ASSY, block and solenoid, For list of components refer to differential lock valve this group

1шт.

24

139005C2

BRACKET

ASSY, diff lock solenoid

1шт.

179801

BOLT,Hex, 1/4" - 20 x 1 1/2", Gr 5

2шт.

26309R1

BOLT,Hex, 3/8" - 16 x 3/4", Gr 8

3/8 x 3/4 phc p/t type 8

2шт.

25

131332C2

IGNITION SWITCH

SWITCH ASSY, diff lock actuating

1шт.

180018

CONNECTING LINK

1/4 x 5/8 type 5

2шт.

492-11025

LOCK WASHER,1/4"

WASHER, LOCK, 1/4"

2шт.

120375

NUT,Hex, 1/4" - 20, Gr 5

2шт.

26

139136C1

CABLE

ASSY, fuse block to diff lock switch junction

1шт.

27

139137C1

CABLE

ASSY, diff lock switch junction

1шт.

28

139138C1

CABLE

ASSY, diff lock to solenoid grd

1шт.

29

PLATE, sub-frame platform, refer to fenders and operators platform listing group 13

1шт.

444746

PLUG,Sq Hd, 1/2"-14 NPTF

1/2-14 auto sq-hd drain & filler

1шт.

30

139153C1

CABLE

ASSY, diff lock, Serial Range: switch-sol

1шт.

31

673526R1

TEE

1шт.

9403400

REDUCER,37 Degree, 1/2" x 3/8" Tube

1/2 x 3/8 37 deg hyd flared tube

1шт.

9403528

TUBE NUT,37 Degree, 3/4"-16, Type B

NUT, 1/2 c-z hyd fld tube style B

1шт.

32

9410202

HYD CONNECTOR,9/16"-18, 37 Degree x 9/16"-18, O-Ring

CONNECTOR, 9/16-18 x 3/8 tube 37 deg

1шт.

33

364839R1

O-RING,0.078" Thk x 0.468" ID, -906, Cl 6, 90 Duro

6-1, 90 Duro, .468" ID x .078" Thk, 3/8 OD tube

1шт.

34

139008C1

TUBE

ASSY, differential lock valve supply

1шт.

35

157519C1

HYD CONNECTOR,7/16"-20, 37 Degree x 9/16"-18, O-Ring

REDUCER, 1/4 x 3/8 37 deg hyd flared tube

1шт.

36

364839R1

O-RING,0.078" Thk x 0.468" ID, -906, Cl 6, 90 Duro

6-1, 90 Duro, .468" ID x .078" Thk, 3/8 OD tube

1шт.

37

139012C2

HYD TUBE

TUBE ASSY, diff valve to reducing valve

1шт.

38

9410200

HYD CONNECTOR,7/16" - 20 JIC x 7/16" - 20 ORB

CONNECTOR, 7/16-20 x 1/4 tube 37 deg hyd str

1шт.

40

133605C91

VALVE

ASSY, pressure reducing, For list of components, refer to pressure reducing valve this group

1шт.

179812

GEAR

5/16 x 1/2 pln type 5

2шт.

41

104592C2

SUPPORT

reducing valve mtg

1шт.

179875

BOLT,Hex, 1/2" - 13 x 1/2", Gr 5

1/2 x 1/2 pln type 5

1шт.

42

9410200

HYD CONNECTOR,7/16" - 20 JIC x 7/16" - 20 ORB

CONNECTOR, 7/16-20 x 1/4 tube 37 deg hyd str

1шт.

44

104767C1

HYD TUBE

TUBE ASSY, diff lock pressure

1шт.

45

141905C1

TUBE

ASSY, reducing valve to diff valve

1шт.

46

9411130

TEE,9/16"-18, 37 Degree x 9/16"-18, O-Ring Run

9/16 x 3/8 tube

1шт.

47

364839R1

O-RING,0.078" Thk x 0.468" ID, -906, Cl 6, 90 Duro

6-1, 90 Duro, .468" ID x .078" Thk, 3/8 OD tube

1шт.

48

9403098

TEE,9/16"-18, 37 Degree x 1/4"-18, NPTF Run

. 3/8 c-z hyd flared tube two way

1шт.

49

139006C1

HYD TUBE

TUBE ASSY, diff lock dump

1шт.

50

120245C1

HYD TUBE

TUBE ASSY, brake lube RH

1шт.

51

120333C2

CONNECTOR, ELEC

CONNECTOR, brake orifice

1шт.

474517C2

GASKET

TUBE, gasket eliminator, loctite

1шт.

39

369751R1

O-RING,0.072" Thk x 0.351" ID, -904, Cl 6, 90 Duro

4-1, 90 Duro, .351" ID x .072" Thk, 1/4 OD tube

1шт.

43

369751R1

O-RING,0.072" Thk x 0.351" ID, -904, Cl 6, 90 Duro

4-1, 90 Duro, .351" ID x .072" Thk, 1/4 OD tube

1шт.

Выбрано товаров: 75