Запчасти Case IH 5088 (07-38) - DRIVE TRAIN, AXLE HOUSING (04) - Drive Train

Схема запчастей Case IH 5088 - (07-38) - DRIVE TRAIN, AXLE HOUSING (04) - Drive Train
8
9
6
18
20
11
33
2
17
26
30
25
27
15
21
16
38
39
28
7
22
24
34
4
10
2
5
33
32
32
36
19
12
31
37
14
3
13
29
35
23
1
FIT
1:1
100%

Артикул

Название

Примечание

Количество

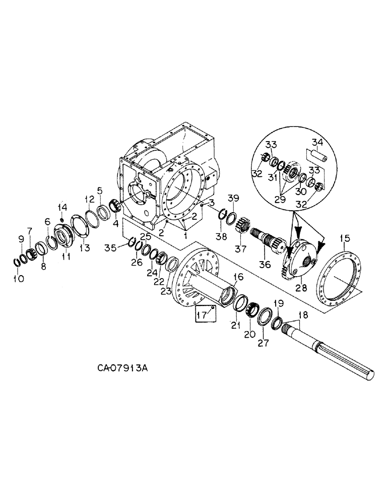
1

1257921C91

HOUSING

ASSY, axle, Composed of

1шт.

NSS

NOT SOLD SEPARAT

HOUSING

1шт.

30439R1

PIN

20 x 50 mm HD

2шт.

30352R1

AXLE PIN

PIN, 16 x 40 mm pln hdn dowel

4шт.

19994R1

DOWEL,3/4" x 2"

PIN, 3/4 x 2.000 pln hdn dowel

2шт.

444788

DRAIN PLUG,Sq Soc, 1/2"-14 NPTF

PLUG, 1/2-14 pln sq/skt auto drain

2шт.

9409961

DRAIN PLUG,Sq Soc, 3/4"-14 NPTF

PLUG, 3/4-14 C-Z sq/skt auto drain

1шт.

930145R1

BOLT,Hex, M16 x 2 x 70mm, Cl 8.8

2шт.

30329R1

WASHER,M17.5 x 30 x 4, HT

17.3 x 30 x 4 mm

2шт.

2

444788

DRAIN PLUG,Sq Soc, 1/2"-14 NPTF

PLUG, 1/2-14 pln sq/skt auto drain

2шт.

3

9409961

DRAIN PLUG,Sq Soc, 3/4"-14 NPTF

PLUG, 3/4-14 C-Z sq/skt auto drain

1шт.

4

921684C91

ROLLER BEARING

ASSY, pinion shaft rear cone

1шт.

5

921683C1

BEARING CUP,5.7087" OD x 1.6535"

BEARING, pinion shaft rear cup

1шт.

6

120965C1

SNAP RING

RING, bevel pinion brg cup retaining

1шт.

7

238661R91

CRANKSHAFT BEARING

BEARING ASSY, bevel pinion shaft center cone

1шт.

8

108326H

BEARING CUP,3.81" ID x 4.71" OD x 0.92"

BEARING, bevel pinion shaft ctr cup

1шт.

9

1264589C92

SHIM KIT

PACKAGE, bevel pinion brg shim, Consists of

1шт.

NSS

NOT SOLD SEPARAT

SHIM, 3.6 mm/.142 in.

1шт.

NSS

NOT SOLD SEPARAT

SHIM, 3.7 mm/.146 in.

1шт.

NSS

NOT SOLD SEPARAT

SHIM, 3.8 mm/.150 in.

1шт.

NSS

NOT SOLD SEPARAT

SHIM, 3.9 mm/.154 in.

1шт.

NSS

NOT SOLD SEPARAT

SHIM, 4.0 mm/.157 in.

1шт.

10

110042C1

RING,Rtng, Ext, 68.91mm ID x 3.94mm

bevel pinion brg retainer, 3.94 mm

1шт.

11

1277437C1

CAGE

mainshaft rear bearing, Replaces 120976C3 by also ordering tube assy, 1277438C1 and tube assy, 1277441C1 for 5088 w/serial no. 8036 and below, 5288 w/serial no. 5847 and below, 5488 w/serial no. 3901 and below.

1шт.

30451R1

12 PT SCREW,M10 x 35mm, Cl 12.9

BOLT, M12 x 35 pln class 12.9 12 pt flg

6шт.

12

3061207R1

O-RING,0.139" Thk x 6.234" ID, -259, Cl 5, 75 Duro

6-1/4 x 6-1/2 class 5

1шт.

13

1264590C91

KIT

PACKAGE, bevel pinion brg cage shim, Consists of

1шт.

NSS

NOT SOLD SEPARAT

SHIM, .076 mm/.003 in.

2шт.

NSS

NOT SOLD SEPARAT

SHIM, .100 mm/.004 in.

2шт.

NSS

NOT SOLD SEPARAT

SHIM, .130 mm/.005 in.

2шт.

NSS

NOT SOLD SEPARAT

SHIM, .300 mm/.012 in.

2шт.

14

1251958C1

WASHER,13mm ID x 25.40mm OD x 1.367mm, HTS

bevel pinion brg cage

6шт.

15

120942C1

GEAR

ring 72T, 5088 and 5288 tractors

2шт.

15

1259670C1

GEAR, RING

72T, 5488 tractors

2шт.

16

109851C91

CARRIER

ASSY, axle, 5288 and 5488 tractors

2шт.

16

137768C91

CARRIER

ASSY, axle, 5088 tractors

2шт.

30352R1

AXLE PIN

PIN, 16 x 40 mm pln hdn dowel

4шт.

931731R1

BOLT,Hex, M16 x 2 x 120mm, Cl 8.8

M16 x 120 pln class 8.8, 5088 and 5288 tractors

32шт.

30861R1

BOLT,Hex, M16 x 2 x 135mm, Cl 8.8

M16 x 135 pln class 8.8, 5488 tractors

32шт.

30970R1

BOLT,Hex, M16 x 2 x 160mm, Cl 8.8

M16 x 160 mm pln class 8.8, 5488 w/serial no. 2900 and below

4шт.

30354R1

BOLT,Hex, M16 x 2 x 140mm, Cl 8.8

M16 x 140 pln class 8.8, 5088 w/serial no. 7085 and below, 5288 w/serial no. 4855 and below

4шт.

17

217-470

DRAIN PLUG,Sq Soc, 3/4" - 14 NPTF

PLUG, 3/4-14 znp sq/skt auto pipe, 5088 w/serial no. 7396 and below, 5288 w/serial no. 5158 and below, 5488 w/serial no. 3061 and below

2шт.

18

137769C94

AXLE

ASSY, rear, 5088 tractors

2шт.

18

143893C94

AXLE

ASSY, rear, 5288 and 5488 tractors

2шт.

19

137771C2

BUSHING

outer brg spacer, 5088 tractors

2шт.

19

143895C2

BUSHING

outer brg spacer, 5288 and 5488 tractors

2шт.

20

630874C91

ROLLER BEARING

ASSY, outer axle cone, 5288 and 5488 tractors

2шт.

20

38703D

BEARING, ROLLER, CYL,88.91mm ID x 36.22mm W

BEARING ASSY, outer axle cone, 5088 tractors

2шт.

21

630899C1

BEARING CUP

BEARING, outer axle cup, 5288 and 5488 tractors

2шт.

21

619697C1

BEARING CUP,149.98mm OD x 26.90mm W

BEARING, outer axle cup, 5088 tractors

2шт.

22

123869R91

BEARING CONE

BEARING ASSY, inner axle cone, 5288 and 5488 tractors

2шт.

22

622336C91

ROLLER BEARING

ASSY, inner axle cone, 5088 tractors

2шт.

23

619697C1

BEARING CUP,149.98mm OD x 26.90mm W

BEARING, inner axle cup, 5288 and 5488 tractors

2шт.

23

622337C1

BEARING CUP,129.99mm OD x 23.90mm Thk

BEARING, inner axle cup, 5088 tractors

2шт.

24

1264591C91

KIT

PACKAGE, axle shim, 5288 and 5488 tractors, Consists of

1шт.

NSS

NOT SOLD SEPARAT

SHIM, .060-.090 mm/.002-.0035 in.

3шт.

NSS

NOT SOLD SEPARAT

SHIM, .100-.130 mm/.004-.005 in.

3шт.

NSS

NOT SOLD SEPARAT

SHIM, .180 mm/.007 in.

3шт.

NSS

NOT SOLD SEPARAT

SHIM, .300 mm/.012 in.

3шт.

NSS

NOT SOLD SEPARAT

SHIM, .760 mm/.030 in.

3шт.

24

1264592C91

SHIM

PACKAGE, axle shim, 5088 tractors, Consists of

1шт.

NSS

NOT SOLD SEPARAT

SHIM, .060-.090 mm/.002-.0035 in.

3шт.

NSS

NOT SOLD SEPARAT

SHIM, .100-.130 mm/.004-.005 in.

3шт.

NSS

NOT SOLD SEPARAT

SHIM, .180 mm/.007 in.

3шт.

NSS

NOT SOLD SEPARAT

SHIM, .300 mm/.012 in.

3шт.

NSS

NOT SOLD SEPARAT

SHIM, .760 mm/.030 in.

3шт.

25

124744C1

WASHER,95.63mm ID x 120mm OD x 8mm Thk

rear axle thrust, 5288 and 5488 tractors

2шт.

25

137777C1

RING

rear axle thrust, 5088 tractors

2шт.

26

143897C1

RING

axle retaining, 2.70 mm thick, Use as req'd per axle groove, 5288 and 5488 tractors

2шт.

26

1277020C1

RING

axle retaining, 3.81 mm thick, Use as req'd per axle groove, 5288 and 5488 tractorsm

2шт.

26

137688C1

SNAP RING

RING, axle retaining, 2.70 mm thick, Use as req'd per axle groove, 5088 tractors

2шт.

26

1277025C1

RING

axle retaining, 3.81 mm thick, Use as req'd per axle groove, 5088 tractors

2шт.

27

143926C1

OIL SEAL

rear axle oil, 5288 and 5488 tractors

2шт.

27

1277121C91

PACKAGE

KIT, seal and sleeve, 5288 and 5488 tractors

1шт.

27

143927C1

OIL SEAL

SEAL, rear axle oil, 5088 tractors

2шт.

27

1277120C91

KIT

seal and sleeve, 5088 tractors

1шт.

28

109893C1

PINION CARRIER

CARRIER, planet gear, 5288 tractors

2шт.

28

1259720C2

PINION CARRIER

CARRIER, planet gear, 5488 tractors

2шт.

28

137779C1

PINION CARRIER

CARRIER, planet gear, 5088 tractors

2шт.

29

1259736C92

GEAR WHEEL

GEAR ASSY, planet 28T, 5488 tractors

6шт.

29

1251840C91

GEAR

ASSY, planet, 27T, 5088 and 5288 tractors

6шт.

30

1259737C1

SPACER

5488 tractors

6шт.

31

67240C1

RING

bearing spacer

6шт.

32

625742C91

BEARING

ASSY, cone, 5088 and 5288 tractors

12шт.

32

533726R91

BEARING

ASSY, cone, 5488 tractors

12шт.

33

625743C1

BEARING CUP,90mm OD x 18.5mm W

BEARING, cup, 5088 and 5288 tractors

12шт.

33

533727R1

BEARING, CUP

5488 tractors

12шт.

34

1259672C1

SHAFT

planet gear bearing, 5488 tractors

6шт.

34

120461C1

SHAFT

planet gear bearing, 5088 and 5288 tractors

6шт.

30355R1

PIN,M8 x 26, Coiled

8 x 26 mm hvy pln cld spr

6шт.

35

598318R1

RING, SNAP

RING, 3.305 ext rect sect ret, 5288 and 5488 tractors

2шт.

35

143938C1

SNAP RING,#315, 2.980, Ext

RING, planet carrier retaining, 5088 tractors

2шт.

36

120489C4

SHAFT

sun gear 15T, LH, 5488 tractors

1шт.

36

1264922C92

SHAFT

ASSY, sun gear, RH, 5488 tractors

1шт.

1264921C2

PIN

sun shaft locator, 5488 tractors

1шт.

36

1276914C91

SHAFT

ASSY, sun gear, 18 tooth, 5088 and 5288 tractors, Replaces 1264899C2, Consists of

2шт.

1276913C1

SHAFT

sun gear 18T

1шт.

1259732C1

HUB,47T Internal/18T External

brake disc adapter

1шт.

1259753C1

THRUST WASHER

brake disc adapter

1шт.

327059R1

SNAP RING,#275, 2.594, Ext

RING, 2.594 ext rect sect ret

1шт.

36

1276915C91

SHAFT

ASSY, sun gear, 18 tooth, 5088 tractors, w/cantilever diff. pinion shafts, Replaces 137780C3, Consists of

1шт.

1276913C1

SHAFT

sun gear 18T

1шт.

1259732C1

HUB,47T Internal/18T External

brake disc adapter

1шт.

1259753C1

THRUST WASHER

brake disc adapter

1шт.

327059R1

SNAP RING,#275, 2.594, Ext

RING, 2.594 ext rect sect ret

1шт.

1276916C1

AXLE PIN

PIN, sun shaft locator

1шт.

37

1259732C1

HUB,47T Internal/18T External

brake disc adapter

2шт.

38

327059R1

SNAP RING,#275, 2.594, Ext

RING, 2.594 ext rect sect ret

2шт.

39

1259753C1

THRUST WASHER

brake disc adaptor

2шт.

Выбрано товаров: 109