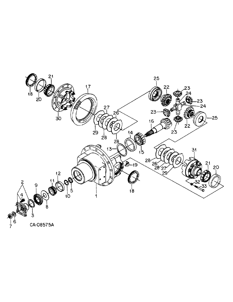
Запчасти Case IH 5088 (07-58) - DRIVE TRAIN, DIFFERENTIAL CARRIER, ALL WHEEL DRIVE TRACTORS (04) - Drive Train

Схема запчастей Case IH 5088 - (07-58) - DRIVE TRAIN, DIFFERENTIAL CARRIER, ALL WHEEL DRIVE TRACTORS (04) - Drive Train
18
2
30
23
8
28
16
27
26
12
24
13
23
11
21
33
17
28
28
29
25
19
1
9
6
4
27
3
20
22
23
26
29
28
5
7
21
23
22
25
31
15
10
20
14
32
18
24
FIT
1:1
100%

Артикул

Название

Примечание

Количество

1277362C92

DIFFERENTIAL

CARRIER ASSY, differential, Consists of Ref. 1 - 31

1шт.

Tractors w/serial nos listed below, Also order three thrust washers, 1280730C1, 5088 w/serial no. 6573 and below, 5288 w/serial no. 4421 and below, 5488 w/serial no. 2465 and below

1шт.

Refer to service bulletin, S-4618 for rework and assembly instructions.

1шт.

24862R1

BOLT,Hex, 1/2" - 13 x 1 1/2", Gr 8

14шт.

25536R1

WASHER

.531 x 1.062 x .095 phc hdn

14шт.

1

1277363C91

DIFFERENTIAL

CARRIER, differential sub-assembly

1шт.

Tractors w/serial nos listed below, Also order three thrust washers, 1280730C1, 5088 w/serial no. 6573 and below, 5288 w/serial no. 4421 and below, 5488 w/serial no. 2465 and below

1шт.

Refer to service bulletin, S-4618 for rework and assembly instructions.

1шт.

1277224C1

BOLT,Hex, 5/8" - 11 x 3.95", Gr 8

BOLT, 5/8-11 x 3.950 hex-hd grade 8

4шт.

25537R1

WASHER,21/32" x 1 5/16" x .095", HDN

.656 x 1.312 x .095 phc hdn

4шт.

2

1287601C91

FLANGE

ASSY, companion, Includes: Ref. 3 and 4

1шт.

3

345427C1

SLINGER

DEFLECTOR, seal

1шт.

4

1287602C1

STUD

flange

4шт.

5

SPACER, pinion shaft, Not serviced separately, Order kit, 389315C91

1шт.

6

912716R1

WASHER

pinion nut

1шт.

7

912726R1

NUT

pinion

1шт.

8

912712R1

WASHER

SLINGER, pinion oil seal

1шт.

9

1277230C1

OIL SEAL

oil

1шт.

10

912708R1

SHIM,32.15mm ID x 41.27mm OD x 0.08mm Thk

.003

2шт.

10

912709R1

SHIM,32.15mm ID x 41.27mm OD x 0.13mm Thk

.005

2шт.

10

912710R1

SHIM,32.15mm ID x 41.27mm OD x 0.25mm Thk

.010

2шт.

10

912711R1

SHIM

.030

2шт.

11

912732R91

BEARING

ASSY, cone

1шт.

12

912733R1

BEARING

cup

1шт.

13

1277229C1

PACKAGE

KIT, pinion adjusting shim, Consists of shims

1шт.

NSS

NOT SOLD SEPARAT

SHIM, .003

5шт.

NSS

NOT SOLD SEPARAT

SHIM, .005

5шт.

NSS

NOT SOLD SEPARAT

SHIM, .010

5шт.

14

59008H

BEARING

cup

1шт.

15

288321C91

BEARING

ASSY, cone

1шт.

389315C91

PACKAGE

KIT, drive gear and pinion, Consists of Ref. 5, 6, 7, 16, and 17

1шт.

16

NSS

NOT SOLD SEPARAT

SHAFT, pinion drive, Not serviced separately, Order kit, 389315C91

1шт.

17

NSS

NOT SOLD SEPARAT

GEAR, drive, Not serviced separately, Order kit, 389315C91

1шт.

1287668C1

BOLT,Hex, 1/2" - 20 x 1 1/8", Gr 8

BOLT, 1/2-20 x 1-1/8 hex hd grade 8, Drive gear

12шт.

18

1277233C1

RING NUT,14T

adjusting

2шт.

19

1277234C1

CLIP

CLIP, adjusting ring

2шт.

25228R1

BOLT,Hex, 5/16" - 18 x 3/4", Gr 8

5/16 x 3/4 phc type 8

2шт.

25533R1

WASHER

.344 x .688 x .065 phc hdn

2шт.

20

50320R1

BEARING CUP

cup

2шт.

21

67096R91

BEARING

ASSY, cone

2шт.

1277225C91

CASE

ASSY, differential, Consists of Ref. 22 - 33

1шт.

1277402C91

PACKAGE

KIT, differential case inner parts L/S, Consists of Ref. 22 - 25, Plus

1шт.

917561R91

PACKAGE

KIT, disc and plate

1шт.

NSS

NOT SOLD SEPARAT

GASKET, oil seal

1шт.

NSS

NOT SOLD SEPARAT

SILICONE SEALANT

1шт.

NSS

NOT SOLD SEPARAT

INSTRUCTIONS

1шт.

22

NSS

NOT SOLD SEPARAT

GEAR, differential, Not serviced separately, Order kit, 1277402C91

2шт.

23

NSS

NOT SOLD SEPARAT

PINION, differential, Not serviced separately, Order kit, 1277402C91

4шт.

24

NSS

NOT SOLD SEPARAT

SHAFT, differential, Not serviced separately, Order kit, 1277402C91

2шт.

25

NSS

NOT SOLD SEPARAT

RING, differential gear, Not serviced separately, Order kit, 1277402C91

2шт.

917561R91

PACKAGE

KIT, disc and plate, Consists of Ref. 26 - 29

1шт.

26

NSS

NOT SOLD SEPARAT

DISC, friction, Not serviced separately, Order kit, 917561R91

2шт.

27

NSS

NOT SOLD SEPARAT

DISC, friction, dished, Not serviced separately, Order kit 917561R91

2шт.

28

NSS

NOT SOLD SEPARAT

PLATE, disc, Not serviced separately, Order kit, 917561R91

4шт.

29

NSS

NOT SOLD SEPARAT

PLATE, disc, dished, Not serviced separately, Order kit, 917561R91

2шт.

1277226C91

CASE

differential sub-assembly, Consists of Ref. 30, 31, 32 and 33

1шт.

30

NSS

NOT SOLD SEPARAT

CASE, drive gear half, Not serviced separately, Order case, 1277226C91

1шт.

31

NSS

NOT SOLD SEPARAT

CASE, slip clutch half, Not serviced separately, Order case, 1277226C91

1шт.

32

411802C1

ADAPTER

stud

8шт.

33

1277401C1

BOLT,Hex, 7/16" - 14 x 3.50", Gr 8

differential case

8шт.

Выбрано товаров: 60