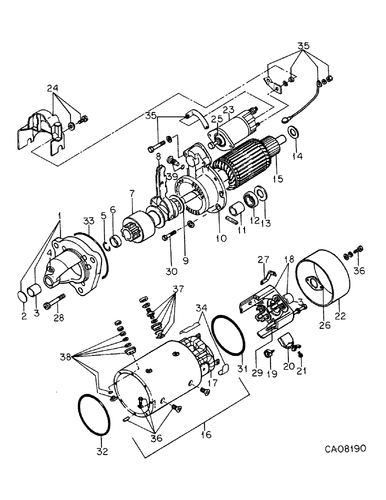
Запчасти Case IH 5488 (08-04) - ELECTRICAL, CRANKING MOTOR, NIPPON DENSO (06) - ELECTRICAL

Схема запчастей Case IH 5488 - (08-04) - ELECTRICAL, CRANKING MOTOR, NIPPON DENSO (06) - ELECTRICAL
16
19
32
14
26
13
3
36
3
37
31
25
35
10
38
2
21
12
22
11
30
34
35
6
20
9
7
15
17
33
29
18
24
35
23
5
8
4
39
28
27
FIT
1:1
100%

Артикул

Название

Примечание

Количество

1

107202C1

HOUSING

ASSY, drive

1шт.

30887R1

12 PT SCREW,M16 x 40mm, Cl 12.9

SCREW, M16 x 40 mm phc flt 12pt

3шт.

2

107203C1

COVER

drive end, plug

1шт.

3

107204C1

SPACER

end, bushing

2шт.

4

107205C1

COVER

lube wick

1шт.

5

107206C1

RING

collar snap

1шт.

6

107207C1

WASHER

pinion stop, collar

1шт.

7

107208C1

CLUTCH

ASSY, drive

1шт.

8

107209C1

LEVER

ASSY

1шт.

9

107210C1

WASHER

brake, drive

1шт.

10

107211C1

HOUSING

BEARING ASSY, lever

1шт.

11

107212C1

SPACER

bushing

1шт.

12

107213C1

SEAL

oil

1шт.

13

107214C1

WASHER

brake

1шт.

14

107215C1

SHIM

brake

1шт.

15

107217C1

ARMATURE

ASSY

1шт.

16

107218C1

BODY

ASSY, motor

1шт.

17

107221C1

COIL

ASSY, field

1шт.

18

107222C1

END

ASSY, commutator, frame

1шт.

19

107223C1

SPRING

brush

4шт.

20

107224C1

BRUSH, COMMUTATOR

BRUSH

4шт.

21

107225C1

SCREW

brush attaching

4шт.

22

107227C1

COVER

commutator end

1шт.

23

107228C1

SWITCH

ASSY, solenoid

1шт.

24

107229C1

PACKAGE

KIT, solenoid switch cover

1шт.

25

107230C1

COVER

solenoid plunger

1шт.

26

107231C1

GASKET

rubber

1шт.

27

107232C1

SUPPORT

field, connector

1шт.

28

107233C1

BOLT

through

6шт.

29

107235C1

BOLT

frame comm end mtg

2шт.

30

107236C1

BOLT

lever housing attaching

5шт.

31

O-RING, rubber, Not serviced separately, Order kit 107237C1

1шт.

32

O-RING, Not serviced separately, Order kit 107237C1

1шт.

33

O-RING, rubber, Not serviced separately, Order kit 107237C1

1шт.

34

107288C1

PACKAGE

KIT, field coil insulators

1шт.

35

107289C1

PACKAGE

KIT, solenoid mtg

1шт.

36

107290C1

PACKAGE

KIT, frame

1шт.

37

107291C1

PACKAGE

KIT, motor terminal assy, large

1шт.

38

107293C1

PACKAGE

KIT, motor frame terminal, small

1шт.

39

107295C1

PACKAGE

KIT, pivot bolt and seal

1шт.

107237C1

PACKAGE

KIT, seals

1шт.

Выбрано товаров: 41