Запчасти Case IH 5488 (10-25) - HYDRAULICS, MOTOR CONTROL VALVE CLOSE CENTER (07) - HYDRAULICS

Схема запчастей Case IH 5488 - (10-25) - HYDRAULICS, MOTOR CONTROL VALVE CLOSE CENTER (07) - HYDRAULICS
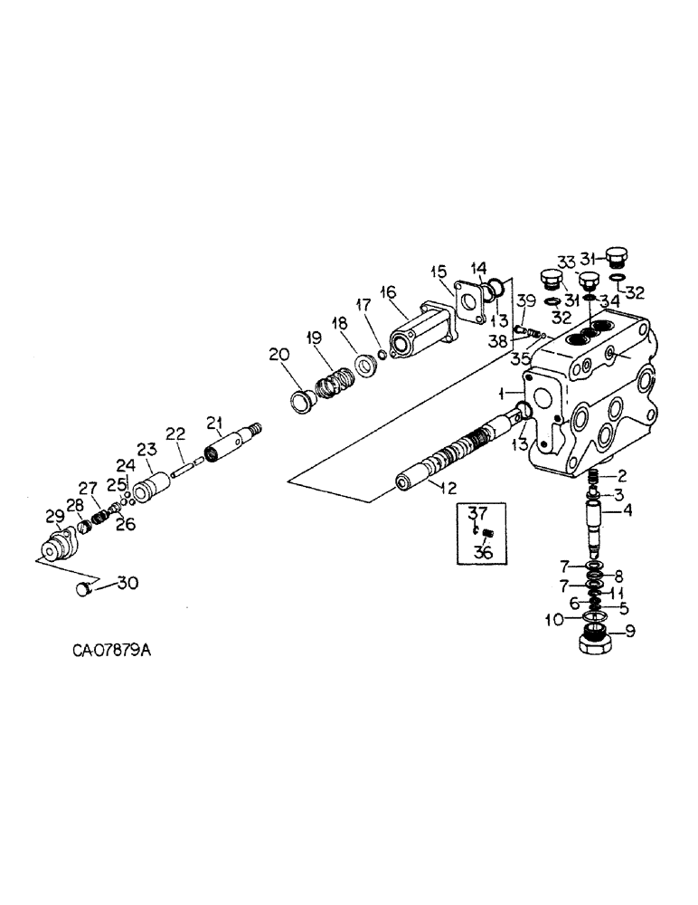
28
7
24
4
6
12
32
27
34
1
13
9
19
2
38
10
37
32
22
39
5
17
23
25
18
36
15
30
35
13
31
20
21
31
33
3
8
11
29
26
16
14
7
FIT
1:1
100%

Артикул

Название

Примечание

Количество

1285879C92

VALVE

ASSY, close center motor control, Replaces valve assy, 142552C99

1шт.

1

BODY ASSY, motor control valve, Not serviced separately, Order valve assy

1шт.

2

62470C1

SPRING

check valve poppet

1шт.

3

113898C1

VALVE

check valve poppet

1шт.

4

VALVE, flow control motor, Not serviced separately, Order valve assy

1шт.

5

359158R1

O-RING,0.301" ID x 0.07" Width

-011, 70 Duro, .031" ID x .070" Thk

1шт.

6

138303C2

RING

flow control teflon

1шт.

7

159687R1

WASHER

flow control thrust

2шт.

8

159688R91

THRUST BEARING

BEARING ASSY, flow control thrust

1шт.

9

113899C2

PLUG

flow control valve

1шт.

10

368269R1

O-RING,0.116" Thk x 0.924" ID, -912, Cl 6, 90 Duro

3/4 OD tube

1шт.

11

85633R1

RING

flow control retaining

1шт.

12

SPOOL, valve, Not serviced separately, Order valve assy

1шт.

13

350429R1

O-RING,0.103" Thk x 0.612" ID, -114, Cl 5, 75 Duro

5/16 x 13/16 x 3/32

2шт.

14

1263497C1

WASHER,16.02mm ID x 20.32mm OD x 0.51mm Thk

RING, back-up

1шт.

15

1263496C1

RETAINER

valve spool

1шт.

16

142561C1

HOUSING

unlatching piston sleeve

1шт.

30426R1

12 PT SCREW,M6 x 25mm, Cl 12.9

BOLT, M6x25 phc class 12.9 12pt flg

2шт.

17

379795R1

O-RING,0.064" Thk x 0.301" ID, -903, Cl 6, 90 Duro

3-1, .301" ID x .064" Thk, 3/16 OD tube

1шт.

18

142563C1

CUP

centering spring

1шт.

19

1263403C1

SPRING

centering, For use w/142552C97 and below

1шт.

19

1272205C1

SPRING

centering, For use w/142552C98, C99 and 1285879C91 and C92

1шт.

20

62473C2

RETAINER

centering spring

1шт.

21

142566C91

VALVE

ASSY, centering spring actuator

1шт.

22

142562C1

PIN

unlatching piston

1шт.

23

1272641C1

SLEEVE

position control

1шт.

23

142565C2

SLEEVE

position control, For use where valve unlatching difficulties are experienced

1шт.

24

17007R1

BALL

7/32 grade 25 metal

3шт.

25

17013R1

BALL,13/32" Dia

13/32 chrome steel grade 50

1шт.

26

62480C1

WASHER

unlatching sleeve ball

1шт.

27

1272204C1

SPRING

detent

1шт.

28

377803R1

PLUG

detent spring

1шт.

29

62482C1

CAP

unlatch sleeve housing

1шт.

30426R1

12 PT SCREW,M6 x 25mm, Cl 12.9

BOLT, M6 x 25 phc class 12.9 12pt flg

2шт.

30

432539

HOLE PLUG BUTTON,7/16"

PLUG, 7/16 button

1шт.

31

9410357

PLUG

1/2-20 str-thd o-ring boss

2шт.

32

369384R1

O-RING,0.072" Thk x 0.414" ID, -905, Cl 6, 90 Duro

5-1, 90 Duro, .414" ID x .072" Thk, 5/16 OD tube

2шт.

33

9410354

PLUG,Hex Hd, 5/16"-24 ORB

5/16-24 str-thd o-ring boss

1шт.

34

369375R1

O-RING,0.064" Thk x 0.239" ID, -902, Cl 6, 90 Duro

1/4 OD tube

1шт.

35

17006R1

BALL

3/16 grade 25 metal

1шт.

36

133498C1

SPRING

check valve, Used w/valve, 1285879C91

1шт.

37

1255020C1

BELLEVILLE WASHER,3.454mm ID x mm OD x 0.381mm Thk

check valve retaining, Used w/valve, 1285879C91

1шт.

38

1285770C1

SPRING

check valve, Used w/valve, 1285879C92

1шт.

39

1285769C1

RETAINER

spring, Used w/valve, 1285879C92

1шт.

1255052C92

SERVICE KIT

KIT, signal check valve service, Consists of

1шт.

17006R1

BALL

3/16 grade 25 metal

1шт.

133498C1

SPRING

check valve

1шт.

1285770C1

SPRING

check valve

1шт.

1255020C1

BELLEVILLE WASHER,3.454mm ID x mm OD x 0.381mm Thk

retaining

1шт.

1285769C1

RETAINER

spring

1шт.

TOOL, rect ring (NSS)

1шт.

INSTRUCTIONS (NSS)

1шт.

76669C92

PACKAGE

motor control valve repair, Consists of Ref. 2, 3, 5 6, 7, 8, 10, 11, 13, 17, 32 and 34

1шт.

40

529908R1

WASHER

back-up (Not Shown)

1шт.

41

529909R1

O-RING,1.78mm Thk x 2.54mm ID

O_RING, centering spring actuator (Not Shown)

1шт.

42

529904R1

RETAINER

o-ring (Not Shown)

1шт.

Выбрано товаров: 56