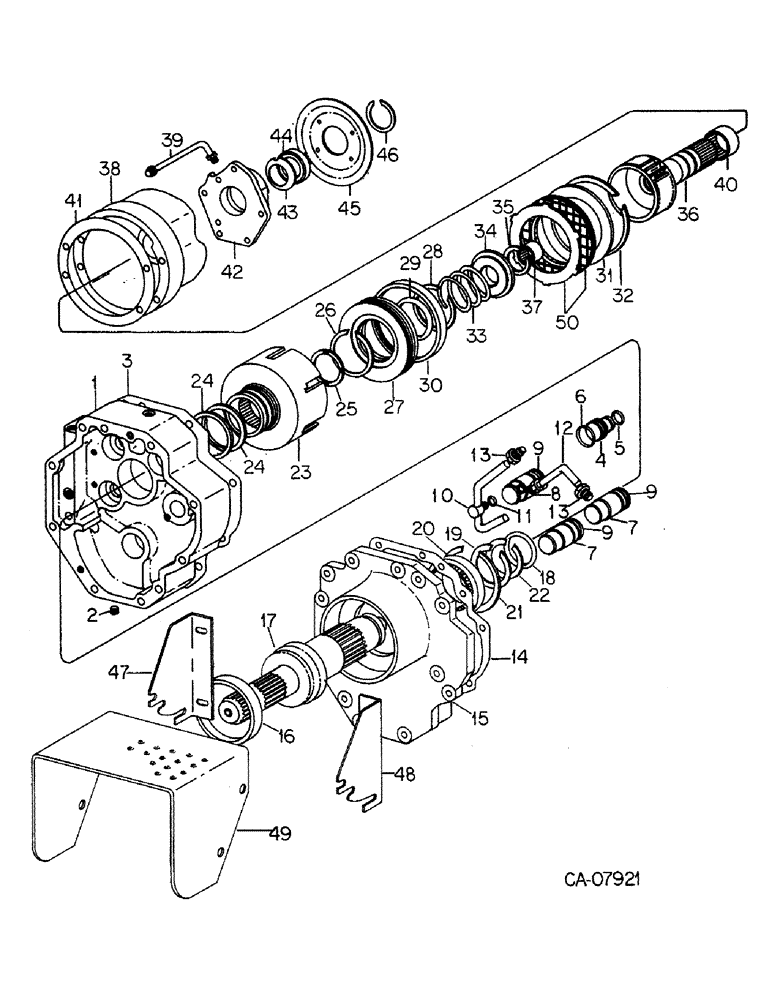
Запчасти Case IH 5488 (07-44) - DRIVE TRAIN, INDEPENDENT POWER TAKE-OFF, SINGLE SPEED (04) - Drive Train

Схема запчастей Case IH 5488 - (07-44) - DRIVE TRAIN, INDEPENDENT POWER TAKE-OFF, SINGLE SPEED (04) - Drive Train
11
1
39
6
22
26
33
14
7
2
7
29
34
5
45
24
31
41
12
50
38
8
30
37
23
18
9
21
9
45
9
44
28
15
17
36
48
16
32
20
49
25
3
19
13
4
43
27
35
10
13
47
40
24
42
FIT
1:1
100%

Артикул

Название

Примечание

Количество

1

1259531C92

HOUSING

ASSY, w/product graphic

1шт.

64553C2

PRODUCT GRAPHIC

WARNING - IPTO

1шт.

2

444660

DRAIN PLUG,Sq Soc, 3/8"-18 NPTF

PLUG, 3/8-18 pln sq/skt auto pipe

1шт.

3

139286C1

GASKET

IPTO, Serial Range: hsg-frame

1шт.

4

67340C1

PISTON

ASSY, anti-creep brake

3шт.

5

574069R1

O-RING,0.750" ID x .062"

3/4 x 7/8 class 5, Brake piston rod

3шт.

6

356005R1

O-RING,1.109" ID x 0.139" Width

1-1/8 x 1-3/8 class 5, Brake piston

3шт.

7

68074C1

CYLINDER

anti-creep brake

2шт.

8

68073C1

CYLINDER

anti-creep brake

1шт.

9

22458R1

O-RING,1.489" ID x 1.629" OD x 0.07"

1-1/2 x 1-5/8 class 5, Brake cylinder

3шт.

10

68075C1

TUBE

ASSY, brake supply

1шт.

11

352219R1

O-RING,0.07" Thk x 0.239" ID, -10, Cl 5, 75 Duro

1/4 x 3/8 class 5, Brake supply connector

1шт.

12

68077C1

TUBE

brake supply

1шт.

13

222-502

TUBE NUT,7/16"-24

NUT, 1/4 tube, Brake supply tube

4шт.

14

139287C1

GASKET

IPTO cover & housing

1шт.

15

139263C91

COVER

ASSY, IPTO housing

1шт.

19486R1

PIN, 1/2 x 1.250 pln hdn dowel 1"-14, G5

2шт.

179888

LEVER

BOLT, 1/2 x 1-7/8 pln type 5

2шт.

931238R1

BOLT,Hex, M12 x 1.75 x 140mm, Cl 8.8

M12 x 140 pln class 8.8

6шт.

930906R1

BOLT,Hex, M12 x 1.75 x 120mm, Cl 8.8

M12 x 120 pln class 8.8

2шт.

108522C1

WASHER

.5 x .7 x .062 in copper sealing

2шт.

16

148955C1

SEAL

output shaft oil

1шт.

17

148950C1

SHAFT

IPTO output 1-3/8 dia., 5088 w/serial no. 8263 and below, 5288 w/serial no. 6029 and below, 5488 w/serial no. 4070 and below

1шт.

17

1285756C1

SHAFT

IPTO output 1-3/8 dia., 5088 w/serial no. 8264 and above, 5288 w/serial no. 6030 and above, 5488 w/serial no. 4071 and above

1шт.

17

148949C1

SHAFT

IPTO output 1-3/4 dia., 5088 w/serial no. 8263 and below, 5288 w/serial no. 6029 and below, 5488 w/serial no. 4070 and below

1шт.

17

1285732C1

SHAFT

IPTO output 1-3/4 dia., 5088 w/serial no. 8264 and above, 5288 w/serial no. 6030 and above, 5488 w/serial no. 4071 and above

1шт.

18

364145R1

O-RING,0.103" Thk x 2.112" ID, -138, Cl 5, 75 Duro

2-1/8 x 2-5/16 class 5

1шт.

19

357194R1

RING

1000 RPM output shaft locating ext snap

1шт.

20

ST269A

BALL BEARING,60mm ID x 110mm OD x 22mm W

BEARING, 1000 RPM output shaft rear

1шт.

21

324049R1

RING

1000 RPM shaft rear brg int

1шт.

22

271130R1

RING

1000 RPM shaft rear mtg ret snap

1шт.

23

139283C1

CUP

clutch

1шт.

24

381485R1

RING,67.13mm ID x 72.21mm OD x 3.12mm Thk

clutch cup seal

2шт.

25

149095C3

THRUST WASHER,48mm ID x 60mm OD x 2.5mm Thk

clutch carrier thrust, 5088 w/serial no. 8263 and below, 5288 w/serial no. 6029 and below, 5488 w/serial no. 4070 and below

1шт.

25

1285725C1

THRUST WASHER,48mm ID x 65mm OD x 3.5mm Thk

clutch carrier thrust, 5088 w/serial no. 8264 and above, 5288 w/serial no. 6030 and above, 5488 w/serial no. 4071 and above

1шт.

26

68625C1

RING

clutch cup ret snap

1шт.

27

68080C2

PISTON

clutch

1шт.

28

258400C1

SNAP RING,#187, Ext

Ring, Snap, , clutch piston stop #187, Ext

1шт.

29

702283R1

O-RING,0.21" Thk x 1.85" ID, -328, Cl 5, 75 Duro

1-7/8 x 2-1/4 class 5 clutch piston

1шт.

30

381488R1

RING,120.78mm ID x 134.34mm OD x 4.78mm Thk

SEAL, clutch piston oil

1шт.

31

139202C1

RETAINER

clutch driven disc

1шт.

32

381492R1

CIRCLIP,M137.16 x 3.07mm Thk, Int

RING, clutch driven disc ret snap

1шт.

33

381493R1

SPRING

clutch release

1шт.

34

381494R1

RETAINER

clutch release spring

1шт.

35

370504R1

RING

clutch release spring ret snap

1шт.

36

139284C3

SHAFT

drive

1шт.

37

10026R

NEEDLE BEARING,0.875" ID x 1.1245" OD x 0.5"

BEARING, 1000 RPM drive shaft frt

1шт.

38

148474C92

CARRIER

ASSY, IPTO clutch, Composed of

1шт.

NSS

NOT SOLD SEPARAT

CARRIER, IPTO clutch

1шт.

19879R1

SPLIT PIN/SAFETY PIN

PIN, 5/16 x .750 pln hdn dowel

2шт.

222-503

TUBE NUT,1/2"-20

NUT, 5/16 tube

2шт.

148451C2

TUBE,0.035" OD, 115, 48 mm Length

IPTO clutch lube

1шт.

27907R1

CAPSCREW,Flange, 3/8" x 2.50", Alloy Steel

SCREW, 3/8 x 2.500 pln ast 12pt flg

4шт.

39

148451C2

TUBE,0.035" OD, 115, 48 mm Length

IPTO clutch lube

1шт.

222-503

TUBE NUT,1/2"-20

NUT, 5/16 tube

2шт.

40

359950R91

NEEDLE BEARING

BEARING, drive shaft rear

1шт.

41

529565R1

GASKET

IPTO clutch carrier

1шт.

42

148443C1

HOUSING

front brg support

1шт.

NLS

NO LONGER SERVICED

5шт.

43

68084C1

BAFFLE

drive shaft frt

1шт.

44

ST571

BALL BEARING,40 mm ID x 68 mm OD x 15 mm

BEARING, drive shaft frt

1шт.

45

139285C1

RETAINER

drive shaft frt brg

1шт.

179793

BOLT,Hex, 1/4" - 20 x 5/8", Gr 5, Full Thd

4шт.

103319

LOCK WASHER,1/4"

WASHER, LOCK, 1/4"

4шт.

46

555570R1

SNAP RING

RING, drive shaft frt brg snap

1шт.

47

139318C2

BRACKET

IPTO shield LH mtg

1шт.

48

139319C2

BRACKET

IPTO shield RH mtg

1шт.

25553R1

WASHER,13/32" x 1 1/8" x .134", HDN

.406 x 1.125 x .134 phc hdn

4шт.

930265R1

BOLT,Hex, M10 x 1.5 x 25mm, Cl 8.8, Full Thd

4шт.

49

139320C1

SHIELD

ASSY, IPTO safety

1шт.

30185R1

WASHER,M12 x 28.5 x 4, HT

13.8 x 28 x 4 mm phc

2шт.

30274R1

JAM NUT,M12, Cl 10

M12 class 10

2шт.

50

68803C92

KIT

DISC and PLATES, clutch, Consists of

1шт.

NSS

NOT SOLD SEPARAT

DISC, clutch driven

9шт.

NSS

NOT SOLD SEPARAT

PLATE ASSY, clutch

8шт.

NSS

NOT SOLD SEPARAT

INSTRUCTIONS

1шт.

Выбрано товаров: 76