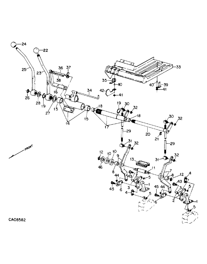
Запчасти Case IH 7288 (10-27) - HYDRAULICS, DOUBLE AUXILIARY VALVE CONTROLS (07) - HYDRAULICS

Схема запчастей Case IH 7288 - (10-27) - HYDRAULICS, DOUBLE AUXILIARY VALVE CONTROLS (07) - HYDRAULICS
43
6
12
31
5
32
42
30
7
32
46
10
3
25
2
5
40
30
19
28
35
10
11
37
43
36
38
45
32
13
15
6
8
39
44
14
17
31
29
15
5
20
18
8
19
44
5
3
16
45
9
18
33
34
4
41
41
40
23
4
22
32
29
26
1
21
12
2
24
27
FIT
1:1
100%

Артикул

Название

Примечание

Количество

1

143978C1

BRACKET

aux valve control

2шт.

931951R1

BOLT,Hex, M6 x 1 x 16mm, Cl 8.8, Full Thd

M6 x 16 pln class 8.8

4шт.

2

143979C92

LEVER

ASSY, aux valve control, Includes Ref: 3

2шт.

3

143982C1

BUSHING

2шт.

4

143984C1

LINK

ASSY, aux valve control

2шт.

5

104977R1

SNAP RING,#X31, .243" Dia, E-Type

RING, RETAINING, #X31, .243" Dia, E-Type

4шт.

6

1251563C2

BAR

aux valve control

2шт.

7

1251555C92

LEVER

ASSY, 1st aux valve, Includes Ref: 8

1шт.

8

120464C1

BUSHING,19.07mm ID x 20.68mm OD x 13.21mm L

2шт.

9

1251557C91

LEVER

ASSY, 2nd aux valve, Includes Ref: 8

1шт.

10

143998C1

SPACER

aux valve handle hub

2шт.

11

104532C2

SHAFT

control pivot

1шт.

931143R1

BOLT,Hex, M10 x 1.5 x 20mm, Cl 8.8, Full Thd

M10 x 20 pln class 8.8

2шт.

12

661652R1

SNAP RING,#75, Ext

Control handle #75, Ext

2шт.

21018R1

WASHER

.781 x 1.500 x .027 pln

1шт.

13

135877C1

SEAL

control lever

1шт.

14

1271093C91

SUPPORT

ASSY W/BUSHINGS, valve lever

1шт.

15

149097C1

BUSHING

2шт.

16

1259812C1

BRACKET

float lockout

1шт.

9706704

BOLT,Hex, M10 x 1.5 x 41.58mm, Cl 8.8

M10 x 35 class 8.8

3шт.

17

149098C91

SHAFT

ASSY, 2nd aux valve outer, Includes Ref: 18

1шт.

18

149101C1

BUSHING

2шт.

19

866189R1

SNAP RING,#125, Ext

Ring, Snap, #125, Ext

2шт.

20

149102C1

SHAFT

ASSY, 1st aux valve, inner

1шт.

21

603570R1

SNAP RING,#75, .574" Dia, E-Type

Ring, Retaining, #75, .574" Dia, E-Type

1шт.

22

1281556C1

KNOB

2nd valve handle, green

1шт.

23

1280022C1

HANDLE

ASSY, 2nd valve, or

1шт.

23

1280078C2

HANDLE

ASSY, 2nd valve

1шт.

24

1280096C1

KNOB

1st valve handle, black

1шт.

25

1280017C1

HANDLE

1st valve, or

1шт.

25

1280076C2

HANDLE

1st valve

1шт.

26

384098R1

SNAP RING,#62, Ext

Ring, Snap, #62, Ext

1шт.

27

1251550C1

WASHER

control handle

2шт.

28

1251551C1

WASHER

control handle

2шт.

29

1251969C1

ROD

1st & 2nd control handle

2шт.

30168R1

NUT,M10, Cl 10

M10 phc class 10

2шт.

30

1251968C2

PIN

upper control

2шт.

31

1251970C2

PIN

lower control

2шт.

32

896045R1

SNAP RING,#37, Ext

4шт.

33

1251660C6

COVER

aux valve RH control

1шт.

104033C2

SELF-TAP SCREW,Truss HD, #10 - 16 x 3/4"

SCREW, 10-16 x 3/4 console mtg

5шт.

34

1259815C2

STEM

ROD, neutral lock

1шт.

35

1251663C1

LEVER

netural lock out

1шт.

36

1259813C2

PIVOT PIN

PIN, float lockout pivot

1шт.

30982R1

PIN,M2 x 18, Coiled

2 x 18MM pln cld spr

1шт.

37

1259816C1

LEVER

float lockout

2шт.

932766R1

COTTER PIN,M2 x 12

PIN, 2 x 12MM pln cot.

1шт.

38

1259814C1

PIN

float lockout stop

1шт.

39

1251731C2

LEVER

position control lockout

1шт.

40

1259619C1

TUBE,0.25" OD, 9.139 mm Length

position control lockout

2шт.

41

1251730C2

LOCK WASHER

lockout lever friction

2шт.

30290R1

SCREW,Cross Pan Hd, M5 x 20

M5 x 20 class 4.8 p/hdcr

2шт.

30481R1

WASHER,M5 x 10 x 1

5.5 x 10 x 1MM

4шт.

934871R1

NUT,M5, Cl 5

M5 class 5

2шт.

42

1280326C1

BRACKET

neutral lock-out stop

1шт.

43

143983C1

BOLT,Shldr, Hex, M10 x 1.5 x 28mm, Cl 8.8

shoulder

2шт.

44

110668R1

CIRCLIP,#37, .300" Dia, E-Type

Ring, Retaining, #37, .300" Dia, E-Type

2шт.

45

1280278C1

BOLT,Shldr, Hex, 5/16" - 18 x 1.04", Type 5

BOLT, 5/16-18 x 1.04 shoulder

2шт.

390304C1

WASHER

.344 x .688 x .065 hdn

2шт.

9413952

LOCK NUT,5/16"-18, GB

NUT, 5/16 phc p/t lock type 5

2шт.

46

16066R1

WASHER

.781 x 1.500 x .054 pln (Or as required)

4шт.

Выбрано товаров: 61