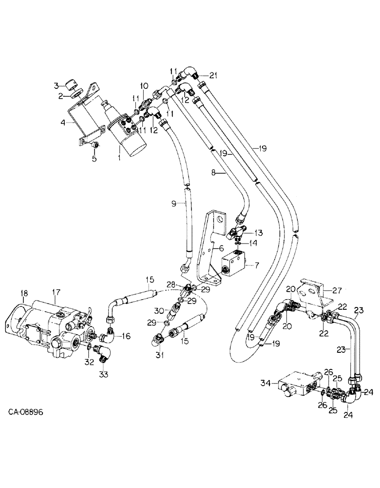
Запчасти Case IH 7288 (10-35) - HYDRAULICS, POWER STEERING CONNECTIONS, HAND PUMP TO STEERING CHECK VALVE (07) - HYDRAULICS

Схема запчастей Case IH 7288 - (10-35) - HYDRAULICS, POWER STEERING CONNECTIONS, HAND PUMP TO STEERING CHECK VALVE (07) - HYDRAULICS
29
16
25
25
28
15
26
24
24
8
33
6
27
31
21
5
26
29
2
23
9
19
1
29
10
22
12
11
14
30
18
3
19
19
20
20
7
34
17
23
12
13
11
15
32
22
19
11
4
11
FIT
1:1
100%

Артикул

Название

Примечание

Количество

1

1282414C91

PUMP

ASSY, power steering hand service parts not available

1шт.

617944R1

PIN,3/8" x 1 3/4", Coiled

1шт.

2

148481C1

SEAL,40mm ID x 58mm OD x 8mm Thk

hand pump shaft dust

4шт.

3

104008C1

RUBBER INSULATOR

INSULATOR, pump shaft vibration

1шт.

4

104853C1

BRACKET

ASSY, hand pump mounting

1шт.

179814

SPACER

5/16 x 5/8 pln type 5

4шт.

5

104809C1

ISOLATOR,27.94mm OD x 18.29mm L

ISOMOUNT, pump bracket

3шт.

536642R1

WASHER

isomount flat

3шт.

9706704

BOLT,Hex, M10 x 1.5 x 41.58mm, Cl 8.8

M10 x 35 class 8.8

3шт.

6

1269098C2

SUPPORT

ASSY, relief valve

1шт.

930265R1

BOLT,Hex, M10 x 1.5 x 25mm, Cl 8.8, Full Thd

2шт.

7

1285706C91

VALVE

ASSY, steering relief, For components, Refer to steering relief valve listing, this group

1шт.

931713R1

BOLT,Hex, M10 x 1.5 x 75mm, Cl 8.8

M10 x 75 pln class 8.8

2шт.

30168R1

NUT,M10, Cl 10

M10 phc class 10

2шт.

8

1269328C2

HOSE,0.50" ID x 19.50", SAE 100R2

- Hand pump return 0.50" ID x 19.50", SAE 100R2

1шт.

9

1269327C1

HOSE ASSY.

HOSE ASSY, hand pump supply

1шт.

10

9410203

HYD CONNECTOR,3/4"-16, 37 Degree x 3/4"-16, O-Ring

CONNECTOR, 1/2 C-Z hyd fld short swivel

1шт.

11

570828R1

O-RING,0.087" Thk x 0.644" ID, -908, Cl 6, 90 Duro

1/2 OD tube class 6

4шт.

12

9410977

ELBOW,90 Degree, 3/4"-16, 37 Degree x 3/4"-16, O-Ring

1/2 C-Z hyd fld adj 90D

2шт.

13

1269269C1

FITTING

special

1шт.

14

364885R1

O-RING,0.097" Thk x 0.755" ID, -910, Cl 6, 90 Duro

5/8 OD tube class 6

1шт.

15

1269394C1

HOSE

ASSY, relief valve to strg supply pump

1шт.

16

9410282

ELBOW,90 Degree, 7/8"-14, 37 Degree x 7/8"-14, 37 Degree Fem Sw

5/8 C-Z hyd fld 90D swivel

1шт.

17

149860C91

PUMP

ASSY, steering supply, 12 GPM, Service parts not available

1шт.

931350R1

BOLT,Hex, M12 x 1.75 x 35mm, Cl 8.8, Full Thd

M12 x 35 pln class 8.8

2шт.

28423R1

WASHER

.531 x 1.250 x .188 hdn

2шт.

18

144169C1

GASKET

strg supply pump

1шт.

19

1269325C2

HOSE,0.50" ID x 23.25", SAE 100R2

- Hand pump to check valve 0.50" ID x 23.25", SAE 100R2

2шт.

20

1269100C1

FITTING

bulkhead 45 deg

2шт.

21

1269397C1

ELBOW

LH steering hose

1шт.

22

9403295

BHD LOCK NUT,Blkhd, 7/8"-14

NUT, 5/8 C-Z bulkhead union lock

2шт.

23

1266518C1

BAR,0.625" OD, 223, 97 mm Length

TUBE ASSY, tower to valve

2шт.

24

9410282

ELBOW,90 Degree, 7/8"-14, 37 Degree x 7/8"-14, 37 Degree Fem Sw

5/8 C-Z hyd fld 90D swivel

2шт.

25

9410204

HYD CONNECTOR,7/8"-14, 37 Degree x 7/8"-14, O-Ring

CONNECTOR, 5/8 C-Z hyd fld short swivel

2шт.

26

364885R1

O-RING,0.097" Thk x 0.755" ID, -910, Cl 6, 90 Duro

5/8 OD tube class 6

2шт.

27

SUPPORT ASSY, hose, Refer to oil cooler and heat exchanger listing, this group

1шт.

28

1272176C1

TEE

steering screen

1шт.

29

364885R1

O-RING,0.097" Thk x 0.755" ID, -910, Cl 6, 90 Duro

5/8 OD tube class 6

3шт.

30

1272186C1

FILTER ASSY

SCREEN, filter, steering

1шт.

31

9410978

ELBOW,90 Degree, 7/8"-14, 37 Degree x 7/8"-14, O-Ring

5/8 C-Z hyd fld adj 90D

1шт.

32

368269R1

O-RING,0.116" Thk x 0.924" ID, -912, Cl 6, 90 Duro

3/4 OD tube class 6

1шт.

33

9410979

ELBOW,90 Degree, 1 1/16"-12, 37 Degree x 1 1/16"-12, O-Ring

3/4 C-Z hyd fld adj 90D

1шт.

34

VALVE ASSY, power steering alternating check, Refer to power steering connection, check valve to steering cylinders, this group

1шт.

Выбрано товаров: 43