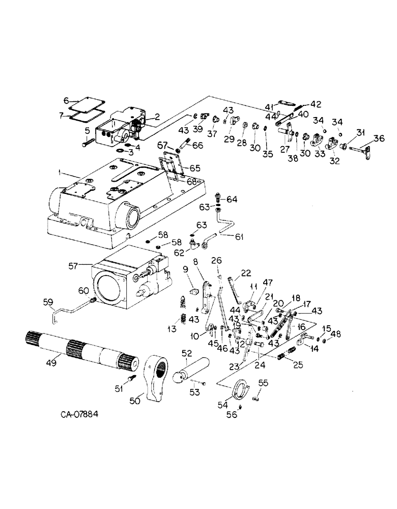
Запчасти Case IH 7288 (10-41) - HYDRAULICS, HYDRAULIC DRAFT CONTROL (07) - HYDRAULICS

Схема запчастей Case IH 7288 - (10-41) - HYDRAULICS, HYDRAULIC DRAFT CONTROL (07) - HYDRAULICS
31
35
23
33
30
28
34
11
56
20
5
47
10
38
27
59
16
50
43
46
19
12
32
39
1
37
42
65
7
21
43
13
26
49
36
34
15
62
64
66
67
25
55
2
4
30
40
53
8
17
44
6
45
43
9
52
3
14
61
24
43
54
29
44
22
43
57
60
51
41
48
43
58
43
43
63
58
63
68
18
FIT
1:1
100%

Артикул

Название

Примечание

Количество

1

142633C91

COVER

ASSY, rear frame, Refer to rear frame cover group 7, for list of components

1шт.

2

145380C93

VALVE

ASSY, variable raise control, Refer to variable raise control valve this group for list of components

1шт.

180175

BOLT,Hex, 1/2" - 13 x 1 1/4", Gr 5

1/2 x 1-1/4 type 5

1шт.

180138

BOLT,Hex, 3/8" - 16 x 3", Gr 5

3/8 x 3 type 5

3шт.

3

384377R1

O-RING,0.103" Thk x 2.55" ID, -141, Cl 6, 90 Duro

2-5/16 x 2-1/2 x 3/32

1шт.

4

381884R1

O-RING,0.103" Thk x 0.987" ID, -120, Cl 6, 90 Duro

1 x 1-3/16 x 3/32

1шт.

5

108540C1

SQUARE BOLT

coated lock set

1шт.

114502

JAM NUT,Jam, 5/16"-18, G5

1шт.

6

108514C1

COVER

linkage access

1шт.

413-48

BOLT,Hex, 1/4" - 20 x 1/2", Gr 5

1/4 x 1/2 type 5

4шт.

7

108515C1

GASKET

linkage access cover

1шт.

8

384511R93

SUPPORT

ASY, position control stop pivot

1шт.

180124

BOLT,Hex, 3/8" - 16 x 1 1/4", Gr 5

3/8 x 1-1/4 type 5

1шт.

180125

SCREW,Hex, 3/8" - 16 x 1 3/8", Gr 5

BOLT, 3/8 x 1-3/8 type 5

1шт.

103321

LOCK WASHER,3/8"

WASHER, LOCK, 3/8"

2шт.

9

113818C1

SUPPORT

balance spring, bracket, 7288

1шт.

9

1272365C1

SUPPORT

balance spring, bracket, 7488

1шт.

10

384513R11

LEVER

ASSY, draft control stop

1шт.

11

382825R1

FORGING

BELLCRANK ASY, position control

1шт.

12

113815C91

LEVER

ASSY, draft control, eccentric

1шт.

13

113817C1

SPRING

balance, 7288

1шт.

13

1282100C2

SPRING

balance, 7488

1шт.

14

384399R92

ECCENTRIC

ASSY, position control

1шт.

15

355967R1

O-RING,0.364" ID x 0.003" Width

3/8 x 1/2 x 1/16

1шт.

16

382838R1

LINK

, Serial Range: eccentric-rockshaft

1шт.

17

403984R1

LINK

ASSY, walking, Serial Range: beam-valve

1шт.

18

382841R1

PIN

walking, Serial Range: beam-valve

1шт.

19

382842R1

SCREW,Shldr, Hex, 5/16" - 18 x 0.65", W/ Nylon Pellet

shoulder

1шт.

20

382843R11

BEAM

ASSY, follow-up walking

1шт.

21

382845R1

LINK

walking, Serial Range: beam-bellcrank

1шт.

22

108539C2

SUPPORT

position control inner, link

1шт.

23

142638C2

ARM

draft control sensing pickup

1шт.

24

382788R1

PIN

sensing pick-up arm

1шт.

25

392280R1

SPRING

sensing arm return, 7288

1шт.

25

1282179C1

SPRING

sensing arm return, 7488

1шт.

26

108538C1

SUPPORT

LINK, sensing inner, 7288

1шт.

26

1272366C1

LINK ASSY.

LINK, sensing inner, 7488

1шт.

27

127852C1

SHAFT

ASSY, position control

1шт.

28

128036C1

SPACER

position control lever

1шт.

29

128038C1

LEVER

ASSY, int. position control

1шт.

30

532395R1

BUSHING,19.07mm ID x 20.63mm OD x 16.64mm L

BEARING, position control shaft

2шт.

31

65369C1

BUSHING,22.25mm ID x 23.8mm OD x 16.64mm L

BEARING, sensitivity control shaft

1шт.

32

108536C1

SUPPORT

sensitivity control bearing

1шт.

33

108535C1

SUPPORT

position control bearing

1шт.

180087

SPRING

5/16 x 2 type 5

2шт.

181610

SCREW,Hex, 5/16" - 24 x 1 1/4", Gr 5

BOLT, 5/16-NF x 1-1/4 type 5

2шт.

34

532409R1

SPRING WASHER

safety spring

2шт.

137544C1

NUT

5/16-24 sq

1шт.

35

350429R1

O-RING,0.103" Thk x 0.612" ID, -114, Cl 5, 75 Duro

5/8 x 13/16 class 5, position control shaft

1шт.

36

108523C1

SHAFT

ASSY, sensitivity control

1шт.

37

863138R91

PLASTIC RING

BEARING, sensitivity shaft

1шт.

38

379365R1

O-RING,0.07" Thk x 0.364" ID, -12, Cl 6, 90 Duro

3/8 x 1/2 x 1/16

1шт.

39

108531C1

LEVER

ASSY, sensitivity control, 7288

1шт.

39

1272335C1

LEVER

ASSY, sensitivity control, 7488

1шт.

19304R1

PIN,5.54mm OD x 28.57mm L, Coiled

1шт.

40

127859C2

LINK

raise speed control

1шт.

41

127861C1

BAR

raise speed control spring

1шт.

42

127862C2

SPRING

raise speed control

1шт.

43

110668R1

CIRCLIP,#37, .300" Dia, E-Type

Ring, Retaining, #37, .300" Dia, E-Type

10шт.

44

104977R1

SNAP RING,#X31, .243" Dia, E-Type

RING, RETAINING, #X31, .243" Dia, E-Type

2шт.

45

381478R1

SNAP RING,#X43, .375" Dia, E-Type

Ring, Retaining, #X43, .375" Dia, E-Type

1шт.

46

370290R1

SNAP RING,#50, .392" Dia, E-Type

Ring, Retaining, #50, .392" Dia, E-Type

1шт.

47

204502R1

SNAP RING,#43, Ext

1шт.

48

971043R1

SNAP RING,#50, Ext

1шт.

49

392872R3

ROCKSHAFT

hyd draft control

1шт.

50

382810R3

LEVER

BELLCRANK, rockshaft

1шт.

51

382811R1

SET SCREW,Hex, 3/8" - 16, Lok-Thd x 1 1/2", Cone Pt

bell crank loc-thread set

1шт.

52

382812R4

ROD

piston connecting

1шт.

53

398314R2

PIN,6.35mm OD x 76.2mm L

piston connecting rod

1шт.

16558R1

WASHER

.266 x .625 x .036 pln

1шт.

103384

COTTER PIN,1/8" x 3/4"

Pin, Split (Cotter), 1/8" x 3/4"

1шт.

54

384518R1

CAM ASSY, rockshaft actuating hub

1шт.

55

376057R1

BUCKET TOOTH KEY

KEY, rockshaft actuating hub cam

1шт.

56

382816R1

SET SCREW

rockshaft actuating hub cam set

1шт.

57

CYLINDER & VALVE ASSY, draft control, Refer to draft control cyl & valve this group for list of components

1шт.

NLS

NO LONGER SERVICED

BOLT, 5/8 x 1-3/4 type 5

2шт.

271730

SWASH PLATE,Hex, 5/8" - 11 x 3 3/4", Gr 5

5/8 x 3-3/4 type 5

2шт.

58

387926R2

RING

cylinder to cover seal

2шт.

59

385942R91

TUBE

ASSY, cylinder lubrication

1шт.

88574

BOLT,Hex, 5/16" - 18 x 1/2", Gr 5, Full Thd

1шт.

103320

LOCK WASHER,5/16"

WASHER, LOCK, 5/16"

1шт.

60

222-502

TUBE NUT,7/16"-24

NUT, 7/16-24 hi-duty tube fitting, or

1шт.

60

19984R1

TUBE NUT,7/16"-24

NUT, 1/4 nylon insert tube

1шт.

61

1282031C1

TUBE ASSY.

TUBE ASSY, signal line internal

1шт.

62

9410975

ELBOW,90 Degree, 1/2"-20, 37 Degree x 1/2"-20, O-Ring

hyd 37 deg flared 5/16 tube

1шт.

64

9403253

FITTING,Blkhd, 1/2"-20, 37 Degree x 1/2"-20, 37 Degree

UNION, hyd 37 deg flared 5/16 tube

1шт.

65

142704C1

COVER

valve adjustment opening

1шт.

13-510

BOLT,Hex, 5/16" - 18 x 5/8", Gr 5, Full Thd

5/16 x 5/8 pln type 5

5шт.

28253R1

BOLT

5/16 x 5/8 phc p/t type 5

1шт.

66

142881C1

ADJUSTMENT SCREW,5/8" - 18 x 3.25"

valve adjustment

1шт.

67

124944

JAM NUT,Hex, 5/8" - 18, Gr 5

1шт.

68

382416R1

GASKET

opening cover

1шт.

63

369384R1

O-RING,0.072" Thk x 0.414" ID, -905, Cl 6, 90 Duro

5-1, 90 Duro, .414" ID x .072" Thk, 5/16 OD tube, class 6

2шт.

Выбрано товаров: 93