Запчасти Case IH 7288 (04-04) - BRAKES, POWER BRAKE VALVE (5.1) - BRAKES

Схема запчастей Case IH 7288 - (04-04) - BRAKES, POWER BRAKE VALVE (5.1) - BRAKES
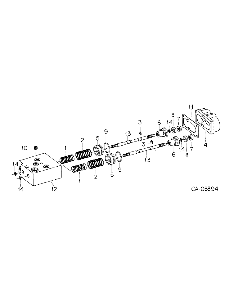
3
2
6
14
14
13
8
5
1
9
10
1
14
7
9
6
11
13
7
8
12
14
3
4
2
5
FIT
1:1
100%

Артикул

Название

Примечание

Количество

1272218C91

VALVE

ASSY, power brake, service parts are

1шт.

1

1263125C1

SPRING

return

2шт.

2

1263124C1

SPRING

large piston

2шт.

3

85633R1

RING

1/2 sq sect snap

2шт.

4

384495R1

CAP

body

1шт.

179796

BOLT,Hex, 1/4" - 20 x 7/8", Gr 5

1/4 x 7/8 pln type 5

6шт.

5

1263122C1

PISTON

large

2шт.

6

1263123C1

PISTON

small

2шт.

7

9411648

LOCK NUT,1/2"-20, GC

1/2 cad p/t lock type 1

2шт.

8

69158C1

WASHER,12.78mm ID x 25.4mm OD x 6.35mm Thk

piston, Includes Ref: 9

2шт.

9

O-RING, piston, Order package, 71487C9 (NSS)

2шт.

10

140720C1

PLATE

orifice

1шт.

11

384503R2

GASKET,0.38mm Thk

body cap

1шт.

12

BODY, power brake valve, Not serviced separately, Order valve assy, 1272218C91

1шт.

13

SPOOL, valve, Not serviced separately, Order valve assy, 1272218C91

1шт.

14

O-RING, spool, Order package 71487C91 (NSS)

4шт.

71487C91

PACKAGE

brake valve o-ring & gasket service, Consists of

1шт.

INSTRUCTIONS (NSS)

1шт.

9410358

PLUG

1шт.

364839R1

O-RING,0.078" Thk x 0.468" ID, -906, Cl 6, 90 Duro

6-1, 90 Duro, .468" ID x .078" Thk

1шт.

384503R2

GASKET,0.38mm Thk

1шт.

O-RING (NSS)

4шт.

O-RING (NSS)

2шт.

O-RING (NSS)

2шт.

364839R1

O-RING,0.078" Thk x 0.468" ID, -906, Cl 6, 90 Duro

6-1, 90 Duro, .468" ID x .078" Thk

4шт.

Выбрано товаров: 25