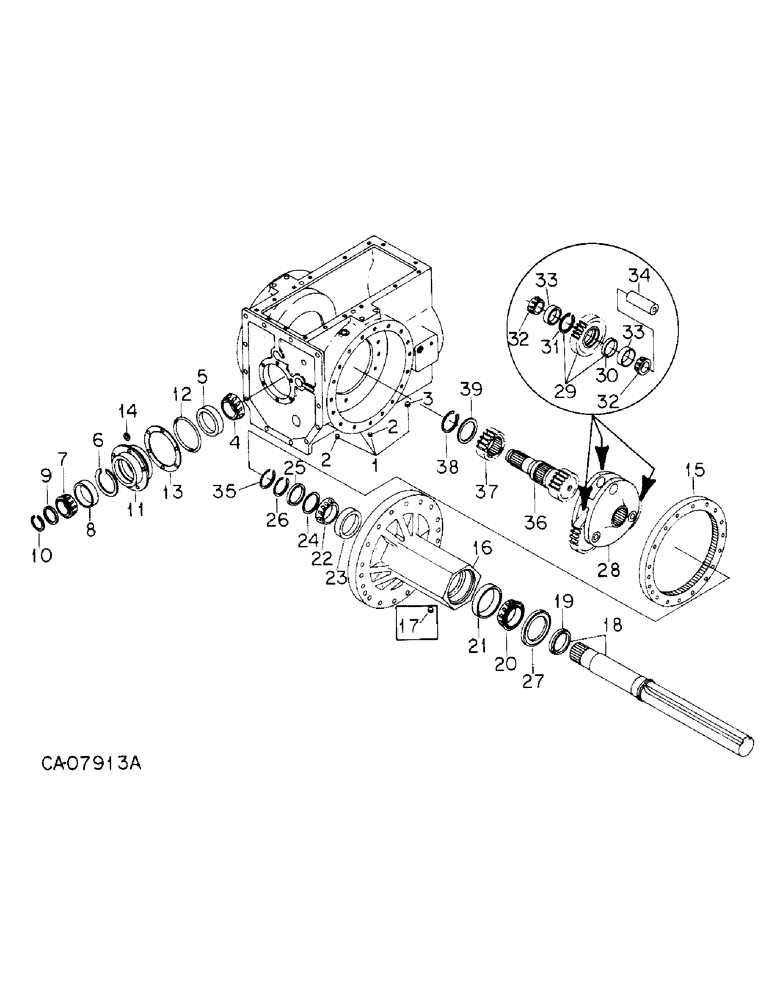
Запчасти Case IH 7288 (07-29) - DRIVE TRAIN, REAR DRIVE AXLE AND HOUSING (04) - Drive Train

Схема запчастей Case IH 7288 - (07-29) - DRIVE TRAIN, REAR DRIVE AXLE AND HOUSING (04) - Drive Train
3
29
4
8
11
16
39
13
14
15
31
24
33
7
33
37
19
32
2
2
18
27
22
26
32
34
23
25
21
38
28
1
36
10
30
12
6
20
5
35
17
9
FIT
1:1
100%

Артикул

Название

Примечание

Количество

1

1257921C91

HOUSING

ASSY, axle, Consists of

1шт.

HOUSING (NSS)

1шт.

444788

DRAIN PLUG,Sq Soc, 1/2"-14 NPTF

PLUG, 1/2-14 pln sq/skt auto drain

2шт.

9409961

DRAIN PLUG,Sq Soc, 3/4"-14 NPTF

PLUG, 3/4-14 C-Z sq/skt auto drain

2шт.

30352R1

AXLE PIN

PIN, 16 x 40MM pln hdn dowel

4шт.

19994R1

DOWEL,3/4" x 2"

PIN, 3/4 x 2.000 pln hdn dowel

2шт.

30349R1

PIN

12 x 30MM pln hdn dowel

2шт.

9410359

PLUG

1/2 C-Z str thd o-ring boss

2шт.

570828R1

O-RING,0.087" Thk x 0.644" ID, -908, Cl 6, 90 Duro

1/2 OD tube class 6, to close break wear switch port

2шт.

2

444788

DRAIN PLUG,Sq Soc, 1/2"-14 NPTF

PLUG, 1/2-14 pln sq/skt auto drain

2шт.

3

9409961

DRAIN PLUG,Sq Soc, 3/4"-14 NPTF

PLUG, 3/4-14 C-Z sq/skt auto drain

1шт.

4

921684C91

ROLLER BEARING

ASSY, pinion shaft rear cone

1шт.

5

921683C1

BEARING CUP,5.7087" OD x 1.6535"

BEARING, pinion shaft rear cup

1шт.

6

120965C1

SNAP RING

RING, bevel pinion brg cup retaining

1шт.

7

238661R91

CRANKSHAFT BEARING

BEARING ASSY, bevel pinion shaft ctr

1шт.

8

108326H

BEARING CUP,3.81" ID x 4.71" OD x 0.92"

BEARING, bevel pinion shaft ctr cup

1шт.

9

1264589C92

SHIM KIT

PACKAGE, bevel pinion brg shim, Consists of

1шт.

SHIM, 3.6MM (NSS)

1шт.

SHIM, 3.7MM (NSS)

1шт.

SHIM, 3.8MM (NSS)

1шт.

SHIM, 3.9MM (NSS)

1шт.

SHIM, 4.0MM (NSS)

1шт.

10

110042C1

RING,Rtng, Ext, 68.91mm ID x 3.94mm

bevel pinion brg retainer, 3.94 mm

1шт.

11

1277437C1

CAGE

mainshaft rear brg

1шт.

30451R1

12 PT SCREW,M10 x 35mm, Cl 12.9

BOLT, M12 x 35 pln class 12.9 12pt flg

6шт.

12

3061207R1

O-RING,0.139" Thk x 6.234" ID, -259, Cl 5, 75 Duro

6-1/4 x 6-1/2 class 5

1шт.

13

1264590C91

KIT

PACKAGE, bevel pinion brg cage shim, Consists of

1шт.

SHIM, 0.076MM (NSS)

2шт.

SHIM, 0.100MM (NSS)

2шт.

SHIM, 0.130MM (NSS)

2шт.

SHIM, 0.300MM (NSS)

2шт.

14

1251958C1

WASHER,13mm ID x 25.40mm OD x 1.367mm, HTS

bevel pinion brg cage

6шт.

15

120942C1

GEAR

ring 72T, 7288 tractor

2шт.

15

1259670C1

GEAR, RING

72T, 7488 tractor

2шт.

16

109851C91

CARRIER

ASSY, axle

2шт.

30352R1

AXLE PIN

PIN, 16 x 40MM pln hdn dowel

4шт.

931731R1

BOLT,Hex, M16 x 2 x 120mm, Cl 8.8

M16 x 120 pln class 8.8, 7288 tractor

32шт.

30861R1

BOLT,Hex, M16 x 2 x 135mm, Cl 8.8

M16 x 135 pln class 8.8, 7488 tractor

32шт.

17

NOT USED IN THIS APPLICATION

1шт.

18

143893C94

AXLE

ASSY, rear

2шт.

19

143895C2

BUSHING

outer brg spacer

2шт.

20

630874C91

ROLLER BEARING

ASSY, outer axle cone

2шт.

21

630899C1

BEARING CUP

BEARING, outer axle cup

2шт.

22

123869R91

BEARING CONE

BEARING ASSY, inner axle cone

2шт.

23

619697C1

BEARING CUP,149.98mm OD x 26.90mm W

BEARING, inner axle cup

2шт.

24

1264591C91

KIT

PACKAGE, axle shim, Consists of

1шт.

SHIM, 0.760MM (NSS)

3шт.

SHIM, 0.300MM (NSS)

3шт.

SHIM, 0.180MM (NSS)

3шт.

SHIM, 0.100 - 0.130MM (NSS)

3шт.

SHIM, 0.060 - 0.090MM (NSS)

3шт.

25

124744C1

WASHER,95.63mm ID x 120mm OD x 8mm Thk

rear axle thrust

2шт.

26

1277020C1

RING

axle retaining

2шт.

27

143926C1

OIL SEAL

rear axle oil

2шт.

27

1277121C1

KIT, seal and sleeve, Consists of

1шт.

SLEEVE, wear (NSS)

1шт.

143926C1

OIL SEAL

1шт.

INSTRUCTIONS (NSS)

1шт.

28

109893C1

PINION CARRIER

CARRIER, planet gear, 7288 tractors

2шт.

28

1259720C2

PINION CARRIER

CARRIER, planet gear, 7488 tractors

2шт.

29

1259736C92

GEAR WHEEL

GEAR ASSY, planet 28T, 7488 tractors

6шт.

29

1251840C91

GEAR

ASSY, planet 27T, 7288 tractor

6шт.

30

1259737C1

SPACER

7488 tractor

6шт.

31

67240C1

RING

6шт.

32

624742C91

BEARING ASSY, cone, 7288 tractor

12шт.

32

533726R91

BEARING

ASSY, cone, 7488 tractors

12шт.

33

625743C1

BEARING CUP,90mm OD x 18.5mm W

BEARING, cup, 7288 tractor

12шт.

33

533727R1

BEARING, CUP

7488 tractors

12шт.

34

1259672C1

SHAFT

planet gear bearing, 7488 tractor

6шт.

34

120461C1

SHAFT

planet gear bearing, 7288 tractor

6шт.

30355R1

PIN,M8 x 26, Coiled

8 x 26MM hvy pln cld spr

6шт.

35

598318R1

RING, SNAP

RING, 3.305 ext rect sect ret

2шт.

36

120489C4

SHAFT

sun gear, 18T, LH, 7488 tractors

1шт.

36

1264922C92

SHAFT

ASSY, sun gear, RH, 7488 tractor

1шт.

1264921C2

PIN

sun shaft locator, 7488 tractor

1шт.

36

1276913C91

SHAFT, sun gear, 18 tooth, 7288 tractor

2шт.

37

1259732C1

HUB,47T Internal/18T External

brake disc adapter

2шт.

38

327059R1

SNAP RING,#275, 2.594, Ext

RING, 2.594 ext rect sect ret

2шт.

39

1259753C1

THRUST WASHER

brake disc adapter

2шт.

Выбрано товаров: 0