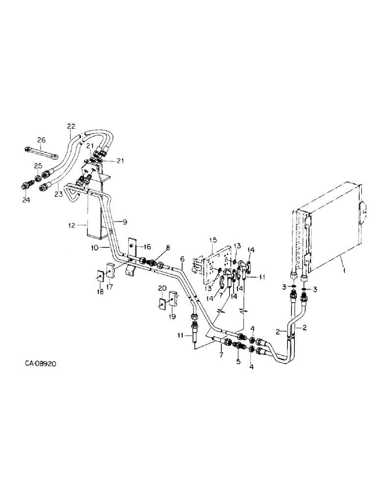
Запчасти Case IH 7488 (10-17) - HYDRAULICS, OIL COOLER AND HEAT EXCHANGER CONNECTIONS (07) - HYDRAULICS

Схема запчастей Case IH 7488 - (10-17) - HYDRAULICS, OIL COOLER AND HEAT EXCHANGER CONNECTIONS (07) - HYDRAULICS
21
21
11
13
24
6
23
15
14
8
4
7
26
16
19
4
17
3
1
18
22
13
3
2
20
5
10
2
9
11
7
14
14
12
25
14
FIT
1:1
100%

Артикул

Название

Примечание

Количество

1

COOLER ASSY, transmission oil, Refer to oil cooler listing, group 6

1шт.

2

1250087C1

HYDRAULIC HOSE

HOSE ASSY, oil cooler front

2шт.

3

364885R1

O-RING,0.097" Thk x 0.755" ID, -910, Cl 6, 90 Duro

5/8 OD tube class 6

2шт.

4

9403296

LOCK NUT,Blkhd, 1 1/16"-12

NUT, 3/4 C-Z bulkhead union lock

2шт.

5

9403257

FITTING,Blkhd, 1 1/16"-12, 37 Degree x 1 1/16"-12, 37 Degree

UNION, 3/4 C-Z hyd fld tube bulkhead

1шт.

6

1250086C1

TUBE ASSY.,0.75" OD, 1406.5, 566 mm Length

TUBE ASSY, oil cooler supply, front

1шт.

7

1289003C1

HOSE

ASSY, heat exchanger LH

1шт.

8

9402789

UNION,1 1/16"-12, 37 Degree x 1 1/16"-12, 37 Degree

3/4 C-Z hyd flared tube

1шт.

9

1269113C1

TUBE ASSY.

TUBE ASSY, oil cooler supply, rear

1шт.

10

1269114C1

TUBE ASSY.

TUBE ASSY, oil cooler return

1шт.

11

1289002C1

HOSE

ASSY, heat exchanger, RH

1шт.

12

1269275C3

SUPPORT

ASSY, hose

1шт.

13

350818R1

O-RING,0.984" ID x 0.139" Width

1 x 1-1/4 class 5

2шт.

14

1289004C1

FLANGE

split 3/4 tube

4шт.

26311R1

BOLT,Hex, 3/8" - 16 x 1 1/4", Gr 8

3/8 x 1-1/4 phc p/t type 8

8шт.

15

EXCHANGER ASSY, heat, Refer to front drive axle, axle housing & differential carrier listing, group 7

1шт.

16

1269129C1

SUPPORT

ASSY, oil cooler tubes clamp

1шт.

30021R1

BOLT,Hex, M10 x 1.5 x 30mm, Cl 10.9, Full Thd

PHC Hex, M10 x 30, 10.9, Full Thd

1шт.

933965R1

LOCK WASHER,M10

1шт.

30168R1

NUT,M10, Cl 10

M10 phc class 10

1шт.

17

1269248C1

CLAMP

tube

1шт.

18

224905C1

STRIP

PLATE, hose clamp

1шт.

30007R1

BOLT,Hex, M8 x 1.25 x 45mm, Cl 10.9

M8 x 45 phc class 10.9

1шт.

934309R1

LOCK WASHER,M8

WASHER, 8 mm lock

1шт.

19

1269248C1

CLAMP

tube

2шт.

20

224905R1

PLATE, tube clamp

1шт.

31060R1

BOLT, M8 x 70 phc cl 8.8 flg/hd

1шт.

30382R1

NUT,M8 x 1.25, Cl 10

M8 phc p/t class 10

1шт.

21

9403296

LOCK NUT,Blkhd, 1 1/16"-12

NUT, 3/4 C-Z bulkhead union lock

2шт.

22

1250085C2

HYDRAULIC HOSE

HOSE ASSY, oil cooler rear supply, To special fitting in top port of relief valve

1шт.

23

1250085C2

HYDRAULIC HOSE

HOSE ASSY, oil cooler rear return, To relief valve mtg bracket

1шт.

24

9403256

FITTING,Blkhd, 7/8"-14, 37 Degree x 7/8"-14, 37 Degree

UNION, 5/8 C-Z hyd fld tube bulkhead

1шт.

25

9403295

BHD LOCK NUT,Blkhd, 7/8"-14

NUT, 5/8 C-Z bulkhead union lock

1шт.

26

1269258C2

STRAP

oil cooler hose rubber tie down

1шт.

120392

WASHER,1/4", SAE

.281 x .625 x .051

1шт.

103384

COTTER PIN,1/8" x 3/4"

Pin, Split (Cotter), 1/8" x 3/4"

1шт.

Выбрано товаров: 36