Запчасти Case IH 7488 (07-36) - DRIVE TRAIN, PROPELLER SHAFT (04) - Drive Train

Схема запчастей Case IH 7488 - (07-36) - DRIVE TRAIN, PROPELLER SHAFT (04) - Drive Train
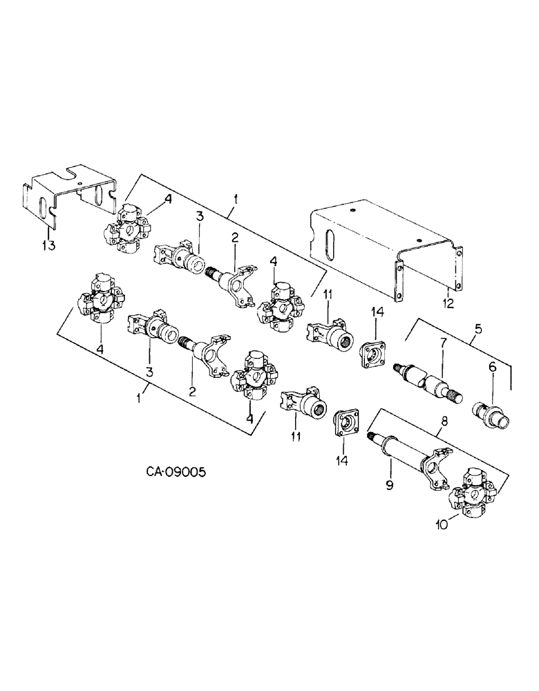
2
11
3
4
14
4
4
9
7
12
6
8
2
11
10
1
5
3
1
13
14
4
FIT
1:1
100%

Артикул

Название

Примечание

Количество

1

SHAFT ASSY, short slip, Serviced only by ordering piece parts from stock

2шт.

2

142134C1

YOKE

stub, 1 per shaft assy

1шт.

25705R1

BOLT,Hex, 3/8" - 24 x 1 3/4", Gr 8

3/8-NF x 1-3/4 phc type 8, 4 per yoke

1шт.

3

142135C1

YOKE

ASSY, slip, 1 per shaft assy

1шт.

25705R1

BOLT,Hex, 3/8" - 24 x 1 3/4", Gr 8

3/8-NF x 1-3/4 phc type 8, 4 per yoke

1шт.

219-8

LUBE NIPPLE,1/4" - 28 NPTF

NIPPLE, LUBE, 1/4"-28 NPT x .54" lg

2шт.

109461

LUBE NIPPLE,1/8"-27 x .66 lg

NIPPLE, LUBE, , PTF 1/8"-27 x .66 lg

2шт.

4

142136C1

U-JOINT SPIDER

SPIDER & BEARING ASSY, 2 per shaft assy

4шт.

25961DA

LUBE NIPPLE,1/8"-27 NPT x 1" lg, Leakproof

FITTING, 1/8 PTF short str lub

8шт.

109461

LUBE NIPPLE,1/8"-27 x .66 lg

NIPPLE, LUBE, , PTF 1/8"-27 x .66 lg

8шт.

5

SHAFT ASSY, engine drive, Serviced only by ordering piece parts from stock

1шт.

6

142137C2

SLEEVE

ASSY

1шт.

24861R1

BOLT,Hex, 1/2" - 13 x 1 1/4", Gr 8

6шт.

7

142138C2

TUBE,3 mm OD, 49.5 mm Length

ASSY

1шт.

25847R1

WASHER

1.062 x 2.000 x .209 hdn

1шт.

215617R1

LOCK NUT

1-20 pln p/t lock

1шт.

8

SHAFT ASSY, transfer case to axle, Serviced only by ordering piece parts from stock

1шт.

9

142139C1

TUBE,18.625" Length

ASSY

1шт.

25847R1

WASHER

1.062 x 2.000 x .209 hdn

1шт.

215617R1

LOCK NUT

1-20 pln p/t lock

1шт.

109461

LUBE NIPPLE,1/8"-27 x .66 lg

NIPPLE, LUBE, , PTF 1/8"-27 x .66 lg

4шт.

10

142136C1

U-JOINT SPIDER

SPIDER, bearing assy

1шт.

25705R1

BOLT,Hex, 3/8" - 24 x 1 3/4", Gr 8

3/8-NF x 1-3/4 phc type 8

4шт.

25961DA

LUBE NIPPLE,1/8"-27 NPT x 1" lg, Leakproof

FITTING, 1/8 PTF short str lub

4шт.

109461

LUBE NIPPLE,1/8"-27 x .66 lg

NIPPLE, LUBE, , PTF 1/8"-27 x .66 lg

4шт.

11

134416C1

YOKE

2шт.

25705R1

BOLT,Hex, 3/8" - 24 x 1 3/4", Gr 8

3/8-NF x 1-3/4 phc type 8

8шт.

12

142061C1

SHIELD

propeller shaft w/product graphic, front

1шт.

390305C1

WASHER

.406 x .812 x .065 hdn

4шт.

26311R1

BOLT,Hex, 3/8" - 16 x 1 1/4", Gr 8

3/8 x 1-1/4 phc p/t type 8

4шт.

64553C2

PRODUCT GRAPHIC

warning power

1шт.

13

146972C91

SHIELD

propeller shaft w/product graphic, rear

1шт.

30796R1

BOLT

BOLT, M8 x 16 phc p/t class 10.9

3шт.

30326R1

WASHER,M8 x 17.5 x 2, HT

8.8 x 17 x 2MM

3шт.

64553C2

PRODUCT GRAPHIC

warning power

1шт.

14

134417C92

FLANGED BEARING

ASSY, flanged, upper

1шт.

221-106

PIPE,Nipple, 1/8" NPT x 1 1/2"

NIPPLE, 1/8 x 1-1/2 pln long pipe

1шт.

20287R91

LUBE NIPPLE,1/8"-27 NPT x 1.12" lg, Fem

FITTING, 1/8 NPTF int thd 45D lub

1шт.

14

134417C92

FLANGED BEARING

ASSY, flanged, lower

1шт.

109461

LUBE NIPPLE,1/8"-27 x .66 lg

NIPPLE, LUBE, , PTF 1/8"-27 x .66 lg

1шт.

271723

SNAP RING,Hex, 5/8" - 11 x 2", Gr 5

5/8 x 2 type 5

8шт.

Выбрано товаров: 0