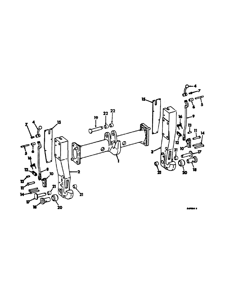
Запчасти Case IH 766 (09-22) - FRAME, THREE POINT HITCH QUICK COUPLER, CATEGORY III CONVERTIBLE TO CATEGORY II HITCH (12) - FRAME

Схема запчастей Case IH 766 - (09-22) - FRAME, THREE POINT HITCH QUICK COUPLER, CATEGORY III CONVERTIBLE TO CATEGORY II HITCH (12) - FRAME
20
16
5
15
7
16
6
18
21
17
20
11
10
14
11
9
14
10
13
3
21
8
18
4
5
15
17
12
19
13
22
2
6
22
21
4
1
21
12
7
FIT
1:1
100%

Артикул

Название

Примечание

Количество

401231R91

COUPLING

COUPLER ASSY, quick, composed of ref nos. 1 through 17, 21, 22 and attaching hardware

1шт.

1

401249R1

SECTION ASSY, center

1шт.

20611R1

BOLT,Hex, 5/8" - 11 x 2 1/4", Gr 8

SCREW, 5/8-11 x 2-1/4 znd hex-hd cap

4шт.

492-11062

BEARING WASHER,5/8"

WASHER, LOCK, 5/8"

4шт.

2

401250R1

ARM, side LH, category III

1шт.

3

401251R1

ARM, side RH, category III

1шт.

4

70644C1

LEVER

hitch

2шт.

549654R1

GRIP, hitch lever

2шт.

5

401252R1

PIN, hitch lever hinge

2шт.

103385

COTTER PIN,1/8" x 1"

PIN, SPLIT (COTTER), 1/8" x 1"

2шт.

6

401253R1

SPACER, lever pin

2шт.

7

401245R1

PIN, hitch lever link

2шт.

648002

KNIFE

1/8" x 3/4"

2шт.

8

401254R1

ROD ASSY, hitch LH, category III

1шт.

9

401255R1

ROD ASSY, hitch RH, category III

1шт.

10

401242R1

SUPPORT

PLATE ASSY, latch

2шт.

11

401246R1

PIN

locking latch hinge

2шт.

103385

COTTER PIN,1/8" x 1"

PIN, SPLIT (COTTER), 1/8" x 1"

2шт.

12

401243R1

CLEVIS

LINK, hitch lower

2шт.

13

401247R1

PIN, clevis slot

2шт.

648002

KNIFE

1/8" x 3/4"

4шт.

446548

WASHER,0.38" ID x 0.75" OD x 0.05" Thk

3/8 X 3/4 X .051 C-Z

4шт.

14

401215R1

PIN

lower link

4шт.

648002

KNIFE

1/8" x 3/4"

4шт.

15

401216R1

PLATE, farm front cover

2шт.

88542

BOLT,Hex, 1/4"-20 x 1/2", Gr 5

SCREW, 1/4 x 1/2 C-Z hex-hd cap

12шт.

492-11025

LOCK WASHER,1/4"

WASHER, LOCK, 1/4"

12шт.

16

401244R1

SPRING

double torsion

2шт.

17

401217R1

PIN

stud, category III

2шт.

17

401248R1

PIN

ASSY, stud, category II

2шт.

18

401232R1

ADAPTER

implement lower hitch pin

2шт.

21926R1

PIN,7/16" x 1 3/8", Coiled

2шт.

19

374132R1

PIN

upper hitch, category III

1шт.

20

401233R1

COLLAR

BUSHING, implement lower hitch pin, category III

2шт.

19998R1

PIN,1/2" x 2 1/2", Coiled

2шт.

21

401218R1

BUSHING

stud pin

4шт.

22

401256R1

BUSHING

upper hitch pin

2шт.

1001029R3

DECAL

PRODUCT GRAPHIC, IH

2шт.

Выбрано товаров: 38