Запчасти Case IH 766 (12-03) - POWER, AIR CLEANER AND CONNECTIONS, 766 DIESEL, 966 AND HYDRO 100 TRACTORS Power

Схема запчастей Case IH 766 - (12-03) - POWER, AIR CLEANER AND CONNECTIONS, 766 DIESEL, 966 AND HYDRO 100 TRACTORS Power
7
2
3
10
14
13
16
17
5
8
4
15
9
6
11
6
12
FIT
1:1
100%

Артикул

Название

Примечание

Количество

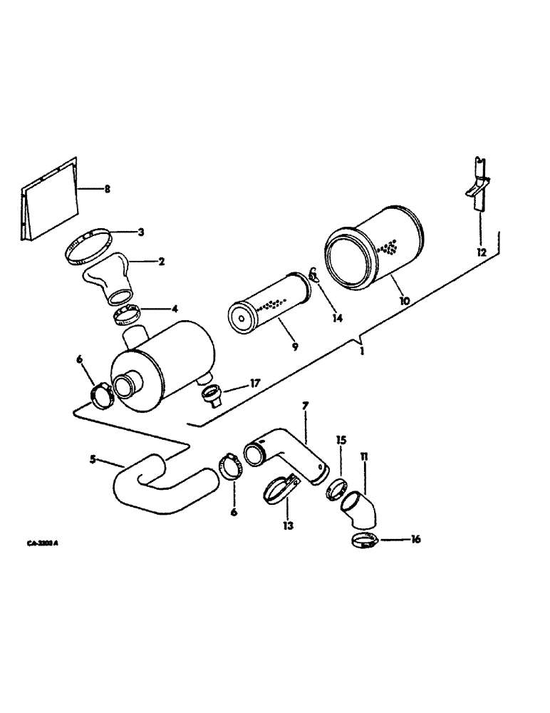
1

120163C91

FILTER

CLEANER ASSY, air

1шт.

102635

NUT,3/8"-16, G5

2шт.

2

66004C1

INTAKE AIR HOSE,3.00" ID, 4.00" ID

Air Cleaner Intake, 766 diesel tractors 3.00" ID, 4.00" ID

1шт.

2

532454R1

INTAKE AIR HOSE

HOSE, air cleaner intake, 966 and hydro 100 tractors

1шт.

3

427312R91

HOSE CLAMP,#100, 5.88/6.75 Type F Worm

CLAMP, intake hose front

1шт.

4

391671R91

HOSE CLAMP,#56, 3.06/4.00 Type F Worm

CLAMP, intake hose rear

1шт.

5

532449R1

INTAKE AIR HOSE

HOSE, air cleaner outlet

1шт.

6

397257R1

HOSE CLAMP,#52, 2.81/3.75 Type F Worm, W/liner

CLAMP, air cleaner outlet hose

2шт.

7

532456R21

PIPE CLAMP

PIPE ASSY, air cleaner outlet, replaces 532448R11

1шт.

8

532451R2

BAFFLE, pre-cleaner

1шт.

256873

BOLT,Hex Serr, 5/16" - 18 x 1/2", 5SPL, Full Thd

6шт.

9

529852R4

FILTER, ELEMENT

ELEMENT ASSY, safety

1шт.

10

529851R2

AIR FILTER

ELEMENT ASSY, primary

1шт.

11

532450R1

INTAKE AIR HOSE,82.50 mm ID x 105.60 mm

HOSE, intake manifold elbow

1шт.

12

71913C1

LOCK VALVE

LATCH ASSY, element, replaces 530480R1

1шт.

13

231828R1

CLAMP, air cleaner pipe support

1шт.

179814

SPACER

1шт.

14

389264R91

BOLT (SPREADER),Wing, 3/8" - 16, W/ Wshr, Gasket

BOLT ASSY, safety element

1шт.

15

397257R1

HOSE CLAMP,#52, 2.81/3.75 Type F Worm, W/liner

CLAMP, air intake manifold elbow hose upper

1шт.

16

400446R1

HOSE CLAMP,#56, 3.06/4.00 Type F Worm, W/liner

CLAMP, air intke manifold elbow hose lower

1шт.

17

383734R2

VALVE

dust unloader

1шт.

Выбрано товаров: 21