Запчасти Case IH 886 (08-08) - ELECTRICAL, CRANKING MOTOR, DELCO REMY (06) - ELECTRICAL

Схема запчастей Case IH 886 - (08-08) - ELECTRICAL, CRANKING MOTOR, DELCO REMY (06) - ELECTRICAL
16
19
40
4
26
45
30
22
42
37
38
47
41
20
17
34
24
36
11
14
13
8
32
18
12
6
29
1
21
23
35
5
43
2
10
31
28
33
15
27
7
49
17
25
46
3
6
48
39
44
9
FIT
1:1
100%

Артикул

Название

Примечание

Количество

1113439

MOTOR, ELECTRIC

MOTOR ASSY, cranking, 107365C91

1шт.

104210A1R

REMAN-STARTER

966 ASN 32038 Delco 1113439

1шт.

104210A1C

CORE-STARTER

Return Number

1шт.

104208A1R

REMAN-STARTER

966 BSN 32039

1шт.

104208A1C

CORE-STARTER

Return Number

1шт.

104254A1R

REMAN-STARTER

Remanufactured Starter 12 volt, 35MT intertia (Uses 60° Nose clocking, do not use 104210A1R at 30°)

1шт.

104254A1C

CORE-STARTER

Return Number, Starter 12 volt, 35MT inertia

1шт.

87297332

REMAN-STARTER

Starter

1шт.

87297333

CORE-STARTER

Return Number

1шт.

87297336

REMAN-STARTER

Remanufactured Starter

1шт.

87297337

CORE-STARTER

Return Number

1шт.

601924C1

BOLT,3/8"

SCREW, 3/8 x 1.000 pln ast 12 pt flg

3шт.

124829

JAM NUT,Hex, 3/8" - 16, Gr 5

NUT, Jam, 3/8"-16, G5

1шт.

180358

LOCK WASHER,Int Tooth, 3/8", Hvy

WASHER, 3/8 HV int. tooth lock

1шт.

120614

NUT,Hex, #10 - 32

NUT, #10-32

1шт.

120217

LOCK WASHER,#10

WASHER, LOCK, #10

1шт.

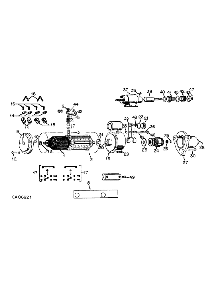
1

1852981

ARMATURE

ARMATURE

1шт.

2

1852985

COIL

SPARE PART COIL, field, 4 coils

1шт.

3

1950561

STUD

STUD, coil terminal

1шт.

4

1922457

WASHER

WASHER, coil terminal stud insulated

2шт.

5

1914647

WASHER

WASHER, coil terminal stud plain

1шт.

6

9414418

NUT

NUT, coil terminal stud

2шт.

7

1965472

PACKAGE

PACKAGE, coil terminal stud insulating bushing

1шт.

8

1914873

INSULATOR

INSULATION, field coil

2шт.

9

1891925

FRAME

FRAME, commutator end

1шт.

1891929

WICK

WICK, commutator end frame oil

1шт.

10

1891927

BUSHING

BUSHING, commutator end frame

1шт.

11

1940477

HOLDER

HOLDER, commutator brush ground

2шт.

12

114-1

BOLT,Hex, 1/4" - 28 x 1", Gr 5

BOLT, , Commutator end frame (Replaces 1924869) Hex, 1/4"-28 x 1", G5

4шт.

13

1914842

WASHER

WASHER, commutator end frame wear

1шт.

14

1906987

BRUSH

BRUSH, commutator

4шт.

15

1950546

HOLDER

HOLDER, commutator brush insulated

2шт.

16

1959514

SCREW

SCREW, commutator brush holder

4шт.

17

1877164

COMMUTATOR BRUSH

PACKAGE, commutator brush support

2шт.

18

1945620

SPRING

SPRING, commutator brush

2шт.

19

1851986

HOUSING

SPARE PART HOUSING, brake lever

1шт.

1916439

WICK

WICK, brake lever housing oil

1шт.

20

1933999

BUSHING

BUSHING, brake lever housing

1шт.

21

1945356

PLUG

PLUG, brake lever housing inspection

1шт.

22

1964857

GASKET

GASKET, brake lever housing inspection plug

1шт.

23

821453

WASHER

brake lever housing

1шт.

24

1877350

DRIVE

DRIVE, clutch motor

1шт.

25

1928022

SNAP RING

RING, pinion stop retainer

1шт.

26

1851546

COLLAR

COLLAR, pinion stop, replaces 1928021

1шт.

27

830711

HOUSING

HOUSING, drive end

1шт.

1916439

WICK

WICK, drive end housing oil

1шт.

28

1955994

BUSHING

BUSHING, drive end housing oil

1шт.

29

1914869

SCREW

SCREW, lever housing

5шт.

30

1870513

SCREW

SCREW, drive end housing

6шт.

31

1851959

SPACER

WASHER, brake lever housing & armature

1шт.

32

1851971

CONNECTOR, ELEC

CONNECTOR CONNECTOR, (not serviced separately)

1шт.

33

1851954

LEVER

LEVER, shift

1шт.

34

1851953

SHAFT

SHAFT, shift lever

1шт.

35

1914373

O-RING

O-RING, shift lever shaft 15/64

1шт.

36

1921805

GASKET

O-RING, shift lever shaft 1/2

1шт.

37

1115530

IGNITION SWITCH

SWITCH, solenoid, optional w/121904C1

1шт.

37

121904C1

SOLENOID SWITCH

SWITCH, solenoid, optional w/1115530

1шт.

38

1930611

LOCK SCREW

SCREW AND LOCKWASHER, solenoid switch

4шт.

39

1851966

PLUNGER

PLUNGER, solenoid switch

1шт.

40

1948519

WASHER

WASHER, solenoid switch spring retainer

1шт.

41

801077

BOOT

BOOT, solenoid switch plunger

1шт.

42

1948521

SPRING

SPRING, plunger return

1шт.

43

1948526

RETAINER

RETAINER, plunger spring 13/32 hole

1шт.

44

9421427

WASHER

WASHER, terminal stud lock

1шт.

45

1948520

RETAINER

RETAINER, plunger spring, 1-13/64 hole

1шт.

46

9415235

RING, SNAP

RING SNAP RING, shift lever shaft pin snap

1шт.

47

9415235

RING, SNAP

RING SNAP RING, shift lever spring retainer snap

1шт.

48

1851995

NUT

NUT, plunger rod guide adj

1шт.

49

1968396

SCREW

SCREW, commutator pole shoe

8шт.

Выбрано товаров: 69