Запчасти Case IH 886 (10-45) - HYDRAULIC, DOUBLE AUXILIARY VALVES, OPEN CENTER (07) - HYDRAULICS

Схема запчастей Case IH 886 - (10-45) - HYDRAULIC, DOUBLE AUXILIARY VALVES, OPEN CENTER (07) - HYDRAULICS
3
27
15
2
19
5
24
28
1
25
14
2
21
20
13
22
7
12
21
26
16
8
19
11
20
8
12
2
21
25
6
2
20
23
21
21
4
20
24
10
9
21
1
4
21
22
17
5
18
6
21
3
19
19
FIT
1:1
100%

Артикул

Название

Примечание

Количество

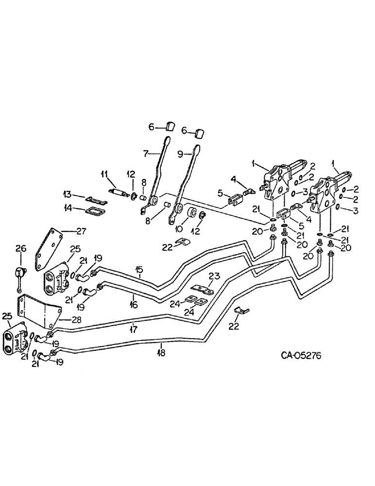
1

62464C94

VALVE

ASSY, aux control, 2250 PSI, 1086 and 1486 tractors, refer to open center control valve this group for list of components

2шт.

1

62463C94

VALVE, CHECK

VALVE ASSY, aux control, 2000 PSI, 786, 886 and 986 tractors, refer to open center control valve this group for list of components

2шт.

24916R1

BOLT,Hex, 3/8" - 16 x 4 3/4", Gr 8

SCREW, 3/8-16 x 4-3/4 hex-hd cap type 8

4шт.

2

20947R1

O-RING,0.103" Thk x 0.799" ID, -117, Cl 6, 90 Duro

13/16 x 1 x 3/32

4шт.

3

383219R1

O-RING,0.924" ID x 0.103" Width

15/16 x 1-1/8 x 3/32

2шт.

4

104230C1

ROD

aux valve operating

2шт.

103338

WASHER,#10

.219 x .500 x .049 flat

2шт.

103361

PIN, SPLIT (COTTER)

PIN, 1/16 x 1/2 cotter

2шт.

118625

NUT

3/8-24 hex. jam

2шт.

5

104543C1

CLEVIS COUPLING,3/8" - 24

CLEVIS, valve rod

2шт.

865197R1

CLEVIS PIN,3/8" x 1.218"

PIN, 3/8 headed clevis

2шт.

103373

COTTER PIN,3/32" x 3/4"

Pin, Split (Cotter), 3/32" x 3/4"

2шт.

6

1259760C1

BALL KNOB

KNOB, aux. valve control, replaces 120197C2

2шт.

7

104539C91

HANDLE

ASSY, first aux valve

1шт.

8

104542C1

BUSHING,19.07mm ID x 20.68mm OD x 18.29mm L

handle

2шт.

9

104231C91

HANDLE

ASSY, second aux valve

1шт.

10

104544C1

SPACER

handle hub

1шт.

11

104532C2

SHAFT

control pivot

1шт.

179837

BOLT,Hex, 3/8" - 16 x 3/4", Gr 5

2шт.

12

661652R1

SNAP RING,#75, Ext

Control handle #75, Ext

2шт.

16066R1

WASHER

SPACER, aux valve handle/inner and outer

1шт.

13

RETAINER, control platform seal, order 135877C1

1шт.

14

135877C1

SEAL

control platform, replaces 104535C1 and 104533C1

1шт.

15

104614C1

HYD TUBE

TUBE ASSY, 1st valve raise

1шт.

16

104615C2

HYD TUBE

TUBE ASSY, 1st valve drop

1шт.

17

104616C1

HYD TUBE

TUBE ASSY, 2nd valve raise

14шт.

18

104617C1

HYD TUBE

TUBE ASSY, 2nd valve drop

1шт.

19

9410978

ELBOW,90 Degree, 7/8"-14, 37 Degree x 7/8"-14, O-Ring

7/8-14 37 deg hyd flared tube adj str thd 90 deg

4шт.

20

9410204

HYD CONNECTOR,7/8"-14, 37 Degree x 7/8"-14, O-Ring

CONNECTOR, 7/8-14 37 deg hyd flared tube

4шт.

21

364885R1

O-RING,0.097" Thk x 0.755" ID, -910, Cl 6, 90 Duro

5/8 OD tube

8шт.

22

486004R1

CLAMP

aux valve tubes

2шт.

23

104796C1

PLATE

isomount, aux valve tubes

1шт.

24

104799C1

STRIP

isomount

2шт.

180137

BOLT,Hex, 3/8" - 16 x 2 3/4", Gr 5

SCREW, 3/8-16 x 2-3/4 hex-hd cap

1шт.

120382

LOCK WASHER,Helical Spring, 3/8"

WASHER, LOCK, 3/8"

1шт.

102635

NUT,3/8"-16, G5

1шт.

25

544786R95

COUPLING, BREAK AWAY

COUPLER ASSY, female, refer to female coupler this group for list of components

2шт.

26

64757C1

PLUG

ASSY, coupler dust

4шт.

27

535033R3

BRACKET

coupler LH

1шт.

28

1259805C1

BRACKET

coupler RH, replaces 104317C1 by also ordering tube assy 104615C22

1шт.

179880

BOLT,Hex, 1/2" - 13 x 7/8", Gr 5

SCREW, 1/2-13 x 7/8 hex-hd cap

4шт.

271556

WHEEL CYLINDER,Hex, 5/8" - 11 x 1 1/4", Gr 5

SCREW, 5/8-11 x 1-1/4 hex-hd cap

4шт.

Выбрано товаров: 42