Запчасти Case IH 886 (10-58) - HYDRAULIC, OPEN CENTER CONTROL VALVE (07) - HYDRAULICS

Схема запчастей Case IH 886 - (10-58) - HYDRAULIC, OPEN CENTER CONTROL VALVE (07) - HYDRAULICS
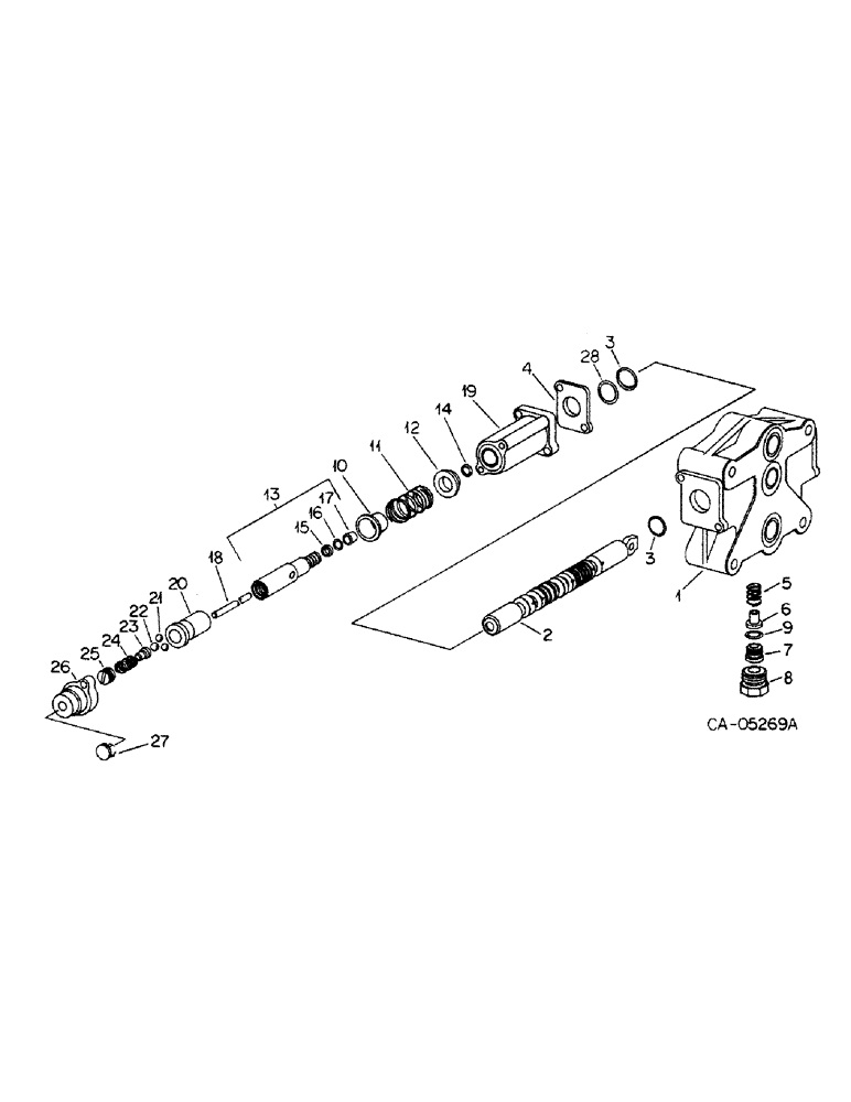
17
6
1
8
24
27
26
7
25
2
12
3
28
5
13
14
19
10
23
15
21
18
16
11
3
4
22
9
20
FIT
1:1
100%

Артикул

Название

Примечание

Количество

62463C94

VALVE, CHECK

VALVE ASSY, open center control, hyd unlatch 1750-2000 PSI

1шт.

62464C94

VALVE

ASSY, open center control, hyd unlatch 2000-2250 PSI

1шт.

1

BODY ASSY, valve, (not serviced separately) order valve assy

1шт.

2

SPOOL, valve, (not serviced separately) order valve assy

1шт.

3

350429R1

O-RING,0.103" Thk x 0.612" ID, -114, Cl 5, 75 Duro

5/8 x 13/16 x 3/32 valve spool

2шт.

4

62469R1

RETAINER, o-ring, used w/62463C92 and 62464C92

1шт.

4

1252320C1

RETAINER

o-ring, used w/62463C94 and 62464C94

1шт.

5

62470C1

SPRING

check valve

1шт.

6

108867C1

VALVE POPPET

POPPET, reverse flow check valve

1шт.

7

108868C1

SEAT

reverse flow check valve

1шт.

8

9410359

PLUG

1/2 C-Z str thd o-ring boss

1шт.

9

570828R1

O-RING,0.087" Thk x 0.644" ID, -908, Cl 6, 90 Duro

1/2 OD tube class 6

1шт.

10

62471C1

SPRING CUP

CUP, centering spring

1шт.

11

62472C1

SPRING

centering

1шт.

12

62473C2

RETAINER

centering spring

1шт.

13

62474C91

BODY

ACTUATOR ASSY, centering spring

1шт.

14

379795R1

O-RING,0.064" Thk x 0.301" ID, -903, Cl 6, 90 Duro

3-1, .301" ID x .064" Thk, 3/16 OD tube

1шт.

15

529903R1

WASHER

back-up

1шт.

16

21587R1

O-RING,0.07" Thk x 0.114" ID, -6, Cl 6, 90 Duro

1/8 x 1/4 x 1/16, centering spring actuating

1шт.

17

529904R1

RETAINER

o-ring

1шт.

18

529905R1

PISTON

unlatching

1шт.

19

62478C1

HOUSING

sleeve

1шт.

26629R1

12 PT SCREW,Flg, 1/4" - 20 x 1"

SCREW, 1/4-20 x 1 in. 12 PT flange PHC grade 8

2шт.

20

128034C1

SLEEVE

position control

1шт.

21

17007R1

BALL

7/32 cr-stl detent

3шт.

22

17013R1

BALL,13/32" Dia

Detent actuating 13/32" Dia

1шт.

23

62480C1

WASHER

detent actuating ball

1шт.

24

1272204C1

SPRING

detent, replaces 114032C1

1шт.

25

377803R1

PLUG

SCREW, spring retaining adj.

1шт.

26

62482C1

CAP

retaining

1шт.

26629R1

12 PT SCREW,Flg, 1/4" - 20 x 1"

SCREW, 1/4-20 x 1 in. 12 PT flange PHC grade 8

2шт.

27

432539

HOLE PLUG BUTTON,7/16"

PLUG, 7/16 stl button

1шт.

28

1263497C1

WASHER,16.02mm ID x 20.32mm OD x 0.51mm Thk

RING, back-up used w/1252320C1

1шт.

Выбрано товаров: 33