Запчасти Case IH 886 (07-17) - DRIVE TRAIN, DIFFERENTIAL LOCK ATTACHMENT (04) - Drive Train

Схема запчастей Case IH 886 - (07-17) - DRIVE TRAIN, DIFFERENTIAL LOCK ATTACHMENT (04) - Drive Train
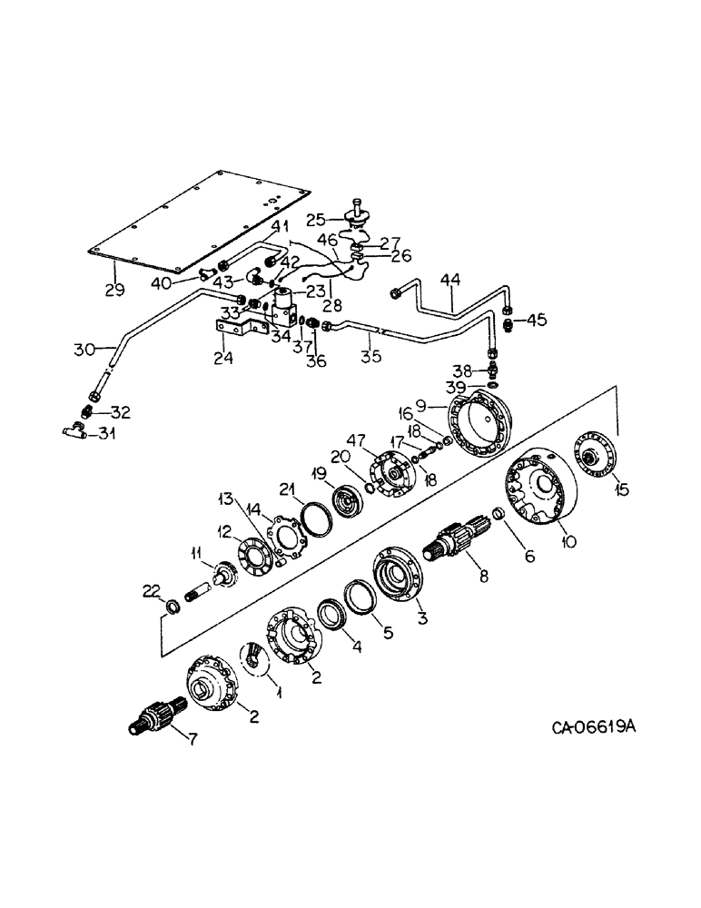
39
31
6
5
33
41
40
27
44
12
18
46
29
14
19
36
11
10
9
45
23
34
35
38
2
13
4
16
3
26
21
22
32
17
2
42
15
28
7
30
1
8
24
18
37
20
43
25
47
FIT
1:1
100%

Артикул

Название

Примечание

Количество

1

529022R2

GEAR

differential bevel RH, 28T

1шт.

2

529023R2

CASE

ASSY, differential, 786, 886 and 986 tractors, except 986 hi-clear

1шт.

2

534532R2

CASE

ASSY, differential, 986 hi-clear tractor

1шт.

2

528706R3

CASE

ASSY., differential, 1086 & 1486

1шт.

3

68684C1

RETAINER

differential brg RH, 786, 886 and 986 tractors, except 986 hi-clear

1шт.

3

68678C1

RETAINER

differential brg RH, 986 hi-clear tractors

1шт.

4

ST2104

BEARING ASSY

RH roller cone, 786, 886 and 986 tractors, except 986 hi-clear

1шт.

4

622336C1

ROLLER BEARING,84.99mm ID x 30mm W

BEARING ASSY., RH roller cone, 1086 & 1486

1шт.

5

ST986

TAPERED BEARING,133.35mm OD x 22.28mm W

BEARING, RH roller cup, 786, 886 and 986 tractors, except 986 hi-clear

1шт.

5

A63171

BEARING CUP,85 mm ID x 130 mm OD x 30.2 mm

BEARING, RH roller cup, 1086 & 1486

1шт.

6

283375R91

NEEDLE BEARING

ASSY, needle

1шт.

7

104677C1

SHAFT

bull pinion and brake LH, 786, 886 and 986 tractors

1шт.

7

104676C1

SHAFT

bull pinion and brake LH, 1086 and 1486 tractors

1шт.

8

104702C1

SHAFT

bull pinion and brake RH, 786, 886 and 986 tractors

1шт.

8

104680C1

SHAFT

bull pinion and brake RH, 1086 and 1486 tractors

1шт.

9

104667C1

COVER

diff lock

1шт.

10

104668C2

HOUSING

RH brake diff lock

1шт.

104706C1

BOLT

BOLT, diff lock cover

4шт.

NLS

NO LONGER SERVICED

5/8 x 4 pln type 5

2шт.

11

104669C1

SHAFT

inner

1шт.

12

71914C92

PACKAGE

diff lock service, also furnish tube loctite 474517C2, consists of (6) disc clutch driven (NSS), (7) plate, clutch driven (NSS), (1) o-ring, clutch piston inner 350818R1, (1) o-ring, clutch piston outer 22412R1, (2) o-ring 7/16 x 5/8 x 3/32 35596

1шт.

13

104670C1

BUSHING

diff lock stop, spacer

3шт.

14

104705C1

PLATE

diff lock clutch primary

1шт.

15

104671C91

HOUSING

ASSY, piston, consists of (1) housing (NSS), (1) carrier (NSS)

1шт.

20040R1

DOWEL,1/4" x 3/4"

PIN

2шт.

9409954

PLUG,Hex Soc, 1/16"-27

1шт.

179806

BOLT,Hex, 1/4" - 20 x 2 1/4", Gr 5

1/4 x 2-1/4 pln type 5

6шт.

16

104673C1

THRUST WASHER

thrust

1шт.

17

104714C1

SPOOL

diff lock feed

1шт.

18

355966R1

O-RING,0.424" ID x 0.103" Width

7/16 x 5/8 x 3/32

2шт.

19

104674C1

PISTON

diff lock

1шт.

20

350818R1

O-RING,0.984" ID x 0.139" Width

1 x 1-1/4 x 1/8

1шт.

21

22412R1

O-RING,0.139" Thk x 4.734" ID, -248, Cl 5, 75 Duro

-248, 70 Duro, 4.734" ID x .139" Thk

1шт.

22

269916R1

SNAP RING,#212, Ext

Ring, Snap, #212, Ext

1шт.

23

VALVE ASSY, block and solenoid, consists of

1шт.

138173C1

BODY

block

1шт.

For use w/pow-r-oil hyds. valve #96200

1шт.

138172C94

VALVE

ASSY, solenoid

1шт.

For use w/pow-r-oil hyds. valve #96200

1шт.

570828R1

O-RING,0.087" Thk x 0.644" ID, -908, Cl 6, 90 Duro

1/2 OD tube

1шт.

For use w/pow-r-oil hyds. valve #96200

1шт.

391914R1

O-RING,0.07" Thk x 0.426" ID, -13, Cl 6, 90 Duro

7/16 x 9/16 x 1/16

1шт.

For use w/pow-r-oil hyds. valve #96200

1шт.

382997R1

O-RING,0.07" Thk x 0.489" ID, -14, Cl 6, 90 Duro

1/2 x 5/8 x 1/16

1шт.

For use w/pow-r-oil hyds. valve #96200

1шт.

224391C91

VALVE

ASSY, solenoid

1шт.

For use w/Gould Inc. valve #SK2365B

1шт.

224392C1

BODY

block

1шт.

For use w/Gould Inc. valve #SK2365B

1шт.

224393C1

PACKAGE

KIT, seal

1шт.

For use w/Gould Inc. valve #SK2365B

1шт.

24

139005C2

BRACKET

ASSY, diff lock solenoid

1шт.

179801

BOLT,Hex, 1/4" - 20 x 1 1/2", Gr 5

2шт.

26309R1

BOLT,Hex, 3/8" - 16 x 3/4", Gr 8

3/8 x 3/4 PHC p/t type 8

2шт.

25

131332C2

IGNITION SWITCH

SWITCH ASSY, diff lock actuating

1шт.

180018

CONNECTING LINK

1/4 x 5/8 type 5

2шт.

492-11025

LOCK WASHER,1/4"

WASHER, LOCK, 1/4"

2шт.

120375

NUT,Hex, 1/4" - 20, Gr 5

2шт.

26

139136C1

CABLE

ASSY, fuse block to diff lock switch junction

1шт.

27

139137C1

CABLE

ASSY, diff lock switch junction

1шт.

28

139138C1

CABLE

ASSY, diff lock to solenoid grd

1шт.

29

104165C2

PLATFORM

PLATE, sub-frame platform, replaces 137762C1

1шт.

30

139008C1

TUBE

ASSY, diff lock valve supply

1шт.

31

673526R1

TEE

3/4-16 37 deg hyd flared tube

1шт.

32

9403400

REDUCER,37 Degree, 1/2" x 3/8" Tube

1/2 x 3/8 37 deg hyd flared

1шт.

9403528

TUBE NUT,37 Degree, 3/4"-16, Type B

NUT, 3/4-16 37 deg hyd flared

1шт.

33

9410202

HYD CONNECTOR,9/16"-18, 37 Degree x 9/16"-18, O-Ring

CONNECTOR, 9/16-18 37 deg hyd flared

1шт.

34

364839R1

O-RING,0.078" Thk x 0.468" ID, -906, Cl 6, 90 Duro

6-1, 90 Duro, .468" ID x .078" Thk, 3/8 OD tube

1шт.

35

139007C2

HYD TUBE

TUBE ASSY, diff lock pressure

1шт.

36

157519C1

HYD CONNECTOR,7/16"-20, 37 Degree x 9/16"-18, O-Ring

REDUCER, 1/4 x 3/8 37 deg hyd flared tube

1шт.

37

364839R1

O-RING,0.078" Thk x 0.468" ID, -906, Cl 6, 90 Duro

6-1, 90 Duro, .468" ID x .078" Thk, 3/8 OD tube

1шт.

38

9410200

HYD CONNECTOR,7/16" - 20 JIC x 7/16" - 20 ORB

CONNECTOR, 1/4 C-Z hyd fld short swivel

1шт.

40

9403098

TEE,9/16"-18, 37 Degree x 1/4"-18, NPTF Run

1/4-18 37 deg hyd flared tube 90 deg two-way

1шт.

41

139006C1

HYD TUBE

TUBE ASSY, diff lock dump

1шт.

42

364839R1

O-RING,0.078" Thk x 0.468" ID, -906, Cl 6, 90 Duro

6-1, 90 Duro, .468" ID x .078" Thk, 3/8 OD tube

1шт.

43

9410976

ELBOW,90 Degree, 9/16"-18, 37 Degree x 9/16"-18, O-Ring

9/16-18 x 3/8 tube 37 deg

1шт.

44

120245C1

HYD TUBE

TUBE ASSY, brake lube RH

1шт.

45

120333C2

CONNECTOR, ELEC

CONNECTOR, brake orifice

1шт.

46

139153C1

CABLE

ASSY, diff lock, Serial Range: switch-solenoid

1шт.

47

NSS

NOT SOLD SEPARAT

CARRIER, diff lock, (not serviced separately) order housing assy 104671C91

1шт.

474517C2

GASKET

TUBE, gasket eliminator, loctite

1шт.

39

369751R1

O-RING,0.072" Thk x 0.351" ID, -904, Cl 6, 90 Duro

4-1, 90 Duro, .351" ID x .072" Thk, 1/4 OD tube

1шт.

Выбрано товаров: 82