Запчасти Case IH 920 (06) - DIESEL ENGINE, MULTI-PLUNGER FUEL PUMP, SERIAL NO. 8141036 AND AFTER (02) - ENGINE

Схема запчастей Case IH 920 - (06) - DIESEL ENGINE, MULTI-PLUNGER FUEL PUMP, SERIAL NO. 8141036 AND AFTER (02) - ENGINE
FIT
1:1
100%

Артикул

Название

Примечание

Количество

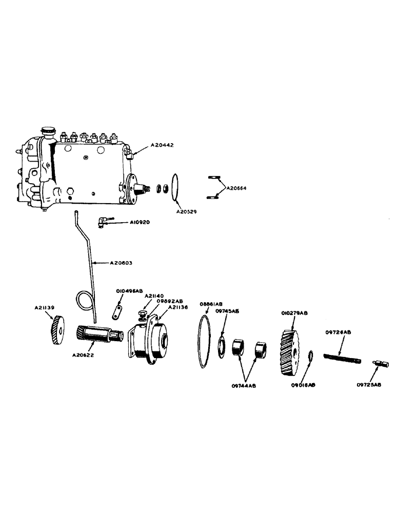
A10920

FITTING - lube oil overflow

1шт.

A20442

X

FUEL PUMP - Robert Bosch multi-power No. PES-6A-80B-420LS-402/11 (1500RPM)

1шт.

3/8 x 1-1/2" fin. hex bolt w/plain washer and int. lockwasher #1220-00

2шт.

A20529

O-RING,2.598" ID x 2.834" OD

"O" RING - fuel pump to housing

1шт.

A20603

TUBE - fuel pump lube oil overflow

1шт.

A20622

GEAR

SHAFT AND PINION - fuel pump drive

1шт.

#141 Woodruff key

1шт.

A20664

STUD - fuel, Serial Range: pump-housing

2шт.

3/8" fin. hex nut N.F. w/plain washer and int. shakeproof lockwasher #1220-00

2шт.

A21136

HOUSING - fuel pump drive shaft, w/bushings

1шт.

3/8" X 1-1/4" fin. hex bolt NC w/lockwasher

2шт.

3/8" x 1-1/4" hex socket hd. bolt NC w/lockwasher

1шт.

A21137

HOUSING - use A21136

1шт.

A21139

GEAR

- fuel pump drive (fastens to fuel pump)

1шт.

A21140

PLUG

- timing hole

1шт.

O8861AB

X

O-RING - drive shaft housing

1шт.

O9016AB

X

SNAP RING - drive shaft

1шт.

O9725AB

X

PLUNGER - drive shaft

1шт.

O9726AB

X

SPRING - drive shaft thrust plunger

1шт.

O9744AB

BUSHING - drive shaft housing

2шт.

O9745AB

X

WASHER - drive shaft thrust

1шт.

O9892AB

STUD

GASKET - timing hole plug

1шт.

O10279AB

X

GEAR - fuel pump drive (fastens to pinion shaft)

1шт.

O10496AB

CLIP - fuel oil leak-off tube

1шт.

3/8" x 1-1/4" fin. hex bolt (NC)

2шт.

3/8" plain washer

2шт.

Выбрано товаров: 26