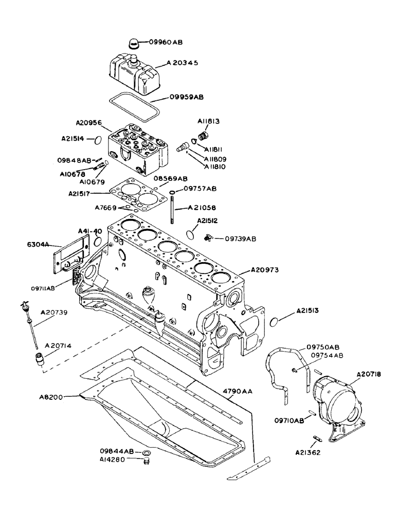
Запчасти Case IH 930 (2-004) - DIESEL ENGINE, CYLINDER HEAD AND CYLINDER BLOCK, CYLINDER HEAD (02) - ENGINE

Схема запчастей Case IH 930 - (2-004) - DIESEL ENGINE, CYLINDER HEAD AND CYLINDER BLOCK, CYLINDER HEAD (02) - ENGINE
FIT
1:1
100%

Артикул

Название

Примечание

Количество

A7669

RING

- rubber, for A21517 cylinder head gasket

6шт.

A10678

STUD

- nozzle holder, large

6шт.

A10679

GASKET

- for A10678 nozzle holder stud

6шт.

A20345

COVER - cylinder head

3шт.

A20956

HEAD (CYLINDER)

HEAD - cylinder, w/valve guides and inserts

3шт.

A20957

HEAD - cylinder (use A20956)

1шт.

A21058

BOLT

- cylinder head

27шт.

9/16" N.F. hex. nut

27шт.

A21514

X

PLUG - cup, cylinder head (1-5/8")

6шт.

A21517

CYLINDER HEAD GASKET

- cylinder head (see A22346 gasket kit)

3шт.

O8569AB

X

"O" RING - in cylinder head gasket for oil passage

3шт.

O9757AB

X

WASHER - cylinder head stud

27шт.

O9848AB

X

STUD - nozzle holder, small

6шт.

3/8" N.F. hex. nut

6шт.

O9959AB

X

GASKET - cylinder head cover (see A22346 gasket kit)

3шт.

O9960AB

X

BREATHER - cylinder head cover

3шт.

A11809

X

BODY - powrcel, see Figure 1 of supplement

6шт.

A11810

PIN,3.19mm OD x 6.99mm L

- locating body, powrcel, see Figure 1 of supplement

6шт.

A11811

CAP - powrcel, see Figure 1 of supplement

6шт.

A11812

CLAMP

- powrcel, see Figure 1 of supplement

6шт.

A11813

PLUG

SCREW - powrcel clamp, see Figure 1 of supplement

6шт.

A41-40

WELCH PLUG - 2-1/2" for camshaft hole in cylinder block

1шт.

A222-40

ELBOW - #69FL, 90 degree (1/8" tube x 1/8" P.T.) in block for oil gauge, cylinder

1шт.

A20714

X

SOCKET - lube oil level gauge, cylinder block

1шт.

A20739

GAUGE

- lube oil level bayonet, cylinder block

1шт.

A20973

X

BLOCK - cylinder w/bearing cap, camshaft bushings and plugs, cylinder block

1шт.

A20975

BLOCK - cylinder (use A20973)

1шт.

A21512

X

PLUG - cup, 1-3/8", for cylinder block

1шт.

A21513

X

PLUT - cup, 1-3/4", for cylinder block

1шт.

4641AA

CONDUIT - generator and headlamp wires and temp. gauge tube, cylinder block

1шт.

5/16" x 1/2" N.C. hex. bolt w/lockwasher, cylinder block

2шт.

O9739AB

X

VALVE - water drain, cylinder block

1шт.

VT3399

WELCH PLUG - 1", for cylinder block

1шт.

A8200

PAN - oil

1шт.

3/8" x 7/8" N.C. hex. bolt w/lockwasher, oil pan

34шт.

A14280

PLUG

- drain, oil pan

1шт.

6304A

BAFFLE - oil pan, rear

1шт.

3/8" x 1-1/8" N.C. hex. bolt w/lockwasher, oil pan

2шт.

4790AA

X

GASKET KIT - oil pan

1шт.

O9711AB

X

GASKET - for 6304A baffle, oil pan

1шт.

O9844AB

X

GASKET - drain plug, oil pan

1шт.

A20718

COVER - timing gear w/thrust button

1шт.

3/8" x 1" N.C. hex. bolt w/lockwasher, timing gear cover

2шт.

3/8" x 2-1/2" N.C. hex. bolt w/lockwasher, timing gear cover

8шт.

A20719

COVER

- timing gear (use A20718)

1шт.

A21362

CLIP

POINTER - timing gear cover

1шт.

1/4" x 1/2" N.C. hex. bolt w/shakeproof int.-ext. lockwasher #4014-20, timing gear cover

2шт.

O9710AB

PIN - dowel, timing gear cover

2шт.

O9750AB

X

GASKET - timing gear cover

1шт.

O9754AB

BUTTON - thrust, timing gear cover

1шт.

Выбрано товаров: 50