Запчасти Case IH 930-SERIES (122) - A23546 HYDRAULIC CYLINDER (08) - HYDRAULICS

Схема запчастей Case IH 930-SERIES - (122) - A23546 HYDRAULIC CYLINDER (08) - HYDRAULICS
14
5
3
19
16
17
18
21
11
22
26
24
2
12
25
23
9
7
27
4
13
8
10
20
6
7
15
1
FIT
1:1
100%

Артикул

Название

Примечание

Количество

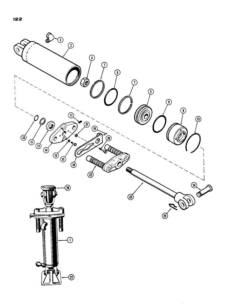
1

G31945

HYDRAULIC CYLINDER

CYLINDER ASSY. - hyd. (4 x 8") (Replaces A23546), Includes Ref: 2 - 27

1шт.

2

4248AA

BODY AND HEAD

1шт.

3

221-1414

ELBOW,90 Degree, 1/2"-14, NPT

- hydraulic lines (90deg. street)

2шт.

4

131-369

LOCK NUT,7/8"-14, GA

NUT - piston ret. (7/8" N.F. self locking)

1шт.

5

A23534

PISTON - cylinder

1шт.

6

O8364AB

O-RING,0.21" Thk x 3.6" ID, -342, Cl 5, 75 Duro

"O" RING - piston

1шт.

7

A23535

OIL SEAL

RING - "O" ring back-up

2шт.

8

A23554

HEAD - cylinder

1шт.

9

O8365AB

X

"O" RING - head, outer

1шт.

10

O8346AB

X

"O" RING - head, inner (1-1/8" x 1-3/8" x 1/8")

1шт.

11

A23553

RING

- "O" ring back-up

1шт.

12

A23537

OIL SEAL,28.57mm ID x 46.582mm OD x 6.35mm Thk

SEAL - oil, piston rod wiper (1-1/8 x 1-27/32 x 1/4")

1шт.

13

O9265AB

X

RING - snap, head ret.

1шт.

14

O8354AB

GUIDE - limit stop pin

1шт.

15

13-520

BOLT,Hex, 5/16" - 18 x 1-1/4", Gr 5

- guide ret. (5/16 x 1-1/4" N.C. hex.)

2шт.

16

92-5

LOCK WASHER,5/16"

2шт.

17

O8602AB

X

SPRING - limit stop latch

1шт.

18

3859AA

X

LATCH ASSY. - limit stop, Includes Ref: 19

1шт.

19

138-128

LOCK PIN,1/4" x 5/8", Slotted

PIN, , Spring guide 1/4" x 5/8", Slotted

1шт.

20

O8601AB

X

SCREW - latch retaining

2шт.

21

193-82

LOCK WASHER,Int Tooth, 5/16"

WASHER, LOCK, Int Tooth, 5/16"

2шт.

22

3756AA

STOP - piston limit

1шт.

23

4417AA

ROD - piston

1шт.

24

O8361AB

X

PIN - hyd. cyl. ret.

2шт.

25

VC1419

X

PIN - internal hair

2шт.

26

A9163

PAD - hyd. cyl.

1шт.

27

A9164

BASE

- hyd. cyl.

1шт.

Выбрано товаров: 27