Запчасти Case IH 930-SERIES (104) - TRANSMISSION CASE AND RANGE SHAFT (06) - POWER TRAIN

Схема запчастей Case IH 930-SERIES - (104) - TRANSMISSION CASE AND RANGE SHAFT (06) - POWER TRAIN
26
1
5
3
13
14
8
9
22
25
17
10
12
4
27
15
7
6
16
5
24
11
18
2
FIT
1:1
100%

Артикул

Название

Примечание

Количество

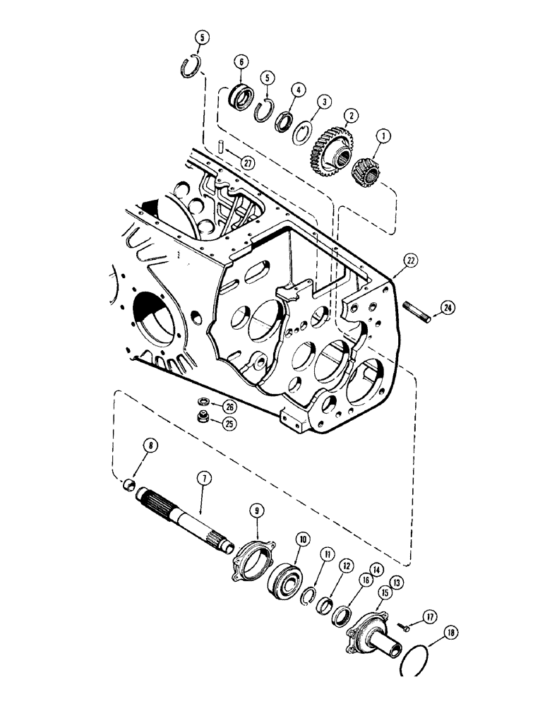
1

A34349

GEAR

- drive, low range (18 teeth) (replaces A32793)

1шт.

2

A32794

GEAR

- drive, high range (35 teeth)

1шт.

3

A32035

LOCK WASHER

- lock, range gear

1шт.

4

A32034

NUT

- lock, range gear

2шт.

5

A28153

RING

- snap, rear brg., range drive shaft

2шт.

6

A32751

BEARING ASSY,43.96mm ID x 72mm OD x 26.99mm W

BEARING - roller, range drive shaft rear

1шт.

7

A60026

SHAFT

ASSY. - range drive, w/oil hole (1st used trac. ser. no. 8362744)

1шт.

7

A57608

SHAFT

ASSY. - range drive, w/out oil hole (replaces A33325) (Order 1-60026 & 1-A60023) (Replaces A33325) (used prior to trac. ser. no. 8362744), Includes Ref: 8

1шт.

8

A28235

BUSHING

- range shaft (1-1/8 x 1-1/4 x 3/4")

1шт.

9

A32791

CARRIER

- front brg., range shaft

1шт.

10

39320

BALL BEARING,45mm ID x 106.38mm OD x 39.69mm W

- center, range shaft

1шт.

1

A27085

RING

- snap, center brg., range shaft

1шт.

12

A57697

SLEEVE

- wear (1-3/4 x 1-7/8 x 5/8") (1st used trac. ser. no. 8346622)

1шт.

12

A32792

SLEEVE

- wear (1-3/4 x 1-15/16 x 5/8") (used prior to trac. ser. no. 8346622) (Order 1-A57697 sleeve & 1-A60076 oil seal)

1шт.

13

A57698

CARRIER

ASSY. - (1st used trac. ser. no. 8346622), Includes Ref: 14

1шт.

14

A60076

OIL SEAL

- oil (1-7/8 x 2-1/2 x 3/8") (Replaces A57699)

1шт.

15

A57697

SLEEVE

CARRIER ASSY. - (used prior to trac. ser. no. 8346622) (Order 1-A57698 carrier & 1-A57697 sleeve) (Replaces A32795), Includes Ref: 16

1шт.

16

A33734

OIL SEAL

- oil (1-15/16 x 2-1/2 x 3/8") (Order 1-A57697 sleeve & 1-A60076 oil seal)

1шт.

17

13-624

BOLT,Hex, 3/8" - 16 x 1-1/2", Gr 5

- carrier (3/8 x 1-12/" N.C. hex.)

4шт.

18

A23315

O-RING,0.139" Thk x 4.234" ID, -244, Cl 5, 75 Duro

"O" RING - oil seal carrier (4-1/4 x 4-1/2 x 1/8")

1шт.

22

A57935

CASE - transmission (1st used trans. ser. no. 2262645)

1шт.

22

A57001

CASE - transmission (replaces A34290 & A32000) (Used prior to trans. ser. no. 2262645) (Order 1-A57935 Trans. Case & 1-A57936 Reverse Shaft)

1шт.

24

A7073

STUD

- trans. to clutch housing (7/8" N.F. x 4")

4шт.

25

A14280

PLUG

- drain

3шт.

26

A58608

GASKET

- drain plug, (nylon) (replaces A27927)

3шт.

27

A7077

DOWEL

- cover locating (1/2 x 1-3/8")

2шт.

Выбрано товаров: 26