Запчасти Case IH 930-SERIES (106) - COUNTERSHAFT (06) - POWER TRAIN

Схема запчастей Case IH 930-SERIES - (106) - COUNTERSHAFT (06) - POWER TRAIN
5
4
1
23
14
6
8
24
21
20
28
2
27
26
13
10
7
12
11
16
22
3
9
29
15
25
FIT
1:1
100%

Артикул

Название

Примечание

Количество

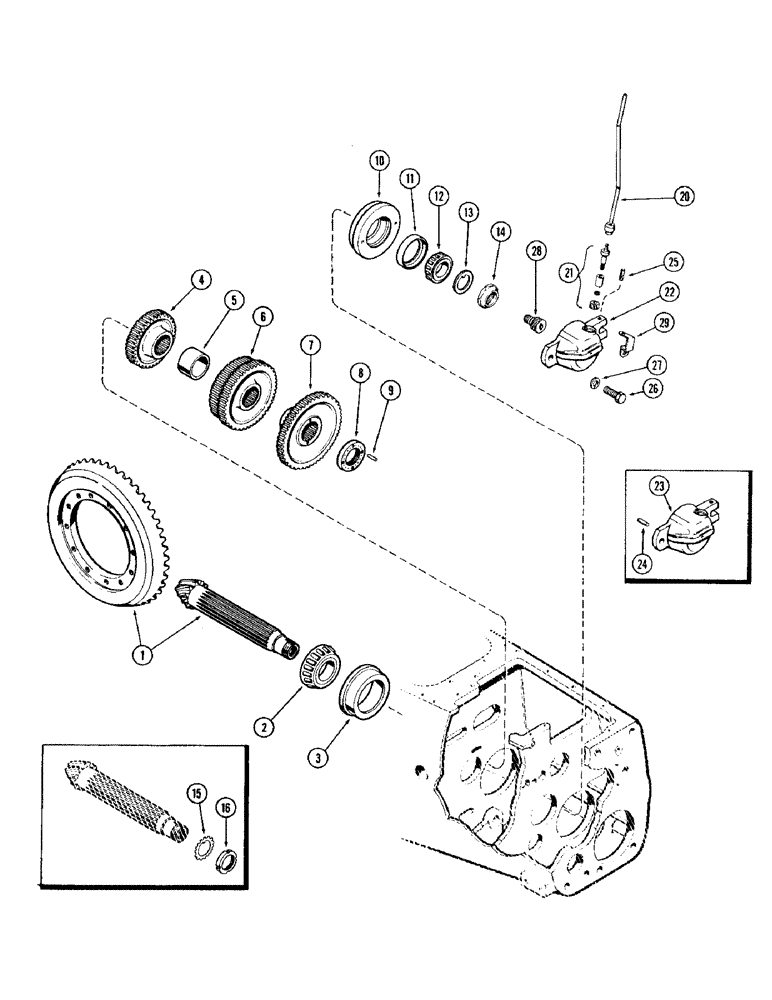
1

A33733

GEAR

COUNTERSHAFT - w/ring gear (matched set)

1шт.

2

A32758

ROLLER BEARING,2.375" ID x 1.8125"

CONE - bearing, countershaft, rear

1шт.

3

A32750

FLANGED BEARING,2.375" ID x 6.002" OD x 1.8125"

CUP - bearing, countershaft, rear

1шт.

4

A34336

GEAR - driven, 4th & 8th speed (replaces A33731)

1шт.

5

A57651

BUSHING

SPACER - driven gear, countershaft (Replaces A28291)

1шт.

6

A33565

GEAR - driven, 2nd-6th & 3rd-7th speed (33 & 36 teeth)

1шт.

7

A33561

GEAR

- driven, 1st & 5th speed (40 teeth)

1шт.

8

A22760

NUT

- lock, countershaft gear

1шт.

9

138-130

LOCK PIN,1/4" x 3/4", Slotted

PIN, 1/4" x 3/4", Slotted

1шт.

10

A61790

CARRIER ASSY. - front bearing (Replaces A57984), Includes Ref: 11

1шт.

11

A32763

CUP

- bearing, countershaft, front

1шт.

12

A32764

ROLLER BEARING,1.875" ID x 1"

CONE - bearing, countershaft, front

1шт.

13

A28170

WASHER

- thrust, front bearing

1шт.

14

A60019

NUT

- lock, front bearing (1st used trans. ser. no. 2230235)

1шт.

MEASURES ABOUT 1 3/4" I.D.

1шт.

15

A28171

LOCK WASHER

WASHER - lock, front bearing (used prior to trans. ser. no. 2230235)

1шт.

16

131-1009

LOCK NUT,Bearing, 1.7717" Bore

CARRIER ASSY. - (used prior to trac. ser. no. 8346622) (Order 1-A57698 carrier & 1-A57697 sleeve) (Replaces A32795), Includes Ref: 16

1шт.

SHOULD READ 131-1009,MEASURES ABOUT 1 3/4" I.D.

1шт.

20

A11624

TUBE

ASSY. - guide, speedometre drive cable (inner)

1шт.

21

A20281

GEAR

KIT - driven (13 teeth)

1шт.

22

A34087

BRACKET - speedometer drive (1st used trac. ser. no. 8260707)

1шт.

23

A33532

BRACKET ASSY. - speedometer drive (Order A34087) (used prior to trac. ser. no. 8260707), Includes Ref: 24

1шт.

24

A20363

PIN - bracket locating (5/32 x 5/8")

3шт.

25

A9906

X

SCREW - lock, bracket

1шт.

26

13-616

BOLT,Hex, 3/8" - 16 x 1", Gr 5, Full Thd

Bracket Hex, 3/8"-16 x 1", G5, Full Thd

1шт.

26

13-624

BOLT,Hex, 3/8" - 16 x 1-1/2", Gr 5

- brkt. (3/8 x 1-1/2" N.C. hex.)

1шт.

27

92-6

LOCK WASHER,3/8"

2шт.

28

A11621

GEAR

- speedometer drive

1шт.

29

A34724

CLIP

- speedometer tube ret.

1шт.

Выбрано товаров: 29