Запчасти Case IH 930-SERIES (147A) - PILOT RELIEF VALVE, USED W/ HITCH & W/O REMOTES, USED PRIOR TO TRANS. S/N 2219218, KINGSTON PRODUCTS (08) - HYDRAULICS

Схема запчастей Case IH 930-SERIES - (147A) - PILOT RELIEF VALVE, USED W/ HITCH & W/O REMOTES, USED PRIOR TO TRANS. S/N 2219218, KINGSTON PRODUCTS (08) - HYDRAULICS
18
12
16
4
16
24
5
20
23
15
25
17
6
8
26
19
11
10
3
13
14
22
9
1
25
21
7
FIT
1:1
100%

Артикул

Название

Примечание

Количество

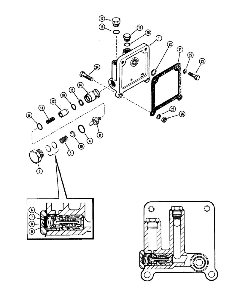
A34720

VALVE

ASSY. - pilot relief, Includes Ref: 1 - 26

1шт.

1

NSS

NOT SOLD SEPARAT

BODY - relief valve

1шт.

A34723

VALVE

ASSY. - pilot relief, Includes Ref: 3 - 18

1шт.

3

A34392

PLUG

- relief valve

1шт.

4

218-5008

O-RING,0.116" Thk x 0.924" ID, -912, Cl 6, 90 Duro

"O" RING - plug (3/4 x 59/64 x 1/8")

1шт.

5

A34492

SPRING

- valve outer (23/32" free length)

1шт.

6

A34391

SHIM,.0149" Thk

Valve spring (See tag) .0149" Thk

1шт.

6

A34390

SHIM,.0329" Thk

Valve spring (See tag) .0329" Thk

1шт.

7

A34694

SHIM,.0201" Thk

Valve spring (See tag) .0201" Thk

1шт.

8

A34849

SHIM,.0105" Thk

Valve spring (See tag) .0105" Thk

1шт.

9

A34817

SHIM,.0149" Thk

Valve spring (Blue Japan) .0149" Thk

1шт.

10

A34816

X

RETAINER - valve spring (Replaces A34491)

1шт.

11

A34814

PISTON

ASSY. - pilot (Replaces A34489)

1шт.

12

A34487

X

PISTON - relief valve (Order A57553)

1шт.

13

A34382

SPRING

- valve inner (1" free length)

1шт.

14

A34486

SLEEVE

- relief valve (Order A57536)

1шт.

15

A34493

RING,16.33mm ID x 19.02mm OD x 1.25mm Thk

SEAL - sleeve, inner

1шт.

16

A17526

O-RING,0.614" ID x 0.754" OD x 0.7"

"O" RING - sleeve & ret. (5/8 x 3/4 x 1/16")

2шт.

17

86512512

PLUG,7/8" - 14 ORB

- Valve, Incl. Ref: 18 Hex Hd, 7/8"-14 ORB

1шт.

18

237-6010

O-RING,0.097" Thk x 0.755" ID, -910, Cl 6, 90 Duro

"O" RING - (5/8 x 3/4 x 3/32")

1шт.

19

214389

PLUG,3/4" - 16 ORB

Assy, Valve, Includes Ref. 20 Hex Hd, 3/4"-16 ORB

1шт.

21

A32285

GASKET

- valve to rockshaft hsg.

1шт.

22

A32348

GASKET,16.54mm ID x 23.29mm OD x 3.5mm Thk

GASKET - relief valve

1шт.

23

13-822

BOLT,Hex, 1/2" - 13 x 1-3/8", Gr 5, Full Thd

Valve Hex, 1/2"-13 x 1 3/8", G5, Full Thd

2шт.

24

13-824

BOLT,Hex, 1/2" - 13 x 1-1/2", Gr 5, Full Thd

Valve Hex, 1/2"-13 x 1 1/2", G5, Full Thd

2шт.

25

92-8

LOCK WASHER,1/2"

4шт.

26

25-108

NUT,1/2"-13, G5

- (1/2" N.C. hex.)

2шт.

20

218-5006

O-RING,0.087" Thk x 0.644" ID, -908, Cl 6, 90 Duro

"O" RING - (1/2 x 21/32 x 3/32")

1шт.

Выбрано товаров: 28