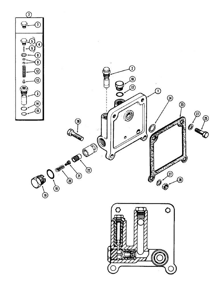
Запчасти Case IH 930-SERIES (147C) - PILOT RELIEF VALVE, USED W/ HITCH & W/O REMOTES, USED PRIOR TO TRAC. S/N 8288617, KINGSTON PRODUCTS (08) - HYDRAULICS

Схема запчастей Case IH 930-SERIES - (147C) - PILOT RELIEF VALVE, USED W/ HITCH & W/O REMOTES, USED PRIOR TO TRAC. S/N 8288617, KINGSTON PRODUCTS (08) - HYDRAULICS
9
13
14
28
15
26
23
12
6
24
4
3
19
1
22
7
17
20
21
27
16
8
25
5
2
18
27
2
FIT
1:1
100%

Артикул

Название

Примечание

Количество

A34075

VALVE

ASSY. - pilot relief (Order A34720), Includes Ref: 1 - 15

1шт.

1

NSS

NOT SOLD SEPARAT

BODY - pilot relief valve

1шт.

2

A40563

VALVE

ASSY. - pilot relief (Order A34723), Includes Ref: 3 - 15

1шт.

3

NSS

NOT SOLD SEPARAT

BODY - poppet valve (Order A34723)

1шт.

4

A40677

PLUG ASSY. - relief valve poppet, Includes Ref: 5 and 6

1шт.

5

NSS

NOT SOLD SEPARAT

PLUG - (drilled for pin) (Order A40677)

1шт.

6

138-73

LOCK PIN,5/32" x 3/4", Slotted

PIN, 5/32" x 3/4", Slotted

1шт.

7

A32559

PLUG - relief valve poppet (solid) (Order A40677)

1шт.

8

A29468

GASKET

- poppet plug (17/32 x 3/4" copper)

1шт.

9

A32283

SHIM - poppet (.009" steel)

1шт.

9

A32284

SHIM,.0478" Thk

Poppet (steel) .0478" Thk

1шт.

9

A34071

SHIM,.0403" Thk

Poppet (brass) .0403" Thk

1шт.

12

A23367

SPRING

- poppet valve (2-7/8" free length)

1шт.

13

A23368

VALVE POPPET

POPPET - relief valve

1шт.

14

237-6010

O-RING,0.097" Thk x 0.755" ID, -910, Cl 6, 90 Duro

"O" RING - body, upper (5/8 x 3/4 x 3/32")

1шт.

15

A30097

O-RING,0.549" ID x 0.755" OD x 0.103"

"O" RING - body lower (9/16 x 3/4 x 3/32")

1шт.

16

214389

PLUG,3/4" - 16 ORB

Assy, Valve, Inlet port, Upper, Includes Ref. 17 Hex Hd, 3/4"-16 ORB

1шт.

18

A32281

PLUG - pilot relief valve

1шт.

19

218-5008

O-RING,0.116" Thk x 0.924" ID, -912, Cl 6, 90 Duro

"O" RING - plug (3/4 x 59/64 x 1/8")

1шт.

20

A23082

SPRING

- pilot relief valve (1-11/16" free length)

1шт.

21

A24363

STRAINER ASSY.

SCREEN - pilot relief valve

1шт.

22

A23366

PISTON

- pilot relief valve

1шт.

23

A32285

GASKET

- valve to rockshaft hsg.

1шт.

24

A32348

GASKET,16.54mm ID x 23.29mm OD x 3.5mm Thk

- relief valve (21/32 x 29/32 x 9/64")

1шт.

25

13-822

BOLT,Hex, 1/2" - 13 x 1-3/8", Gr 5, Full Thd

Valve Hex, 1/2"-13 x 1 3/8", G5, Full Thd

2шт.

26

13-824

BOLT,Hex, 1/2" - 13 x 1-1/2", Gr 5, Full Thd

Valve Hex, 1/2"-13 x 1 1/2", G5, Full Thd

2шт.

27

92-8

LOCK WASHER,1/2"

4шт.

28

25-108

NUT,1/2"-13, G5

- (1/2" N.C. hex.)

2шт.

17

218-5006

O-RING,0.087" Thk x 0.644" ID, -908, Cl 6, 90 Duro

"O" RING - plug (1/2 x 21/32 x 3/32")

1шт.

Выбрано товаров: 29