Запчасти Case IH 930-SERIES (153A) - A34699 AUXILIARY VALVE, USED PRIOR TO TRANSMISSION SERIAL NUMBER 2219218, KINGSTON PRODUCTS (08) - HYDRAULICS

Схема запчастей Case IH 930-SERIES - (153A) - A34699 AUXILIARY VALVE, USED PRIOR TO TRANSMISSION SERIAL NUMBER 2219218, KINGSTON PRODUCTS (08) - HYDRAULICS
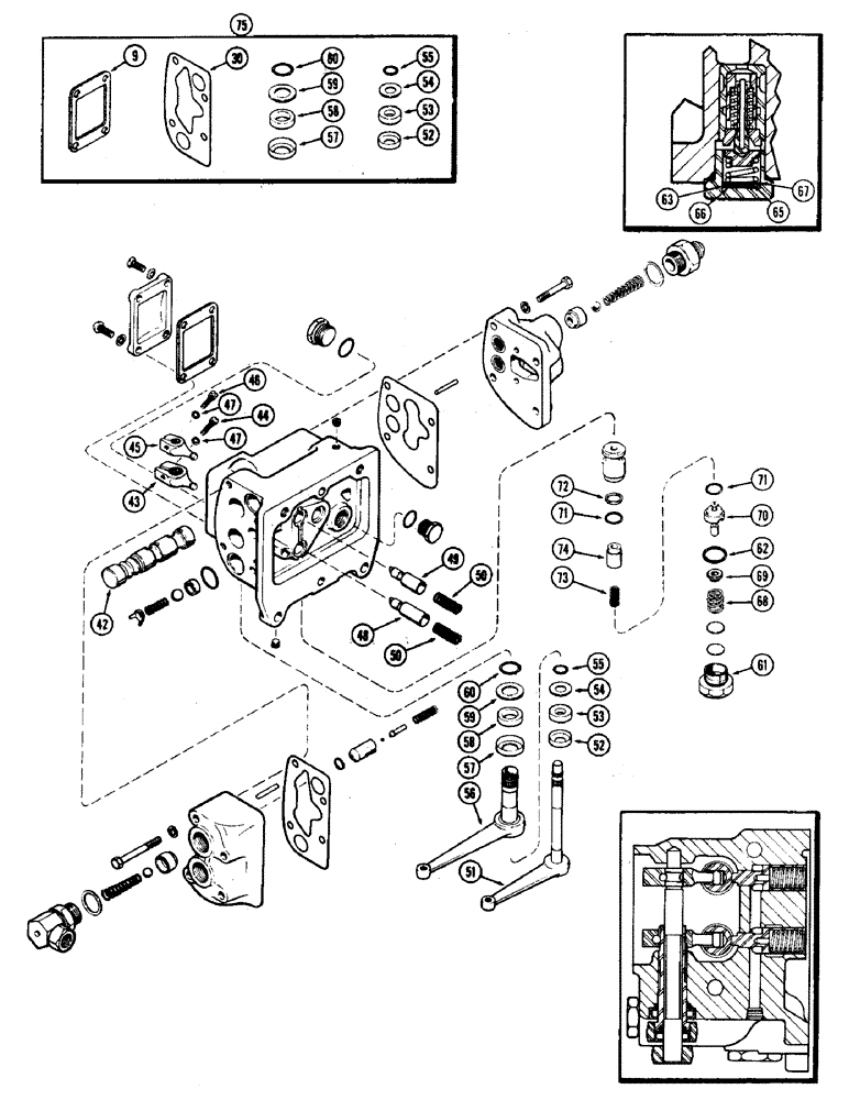
68
56
9
59
49
42
60
71
67
74
58
44
54
60
50
71
58
47
69
55
43
59
51
52
63
30
57
57
53
46
53
62
50
52
72
75
55
48
54
47
45
65
70
73
61
66
FIT
1:1
100%

Артикул

Название

Примечание

Количество

A34699

VALVE

ASSY. aux.illiary, non-float, continued from Figure 152

1шт.

42

A30874

SPOOL

- hydraulic valve

2шт.

43

A30878

ARM

- spool shifter, lower (2-11/64" long) (for 3/4" dia. shaft w/48 serrations)

1шт.

44

72-416

SCREW

SCRW - lower arm (1/4 x 1" N.C. fill. hd.)

1шт.

45

A30887

ARM

- spool shifter, upper (1-31/32" long) (for 1/2" dia. shaft w/36 serrations)

1шт.

46

72-412

SCREW,Slotted Fil Hd, 1/4"-28 x 3/4"

- upper arm (1/4 x 3/4" N.F., fill. hd.)

1шт.

47

92-4

LOCK WASHER,1/4"

WASHER, LOCK, 1/4"

2шт.

48

A33357

PLUNGER

- spool, lower (w/out oil hole) (Order A57554)

1шт.

49

A33358

PLUNGER

- spool, upper (w/oil hole) (Order A57555)

1шт.

50

A30883

SPRING

- spool plunger

2шт.

51

A32566

LEVER - spool shifter (w/36 serrations)

1шт.

52

A30875

RETAINER

felt seal

1шт.

Part of P/N A25264 Repair Kit

1шт.

53

A30853

WASHER

SEAL, 1/2 x 15/16 x 1/4" felt

1шт.

Part of P/N A25264 Repair Kit

1шт.

54

A27409

WASHER

felt seal, 23/64 x 63/64 x 20 Ga.

1шт.

Part of P/N A25264 Repair Kit

1шт.

55

A60498

O-RING

"O" RING lever, 1/2 x 11/16 x 3/32"

1шт.

Part of P/N A25264 Repair Kit

1шт.

56

A32555

LEVER

- spool shifter (w/48 serrations)

1шт.

57

A30880

RETAINER

felt seal

1шт.

Part of P/N A25264 Repair Kit

1шт.

58

A30879

WASHER

SEAL, 3/4 x 1-3/16 x 1/4" felt

1шт.

Part of P/N A25264 Repair Kit

1шт.

59

A30881

SEALING WASHER,19.45mm ID x 31.35mm OD

WASHER felt seal, 49/64 x 1-15/64 x 20 Ga.

1шт.

Part of P/N A25264 Repair Kit

1шт.

60

A60499

O-RING

"O" RING lever, 3/4 x 15/16 x 3/32", Includes Ref: 61 - 74

1шт.

Part of P/N A25264 Repair Kit

1шт.

A34723

VALVE

ASSY. pilot relief, Includes 4 and 6 shown on Figure 152 and 61 - 74 this Figure

1шт.

61

A34392

PLUG

- relief valve

1шт.

Part of P/N A34723 Pilot Relief Valve Assy.

1шт.

62

218-5008

O-RING,0.116" Thk x 0.924" ID, -912, Cl 6, 90 Duro

"O" RING plug, 3/4 x 59/64 x 1/8"

1шт.

Part of P/N A34723 Pilot Relief Valve Assy.

1шт.

63

A34391

SHIM,.0149" Thk

Valve spring .0149" Thk

1шт.

Part of P/N A34723 Pilot Relief Valve Assy.

1шт.

63

A34390

SHIM,.0329" Thk

Valve spring .0329" Thk

1шт.

Part of P/N A34723 Pilot Relief Valve Assy.

1шт.

65

A34694

SHIM,.0201" Thk

Valve spring .0201" Thk

1шт.

Part of P/N A34723 Pilot Relief Valve Assy.

1шт.

66

A34817

SHIM,.0149" Thk

Valve spring (Blue Japan) .0149" Thk

1шт.

Part of P/N A34723 Pilot Relief Valve Assy.

1шт.

67

A34849

SHIM,.0105" Thk

Valve spring .0105" Thk

1шт.

Part of P/N A34723 Pilot Relief Valve Assy.

1шт.

68

A34492

SPRING

- valve, outer (23/32" free length)

1шт.

Part of P/N A34723 Pilot Relief Valve Assy.

1шт.

69

A34816

X

RETAINER - spring (Replaces A34491) (Order A57558)

1шт.

Part of P/N A34723 Pilot Relief Valve Assy.

1шт.

70

A34814

PISTON

ASSY. - pilot (Replaces A34489) (Order A57556)

1шт.

Part of P/N A34723 Pilot Relief Valve Assy.

1шт.

71

A17526

O-RING,0.614" ID x 0.754" OD x 0.7"

"O" RING - sleeve & ret. (5/8 x 3/4 x 1/16")

2шт.

Part of P/N A34723 Pilot Relief Valve Assy.

1шт.

72

A34493

RING,16.33mm ID x 19.02mm OD x 1.25mm Thk

SEAL - sleeve, inner

1шт.

Part of P/N A34723 Pilot Relief Valve Assy.

1шт.

73

A34382

SPRING

- valve, inner (1" free length)

1шт.

Part of P/N A34723 Pilot Relief Valve Assy.

1шт.

74

A34487

X

PISTON - relief valve (Order A57553)

1шт.

Part of P/N A34723 Pilot Relief Valve Assy.

1шт.

75

A25264

SEAL

REPAIR KIT, auxilliary valve, Includes: Ref. 52 - 55 and 57 - 60

1шт.

Выбрано товаров: 58