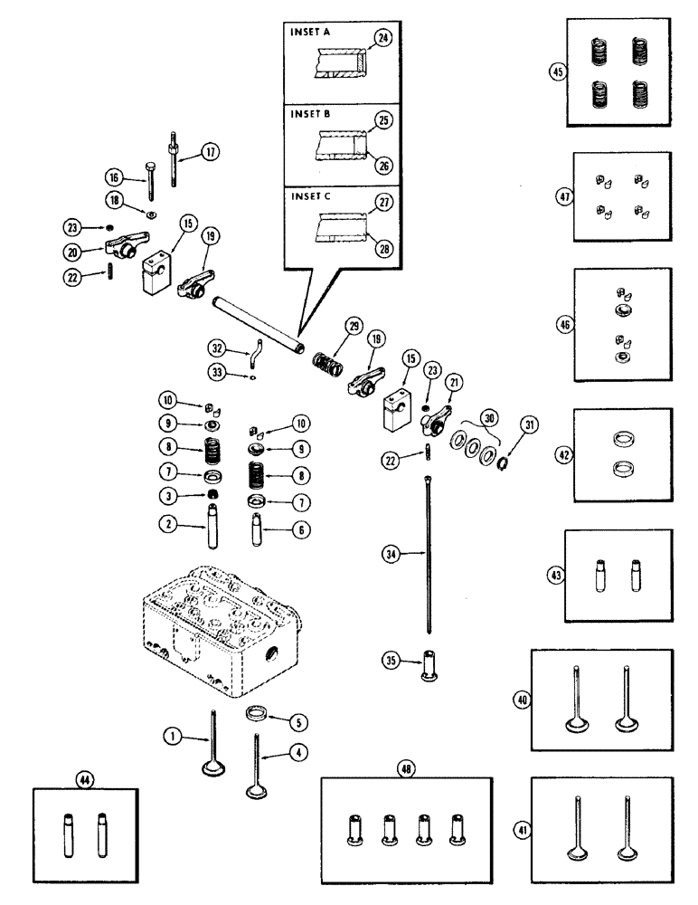
Запчасти Case IH 930-SERIES (009A) - VALVES AND VALVE MECHANISM, (401) DIESEL ENGINE (02) - ENGINE

Схема запчастей Case IH 930-SERIES - (009A) - VALVES AND VALVE MECHANISM, (401) DIESEL ENGINE (02) - ENGINE
43
32
7
48
15
2
19
22
16
10
35
28
34
23
1
30
29
42
47
21
18
9
33
41
10
26
17
31
25
9
45
22
8
23
4
7
5
8
25
3
40
44
46
27
20
6
29
24
FIT
1:1
100%

Артикул

Название

Примечание

Количество

1

NSS

NOT SOLD SEPARAT

VALVE - intake (Order ref. 40)

6шт.

2

NSS

NOT SOLD SEPARAT

GUIDE - intake valve (Order ref. 44)

6шт.

3

A10726

SEAL

SHIELD - oil, intake valve

6шт.

4

NSS

NOT SOLD SEPARAT

VALVE - exhaust (Order Ref. 41)

6шт.

5

NSS

NOT SOLD SEPARAT

INSERT - exhaust valve (Order Ref. 42)

6шт.

6

NSS

NOT SOLD SEPARAT

GUIDE - exhaust valve (Order Ref. 43)

6шт.

7

A27866

SEAT

- valve spring

12шт.

8

NSS

NOT SOLD SEPARAT

SPRING - valve (Order Ref. 45)

12шт.

9

NSS

NOT SOLD SEPARAT

RETAINER - valve spring (Order Ref. 46)

12шт.

10

NSS

NOT SOLD SEPARAT

KEEPER - valve spring (Order Ref. 47)

24шт.

15

A27881

BRACKET

- rocker shaft

6шт.

16

13-760

BOLT,Hex, 7/16" - 14 x 3-3/4", Gr 5

Bracket Hex, 7/16"-14 x 3 3/4", G5

6шт.

17

A57458

STUD

- rocker arm bracket & cover (do not use w/Ref. 18) (3-3/4" N.C. end to nut) (Order A57900 stud & 25-107 nut)

6шт.

17

A28124

STUD - rocker arm bracket & cover (used w/Ref. 18) (3-13/16" N.C. end to nut) (Order A57990 stud & 25-107 nut)

6шт.

18

92-7

LOCK WASHER,7/16"

(6 also used w/A28124 stud) 7/16"

6шт.

19

A22322

ROCKER

ARM ASSY. - rocker, intake valve (incl. Refs. 22 & 23)

6шт.

20

A22324

ROCKER

ARM ASSY. - rocker, exhaust valve (Nos. 1, 3 & 5 cyl.) (incl. Ref.s 22 & 23)

3шт.

21

A22326

ROCKER

ARM ASSY. - rocker, exhaust valve (Nos. 2, 4 & 6 cyl.) (incl. Ref. 22 & 23)

3шт.

22

A21105

ADJUSTMENT SCREW,3/8" - 24 x 1 9/16"

SCREW - adjusting, rocker arm

1шт.

23

25-106

NUT,3/8"-16, G5

- lock, adj. screw (3/8" N.F. hex, jam)

1шт.

24

A57532

SHAFT

- w/solid plug (See inset A) (1st used eng. ser. no. 2203667)

3шт.

25

A21100

SHAFT

ASSY. - rocker arm (reamed) (can use A57532) (used eng. ser. no. 2107858 to 2203667) (See inset B), Includes: Ref. 26

3шт.

26

A26667

PLUG - cup, rocker shaft (9/16 x 3/16")

2шт.

27

A23671

X

SHAFT ASSY. - rocker arm (not reamed) (See inset C) (can use A57532 or A21100) (used prior to eng. ser. no. 2107858), Includes: Ref. 28

3шт.

28

A22318

PLUG - cup, rocker shaft (17/32 x 1/4")

2шт.

29

A27877

SPRING

- rocker shaft

3шт.

30

A27878

WASHER

- rocker shaft ends (29/32 x 1-5/16 x .028")

21шт.

31

B18206

SNAP RING,#87, Ext

Ring, Snap, , rocker shaft #87, Ext

6шт.

32

A27879

TUBE

- oil, rocker shaft

3шт.

33

A27880

O-RING,0.07" Thk x 0.18" ID, -8, Cl 5, 75 Duro

"O" RING - oil tube (3/16 x 5/16 x 1/16")

3шт.

34

A21060

ROD

- push

12шт.

35

NSS

NOT SOLD SEPARAT

LIFTER - push rod (Order Ref. 48)

12шт.

40

A40351

KIT

VALVE KIT - intake (Set of 2) (see valve seal kit, Fig. 18)

3шт.

41

A24770

VALVE

KIT - exhaust (Set of 2) (see valve seal kit, Fig. 18)

3шт.

42

A21681

KIT

INSERT KIT - exhaust valve (Set of 2)

3шт.

43

A21674

GUIDE

KIT - exhaust valve (Set of 2)

3шт.

44

A21671

GUIDE

KIT - intake valve (Set of 2)

3шт.

45

A21694

SPRING

KIT - valve (Set of 4)

3шт.

46

A21657

LOCK

RETAINER KIT - valve spring (Set of 2 retainers & 4 keepers)

3шт.

47

A40352

LOCK

KEEPER KIT - valve spring (Set of 8)

3шт.

48

A21653

KIT

LIFTER KIT - push rod (Set of 4)

3шт.

Выбрано товаров: 41