Запчасти Case IH 930-SERIES (032) - CYLINDER BLOCK ASSEMBLY, (377) SPARK IGNITION ENGINE, FIRST USED ENGINE SERIAL NUMBER 2174169 (02) - ENGINE

Схема запчастей Case IH 930-SERIES - (032) - CYLINDER BLOCK ASSEMBLY, (377) SPARK IGNITION ENGINE, FIRST USED ENGINE SERIAL NUMBER 2174169 (02) - ENGINE
5
30
4
8
40
1
2
22
27
41
15
35
13
26
11
5
3
33
32
7
9
42
12
39
13
6
44
5
9
37
38
14
5
34
43
9
16
8
31
36
25
11
23
10
24
FIT
1:1
100%

Артикул

Название

Примечание

Количество

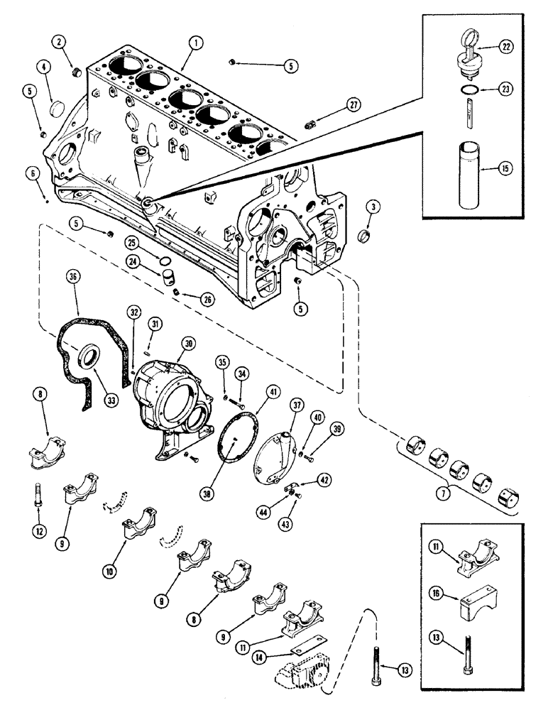
A41239

SKELETON ENGINE

BLOCK ASSY. - cylinder, short (incl. stripped block, camshaft, crankshaft & brgs., timing gears, piston assy., connecting rods & brgs. & oil pump gear) (See Note) (Casting No. A34970), Includes Ref: 1 - 44

1шт.

1

A41222

BLOCK ASSY. - stripped (Casting No. A34970), Includes Ref: 2 - 16

1шт.

2

221-26

DRAIN PLUG,Sq Soc, 1"-11 1/2, NTPF

PLUG - water gallery, rear (1" P.T., sckt. hd.)

1шт.

3

41-1628

PLUG,Cup, 1 3/4", Stainless

- water gallery, front (1-3/4" cup type)

1шт.

4

A24361

PLUG

- camshaft hole (2-3/8" cup type)

1шт.

5

221-843

PLUG,Hex Soc, 3/8"-18

- cyl. block (3/8" P.T., sckt. hd.)

6шт.

6

221-41

PLUG

- cyl. block (1/8" P.T., sltd. hd.)

4шт.

7

A23544

BUSHING

SET - camshaft

1шт.

8

A24941

CAP

- main brg., wide

2шт.

9

A24942

CYLINDER END CAP

CAP - main brg., narrow

3шт.

10

A24943

CAP

- main brg., thrust

1шт.

11

A34937

HOLDER

CAP - main brg., front

1шт.

12

A27836

SPECIAL BOLT,5/8" - 11 x 3 1/4"

- brg. caps (5/8 x 3-1/4" N.C. spec.)

12шт.

13

113-637

BOLT

- front brg. cap & oil pump (or spacer) (5/8 x 6" N.C. hex.)

2шт.

14

A57454

SHIM,.005" Thk

Oil pump to brg. cap .005" Thk

1шт.

14

A57455

SHIM,.010" Thk

Oil pump to brg. cap .010" Thk

1шт.

14

A57456

SHIM,.025" Thk

Oil pump to brg. cap .025" Thk

1шт.

15

A34540

TUBE

SOCKET - oil filler

1шт.

16

A57076

SPACER - oil pump filler block

1шт.

Loose oil pump gear & oil pump spacer included w/this block are not used w.front MYG. oil pump application

1шт.

22

A34541

DIPSTICK

GAUGE ASSY. - oil level

1шт.

23

F62075

O-RING,0.139" Thk x 0.734" ID, -210, Cl 5, 75 Duro

"O" RING - oil level gauge (3/4 x 1 x 1/8")

2шт.

24

A34964

PLUG

- oil gallery hole

1шт.

25

A27355

O-RING,0.139" Thk x 1.17" ID, -217, Cl 5, 75 Duro

"O" RING - plug (1-3/16 x 1-7/16 x 1/8")

1шт.

26

A22593

SET SCREW,1/4" - 18 x 7/8"

- plug

1шт.

27

A23656

COCK, DRAIN

VALVE - drain, cyl. block

1шт.

30

A57416

COVER ASSY. - timing gears, Includes Ref: 31 - 33

1шт.

31

A27840

PIN

- cover locating (5/16 x 3/4")

2шт.

32

A27869

BUTTON - thrust

1шт.

33

A57342

SEAL

- oil, crankshaft, front (2-5/8 x 3-5/8 x 1/2")

1шт.

34

13-616

BOLT,Hex, 3/8" - 16 x 1", Gr 5, Full Thd

Cover Hex, 3/8"-16 x 1", G5, Full Thd

2шт.

34

13-640

BOLT,Hex, 3/8" - 16 x 2-1/2", Gr 5

- cover (3/8 x 2-1/2" N.C. hex.)

7шт.

35

92-6

LOCK WASHER,3/8"

9шт.

36

A33018

GASKET

- timing gear cover

1шт.

37

A20833

CAP - timing cover, Includes Ref: 38

1шт.

38

A27869

BUTTON - thrust

1шт.

39

13-612

BOLT,Hex, 3/8" - 16 x 3/4", Gr 5, Full Thd

Cap Hex, 3/8"-16 x 3/4", G5, Full Thd

1шт.

39

13-618

BOLT,Hex, 3/8" - 16 x 1-1/8", Gr 5

Cap Hex, 3/8"-16 x 1 1/8", G5, Full Thd

3шт.

40

92-6

LOCK WASHER,3/8"

4шт.

41

A27867

GASKET

-, Serial Range: cap-cover

1шт.

42

A28218

POINTER - timing indiactor

1шт.

43

13-48

BOLT,Hex, 1/4" - 20 x 1/2", Gr 5

Pointer Hex, 1/4"-20 x 1/2", G5, Full Thd

2шт.

44

193-44

LOCK WASHER,Ext-Int Tooth, 1/4"

WASHER - (1/4" int./ext. skpf.)

2шт.

Выбрано товаров: 43