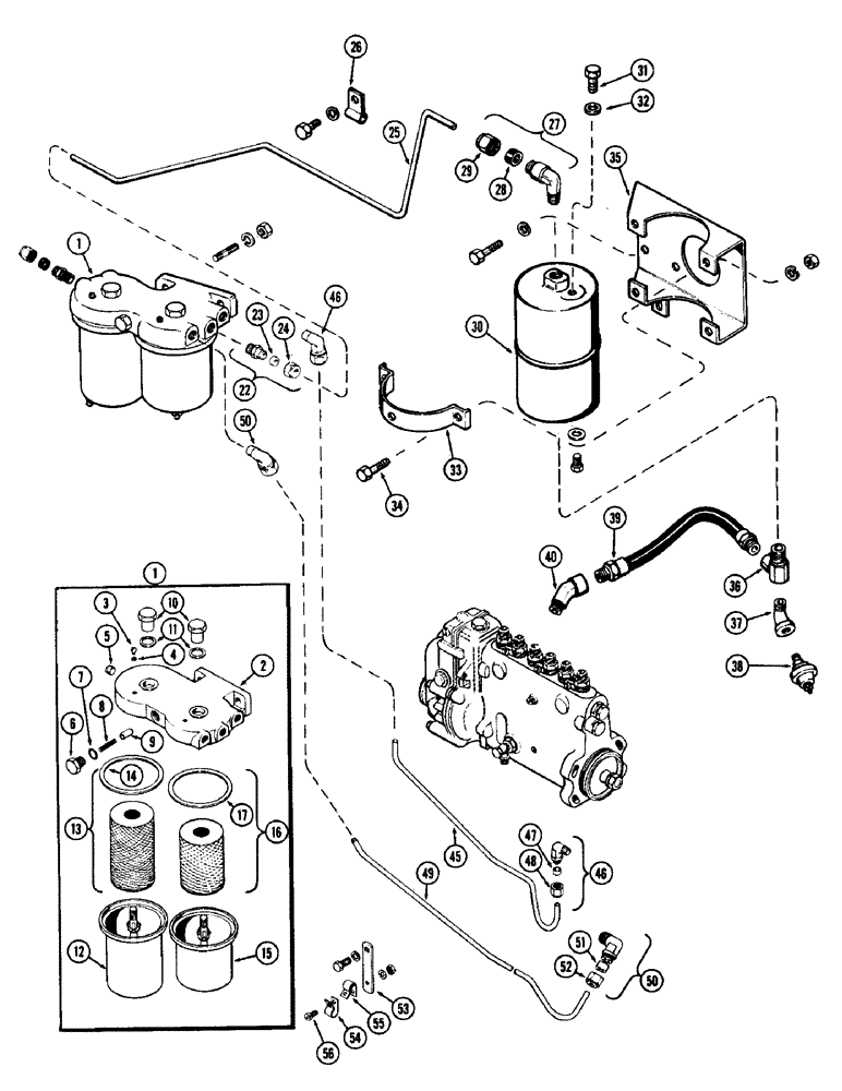
Запчасти Case IH 930-SERIES (025C) - FUEL INJECTION FILTER SYSTEM, (401) DIESEL ENGINE, USED PRIOR TO ENGINE SERIAL NUMBER 2205978 (03) - FUEL SYSTEM

Схема запчастей Case IH 930-SERIES - (025C) - FUEL INJECTION FILTER SYSTEM, (401) DIESEL ENGINE, USED PRIOR TO ENGINE SERIAL NUMBER 2205978 (03) - FUEL SYSTEM
30
38
33
10
35
14
46
46
55
36
22
26
34
53
1
48
8
24
45
40
49
31
39
2
11
17
50
5
28
12
51
29
32
50
52
6
56
1
54
16
7
9
4
15
3
37
27
13
23
47
25
FIT
1:1
100%

Артикул

Название

Примечание

Количество

1

A40435

FILTER

ASSY., Includes Ref: 2 - 17

1шт.

2

A24915

HEAD - filter

1шт.

3

A20663

SCREW,Fil Hd, #10 - 32 x 5/16"

- bleed

2шт.

4

A20662

GASKET

WASHER - bleed screw

2шт.

5

221-849

PLUG,Hex Soc, 1/8"-27

- (1/8" P.T., ctsk. sckt. hd.)

1шт.

6

A24916

PLUG

- relief valve

1шт.

7

A27410

O-RING,0.487" ID x 0.693" OD x 0.103"

"O" RING - plug (1/2 x 11/16 x 3/32")

1шт.

8

A24918

SPRING

- relief valve

1шт.

9

A24917

PLUNGER

- relief valve

1шт.

10

A21131

NUT

- body stud

2шт.

11

A28055

GASKET

- nut (3/4 x 1 x 1/16" fiber)

2шт.

12

A21129

BODY

- filter, 1st stage

1шт.

13

A21141

FILTER, ELEMENT

ELEMENT ASSY. - 1st stage (4-13/16" long), Includes Ref: 14

1шт.

14

A28056

GASKET

-, Serial Range: body-head

1шт.

15

A21132

BODY

- filter, 2nd stage

1шт.

16

A7627

FILTER, ELEMENT

ELEMENT ASSY. - 2nd. stage filter (3-7/8" long), Includes Ref: 17

1шт.

17

A28056

GASKET

-, Serial Range: body-head

1шт.

22

222-25

HYD CONNECTOR,9/16"-24 x 1/4" NPTF w/Nut

CONNECTOR ASSY. - 5/16" tube x 1/4" P.T., Includes Ref: 23 and 24

1шт.

23

222-103

SLEEVE,5/16" Tube

1шт.

24

222-113

TUBE NUT,9/16"-24

NUT - (5/16" tube)

1шт.

25

A22184

TUBE

- second stage to final filter

1шт.

26

A7922

CLIP

- tube

1шт.

27

222-45

ELBOW,90 Degree, 9/16"-24 Fem x 1/4"-27 NPTF

ASSY. - 5/16" tube x 1/4" P.T., Includes Ref: 28 and 29

1шт.

28

222-103

SLEEVE,5/16" Tube

1шт.

29

222-113

TUBE NUT,9/16"-24

NUT - (5/16" tube)

1шт.

30

A57228

FILTER

ASSY. - final (Replaces A27983), Includes Ref: 31 nd 32

1шт.

31

114-2

BOLT,Hex, 1/4" - 28 x 1/2", Gr 5

- filter bleed & drain (1/4 x 1/2" N.F. hex.)

2шт.

32

A41600

GASKET

- bleed & drain bolt

2шт.

33

A21144

CLAMP

- final filter

2шт.

34

13-514

BOLT,Hex, 5/16" - 18 x 7/8", Gr 5

4шт.

35

A33617

BRACKET - final filter

1шт.

36

A20539

FITTING

UNION - 90deg., hose to final filter

1шт.

37

217-20

ELBOW,90 Degree, 1/8"-28 NPTF, Fem x 1/8"-27 NPTF Male

brass 90º, 1/8"-28 NPTF, Fem x 1/8"-27 NPTF Male

1шт.

38

A13794

TRANSMITTER

SWITCH - fuel pressure

1шт.

39

A20538

FUEL HOSE,0.38" ID x 8.50"

Final filter to injection pump 0.38" ID x 8.50"

1шт.

40

217-16

ELBOW,45 Degree, 1/4"-18 NPTF, Fem x 1/4"-18 NPTF Male

- 45deg. brass, 1/4" P.T.

1шт.

45

A20693

TUBE

- filter head to pump (3/8" O.D. tube)

1шт.

46

222-47

ELBOW,90 Degree, 5/8"-24 Fem x 1/4"-27 NPTF

ASSY. - 3/8 x 1/4" P.T., Includes Ref: 47 and 48

2шт.

47

222-104

SLEEVE,3/8" Tube

- (for ) 3/8" Tube

1шт.

48

222-114

NUT,5/8"-24

NUT - (For 3/8" tube)

1шт.

49

A20531

TUBE

- pump to filter head (5/16" O.D. tube)

1шт.

50

222-45

ELBOW,90 Degree, 9/16"-24 Fem x 1/4"-27 NPTF

ASSY. - 5/16" tube x 1/4" P.T., Includes Ref: 51 and 52

2шт.

51

222-103

SLEEVE,5/16" Tube

1шт.

52

222-113

TUBE NUT,9/16"-24

NUT - (for 5/16" tube)

1шт.

53

A20537

BRACKET - tube clip

1шт.

54

A27814

X

CLIP - (for A20531 tube)

1шт.

55

A20688

CLIP

- (for A20693 tube)

1шт.

56

13-612

BOLT,Hex, 3/8" - 16 x 3/4", Gr 5, Full Thd

1шт.

Выбрано товаров: 48