Запчасти Case IH 930-SERIES (047A) - L.P. FUEL LINES AND FILTER, (377) SPARK IGNITION ENGINE (03) - FUEL SYSTEM

Схема запчастей Case IH 930-SERIES - (047A) - L.P. FUEL LINES AND FILTER, (377) SPARK IGNITION ENGINE (03) - FUEL SYSTEM
10
26
35
14
43
16
15
27
32
5
13
12
3
7
49
52
29
4
40
17
9
30
1
53
8
4
11
44
42
22
46
41
23
6
28
25
2
47
48
51
24
34
54
18
50
31
33
45
FIT
1:1
100%

Артикул

Название

Примечание

Количество

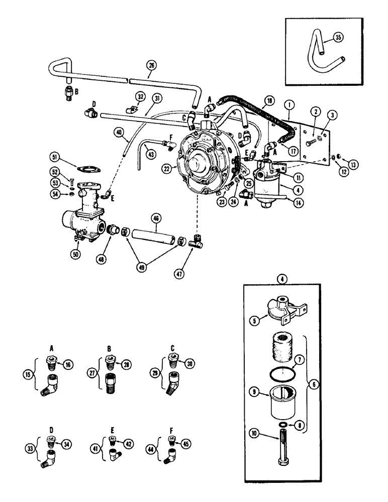
1

A32618

PLATE - filter & regulator mtg.

1шт.

2

13-614

BOLT,Hex, 3/8" - 16 x 7/8", Gr 5, Full Thd

Plate Hex, 3/8"-16 x 7/8", G5, Full Thd

4шт.

3

92-6

LOCK WASHER,3/8"

4шт.

4

A24535

FILTER

ASSY. - fuel Includes: Ref. 5 - 10

1шт.

5

A24536

COVER - filter

1шт.

6

A24616

KIT

ELEMENT ASSY. - filter, Includes Ref: 5 and 6

1шт.

7

A24539

GASKET

- cover

1шт.

8

A24538

GASKET

- bolt

1шт.

9

A24537

HOUSING - filter body

1шт.

10

A24541

BOLT -, Serial Range: body-cover

1шт.

11

13-514

BOLT,Hex, 5/16" - 18 x 7/8", Gr 5

Filter Hex, 5/16"-18 x 7/8", G5, Full Thd

2шт.

12

92-5

LOCK WASHER,5/16"

2шт.

13

9635082

NUT,5/16" - 18, Gr 5

- (5/16" N.C. hex.)

2шт.

14

A33188

TUBE - fuel, Serial Range: tank-filter

1шт.

15

222-437

ELBOW,90 Degree x 1/4" NPT x 9/16"-20

ASSY. - filter tubes (Ref. A) (90 deg.)

3шт.

16

222-504

TUBE NUT,9/16"-20

NUT - (for 3/8" O.D. tube)

1шт.

17

A33214

TUBE -, Serial Range: filter-regulator

1шт.

18

A27237

LOOM

TUBE - filter tube

1шт.

22

A32619

REGULATOR ASSY. - (See Figure 50)

1шт.

23

13-518

BOLT,Hex, 5/16" - 18 x 1-1/8", Gr 5

Regulator Hex, 5/16"-18 x 1 1/8", G5

3шт.

24

92-5

LOCK WASHER,5/16"

3шт.

25

9635082

NUT,5/16" - 18, Gr 5

- (5/16" N.C. hex.)

3шт.

26

A33216

TUBE - water, Serial Range: pump-regulator

1шт.

27

222-412

CONNECTOR ASSY. - (at water pump) (Ref. B), Includes Ref: 28

1шт.

28

222-506

TUBE NUT,11/16"-16

NUT - (for 1/2" O.D. tube)

1шт.

29

222-470

ELBOW ASSY. - (at reg.) (Ref. C) (45 deg.), Includes Ref: 30 45º x 3/8" NPT x 11/16"-16

1шт.

30

222-506

TUBE NUT,11/16"-16

NUT - (for 1/2" O.D. tube)

1шт.

31

A33215

TUBE - regulator to front hole in block (See Ref. 35 for tube used w/block heater)

1шт.

32

A26696

NO LONGER SERVICED

CLIP - water tube

1шт.

33

222-442

ELBOW ASSY. - (ref. D) (90 deg.), Includes Ref: 34 90º x 3/8" NPT x 11/16"-16

2шт.

34

222-506

TUBE NUT,11/16"-16

NUT - (for 1/2" O.D. tube)

1шт.

35

A57387

TUBE - regulator to rear hole in block (this tube required w/block heater)

1шт.

40

A33217

TUBE - idle

1шт.

41

222-432

ELBOW,90 Degree x 1/8" NPT x 7/16"-24

ASSY. - idle tube (Ref. E) (90 deg.), Includes Ref: 42

2шт.

42

222-502

TUBE NUT,7/16"-24

NUT - (for 1/4" O.D. tube)

1шт.

43

A33218

TUBE - balance

1шт.

44

222-434

ELBOW,90 Degree x 1/8" NPT x 1/2"-20

ASSY. - balance tube (Ref. F) (90 deg.), Includes Ref: 45

1шт.

45

222-503

TUBE NUT,1/2"-20

NUT - (for 5/16" O.D. tube)

1шт.

46

A21234

HOSE,0.75" ID x 3.50", SAE 20R4 Class SC

- Vapor 0.75" ID x 3.50", SAE 20R4 Class SC

1шт.

47

A9155

90 ELBOW

- vapor hose (at regulator)

1шт.

48

A11791

CONNECTOR - vapor hose (at carburetor)

1шт.

49

214-256

HOSE CLAMP,#20, 0.81" - 1.75", Type F Worm

CLAMP - vapor hose

2шт.

50

A57168

CARBURETOR ASSY. - w/economizer (See Figure 48) (1st used eng. ser. no. 2170189)

1шт.

50

A23851

X

CARBURETOR ASSY. - w/out economizer (See Figure 49A) (used prior to eng. ser. no. 2170189) (Order 1-A57168, 1-A57169, 1-222-51 & 1-222-41)

1шт.

51

A27776

GASKET

- carburetor

1шт.

52

13-624

BOLT,Hex, 3/8" - 16 x 1-1/2", Gr 5

- carburetor (3/8 x 1-1/2" N.C. hex,)

2шт.

53

92-6

LOCK WASHER,3/8"

2шт.

54

25-106

NUT,3/8"-16, G5

- (3/8" N.C. hex.)

2шт.

Выбрано товаров: 48