Запчасти Case IH 930-SERIES (060) - A33983 GENERATOR, ELECTRICAL ATTACHING PARTS (04) - ELECTRICAL SYSTEMS

Схема запчастей Case IH 930-SERIES - (060) - A33983 GENERATOR, ELECTRICAL ATTACHING PARTS (04) - ELECTRICAL SYSTEMS
19
6
26
29
5
5
6
14
3
18
25
8
12
28
7
2
15
29
22
16
1
17
23
24
16
30
29
30
17
13
4
27
FIT
1:1
100%

Артикул

Название

Примечание

Количество

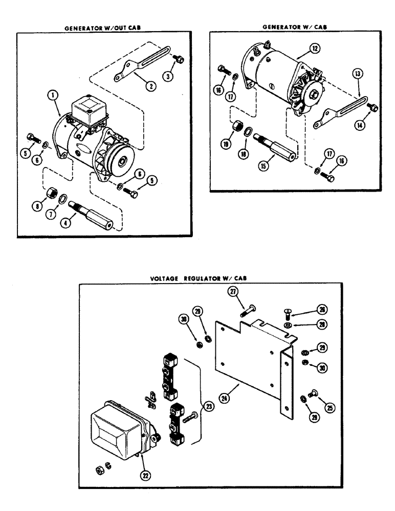
1

A33983

GENERATOR

GENERATOR ASSY. - (See Figure 70) (used w/out cab)

1шт.

1

104017A1R

REMAN-GENERATOR

Generator

1шт.

1

104017A1C

CORE-GENERATOR

Return Number

1шт.

2

A21538

STRAP

SPARE PART STRAP - generator adjusting

1шт.

3

193-514

SCREW,SEMS, Hex Hd, 5/16"-18 x 3/4"

BOLT - strap (5/16 x 3/4" N.C. sems)

1шт.

4

A34887

CARRIER

CARRIER - generator mounting (tapped for 2" bolt) (6-1/8" long) (1st used eng. ser. no. 2147398)

1шт.

4

A22685

X

CARRIER - generator mounting (tapped for 1" bolt) (6-1/8" long) (used prior to eng. ser. no. 21477398) (Order 1-A34887 & 2-114-233)

1шт.

5

25774R1

BOLT,Hex, 3/8" - 24 x 2", Gr 8

BOLT - carrier (3/8 x 2" N.F. hex.) (used w/A34877 carrier)

2шт.

5

14-616

BOLT,Hex, 3/8" - 24 x 1", Gr 5

BOLT - carrier (3/8 x 1" N.F. hex.) (used w/A22685 carrier)

2шт.

6

92-6

LOCK WASHER,3/8"

LOCK WASHER, 3/8"

2шт.

7

92-12

LOCK WASHER,3/4"

WASHER, LOCK, 3/4"

1шт.

8

25-1112

NUT,3/4"-16, G5

NUT - (3/4" N.F. hex.)

1шт.

12

A57751

SPARE PART GENERATOR ASSY. - (See Figure 71A) (used w/cab)

1шт.

13

A21538

STRAP

SPARE PART STRAP - generator adjusting, A57751

1шт.

14

193-514

SCREW,SEMS, Hex Hd, 5/16"-18 x 3/4"

BOLT - strap (5/16 x 3/4" N.C. sems), A57751 generator

1шт.

15

A57761

SPARE PART CARRIER - generator mounting (7-1/8" long), A57751

1шт.

16

25774R1

BOLT,Hex, 3/8" - 24 x 2", Gr 8

BOLT - carrier (3/8" x 2" N.F. hex.), A57751 generator

2шт.

17

92-6

LOCK WASHER,3/8"

LOCK WASHER, , A57751 generator 3/8"

2шт.

18

92-12

LOCK WASHER,3/4"

WASHER, LOCK, , A57751 generator 3/4"

1шт.

19

25-1112

NUT,3/4"-16, G5

NUT - (3/4" N.F. hex.), A57751 generator

1шт.

22

A57752

REGULATOR

REGULATOR ASSY. - voltage (used w/A57751 generator)

1шт.

23

D32596

MOUNTING PARTS

MOUNTING KIT - regulator shock absorber, A57752 voltage regulator

1шт.

24

A57765

SPARE PART PLATE - regulator mounting, A57752 voltage regulator

1шт.

25

175-405

SCREW,Phil Truss Hd, 1/2" - 20 x 1/2"

SCREW - plate, side (1/4 x 1/2" N.C., truss hd.), A57752 voltage regulator

2шт.

26

175-408

SCREW,Phil Truss Head, 1/4" - 20 x 3/4"

SCREW - plate, top (1/4 x 3/4" N.C., truss hd.), A57752 voltage regulator

2шт.

27

175-443

SPARE PART SCREW - voltage regulator to plate (1/4 x 1-1/4" N.C., truss hd.), A57752 voltage regulator

4шт.

28

195-517

WASHER,1/4"

WASHER - (17/64 x 5/8 x 3/64"), A57752 voltage regulator

2шт.

29

193-73

LOCK WASHER,Ext-Int Tooth, 1/4"

WASHER - (1/4" int./ext. skpf.), A57752 voltage regulator

12шт.

30

7770

NUT,Hex, 1/4 - 20, Cl 5

NUT, 1/4"-20, G5, A57752 voltage regulator

6шт.

Выбрано товаров: 29