Запчасти Case IH 930-SERIES (085C) - ADJUSTABLE FRONT AXLE, GENERAL PURPOSE MODELS, USED PRIOR TO TRACTOR SERIAL NUMBER 8300290 (06) - POWER TRAIN

Схема запчастей Case IH 930-SERIES - (085C) - ADJUSTABLE FRONT AXLE, GENERAL PURPOSE MODELS, USED PRIOR TO TRACTOR SERIAL NUMBER 8300290 (06) - POWER TRAIN
11
5
15
8
12
28
17
30
1
22
26
7
14
29
5
41
18
32
27
23
24
13
6
23
11
25
34
2
9
7
29
3
37
4
43
10
42
33
31
36
38
35
16
FIT
1:1
100%

Артикул

Название

Примечание

Количество

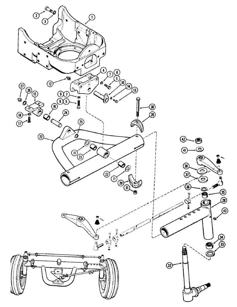
1

A34790

SUPPORT - front axle (1st used trac. ser. no. 8299844)

1шт.

1

A33919

SUPPORT - front axle (used prior to trac. ser. no. 8299844)

1шт.

2

13-1236

BOLT,Hex, 3/4" - 10 x 2-1/4", Gr 5

Support Hex, 3/4"-10 x 2 1/4", G5

4шт.

3

A34651

LOCK WASHER

- (3/4" ext. skpf.)

4шт.

4

A34329

PEDESTAL - axle, front (w/two 5/8" & two 3/4" holes) (1st used trac. ser. no. 8299844)

1шт.

4

A24630

PEDESTAL - axle, front (w/four 5/8" holes) (used prior to trac. ser. no. 8299844)

2шт.

5

13-1028

BOLT,Hex, 5/8" - 11 x 1-3/4", Gr 5, Full Thd

(Used w/A24630 pedestal) Hex, 5/8"-11 x 1 3/4", G5, Full Thd

4шт.

6

13-1028

BOLT,Hex, 5/8" - 11 x 1-3/4", Gr 5, Full Thd

(Used w/A34329 pedestal) Hex, 5/8"-11 x 1 3/4", G5, Full Thd

2шт.

7

92-10

LOCK WASHER,5/8"

WASHER, LOCK, 5/8"

1шт.

8

13-1240

BOLT,Hex, 3/4" - 10 x 2-1/2", Gr 5

(Used w/A34329 pedestal) Hex, 3/4"-10 x 2 1/2", G5

2шт.

9

92-12

LOCK WASHER,3/4"

WASHER, LOCK, 3/4"

2шт.

10

A24632

PIN

- pivot, front axle

1шт.

11

B18131

WASHER,32.16mm ID x 55.63mm OD x 3.17mm Thk

- thrust (1-17/64 x 2-3/16 x 1/8")

2шт.

12

219-36

LUBE NIPPLE,45 Degree Elbow, 1/8" - 27 NPTF

FITTING - grease (1/8" P.T., 45 deg.)

1шт.

13

13-612

BOLT,Hex, 3/8" - 16 x 3/4", Gr 5, Full Thd

Pivot pin Hex, 3/8"-16 x 3/4", G5, Full Thd

1шт.

14

92-6

LOCK WASHER,3/8"

1шт.

15

A24635

SUPPORT

ASSY. - axle, rear, Includes Ref: 15

1шт.

16

A24633

BUSHING,31.7mm ID x 38.18mm OD x 51.16mm L

- support (1-1/4 x 1-7/16 x 1-1/4")

1шт.

17

13-1028

BOLT,Hex, 5/8" - 11 x 1-3/4", Gr 5, Full Thd

Support Hex, 5/8"-11 x 1 3/4", G5, Full Thd

2шт.

18

92-10

LOCK WASHER,5/8"

WASHER, LOCK, 5/8"

2шт.

22

A24650

AXLE ASSY. - (48" to 73" tread) (33-1/2" axle)

1шт.

22

A24666

AXLE ASSY. - (53" to 82" tread) (38-1/2" axle), Includes Ref: 23 - 25

1шт.

23

A7841

BUSHING,31.75mm ID x 38.18mm OD x 38.35mm L

- pivot pin (1-1/4 x 1-1/2 x 1-1/2")

2шт.

24

A24649

PIN

- pivot, axle, rear

1шт.

25

F62020

SNAP RING,#125, Ext

Ring, Snap, , pivot pin #125, Ext

1шт.

26

F62020

SNAP RING,#125, Ext

Ring, Snap, , pivot pin #125, Ext

1шт.

27

219-55

LUBE NIPPLE,90 Degree Elbow, 1/8" - 27 NPTF

NIPPLE, LUBE, 90º, 1/8" NPT x .84" lg

1шт.

28

A34763

EXTENSION - axle (5 hole) (48" to 73" tread) (1st used trac. ser. no. 8292763) (w/1-3/8" wide stop)

2шт.

28

A24655

EXTENSION - axle (5 hole) (48" to 73" tread) (used prior to trac. S/N 8292763) (w/1" wide stop) (Order A34763)

2шт.

28

A34764

EXTENSION - axle (6 hole) (53" to 82" tread) (1st used trac. ser. no. 8292763) (w/1-3/8" wide stop)

2шт.

28

A24667

EXTENSION - axle (6 hole) (53" to 82" tread) (used prior to trac. S/N/ 8292763) (w/1" wide stop) (Order A34764)

2шт.

29

A34684

CLAMP

- axle (Replaces A24629)

4шт.

30

15-12128

BOLT,Hex, 3/4" - 10 x 8", Gr 5

- clamp (3/4 x 8" N.C hex.)

2шт.

31

25-1612

NUT,3/4"-10, G5, Hvy

- (3/4" N.C. hex.)

2шт.

32

A57441

STEERING KNUCKLE

SPINDLE - front axle (Replaces A24638)

2шт.

33

A27602

THRUST BEARING,2.041" ID x 2.9475" OD x 0.635"

BEARING - thrust, lower

2шт.

34

A28230

NEEDLE BEARING,Needle, 50.78mm ID x 60.34mm OD x 25.4mm W

BEARING - needle, lower (2 x 2-3/8 x 1")

2шт.

35

A7851

NEEDLE BEARING,Needle, 38.09mm ID x 47.64mm OD x 25.4mm W

BEARING - needle, upper (1-1/2 x 1-7/8 x 1")

2шт.

36

A27564

OIL SEAL

- oil, upper (1-1/2 x 1-7/8 x 3/16")

2шт.

37

A7849

GUARD

SHIELD - dust

2шт.

38

A24645

SHIM,.0149" Thk

King pin (#28 gauge) .0149" Thk

1шт.

38

A24643

SHIM,.0359" Thk

King pin (#20 gauge) .0359" Thk

1шт.

38

A24642

SHIM,.0598" Thk

King pin (#16 gauge) .0598" Thk

1шт.

38

A24639

SHIM,.1345" Thk

King pin (#10 gauge) .1345" Thk

1шт.

41

A35047

WASHER

- spindle nut (1-3/16 x 2-1/2 x 5/32")

2шт.

42

129-131

NUT,1 1/8"-12, G5

- spindle (1-1/8" N.F. hex.)

2шт.

43

219-1

LUBE NIPPLE,1/8" - 27 NPTF

FITTING - grease (1/8" P.T. str.)

2шт.

Выбрано товаров: 47