Запчасти Case IH 930-SERIES (088) - ADJUSTABLE FRONT AXLE, WESTERN MODELS, FIRST USED TRACTOR SERIAL NUMBER 8339078 (06) - POWER TRAIN

Схема запчастей Case IH 930-SERIES - (088) - ADJUSTABLE FRONT AXLE, WESTERN MODELS, FIRST USED TRACTOR SERIAL NUMBER 8339078 (06) - POWER TRAIN
10
13
3
17
18
26
14
31
38
28
32
20
40
39
16
36
13
7
34
21
8
34
33
15
30
27
1
8
29
27
9
37
6
11
12
19
2
5
35
4
FIT
1:1
100%

Артикул

Название

Примечание

Количество

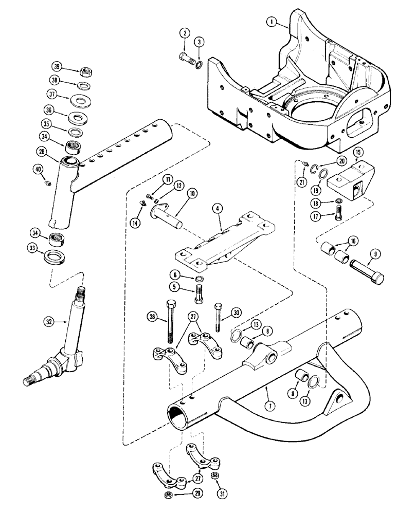
1

A34790

SUPPORT ASSY. - front axle

1шт.

2

13-1236

BOLT,Hex, 3/4" - 10 x 2-1/4", Gr 5

Support Hex, 3/4"-10 x 2 1/4", G5

4шт.

3

A34651

LOCK WASHER

- (3/4" ext. skpf.)

4шт.

4

A57326

PEDESTAL - front axle

1шт.

5

13-1236

BOLT,Hex, 3/4" - 10 x 2-1/4", Gr 5

Pedestal Hex, 3/4"-10 x 2 1/4", G5

4шт.

6

92-12

LOCK WASHER,3/4"

WASHER, LOCK, 3/4"

4шт.

7

A57521

AXLE ASSY. - front (40-1/2" wide), Includes Ref: 8 and 9

1шт.

8

A7841

BUSHING,31.75mm ID x 38.18mm OD x 38.35mm L

- pivot pin (1-1/4 x 1-1/2 x 1/2")

2шт.

9

A57514

PIN

- pivot, axle, front

1шт.

10

A34649

PIN

- pivot, axle, rear

1шт.

11

13-612

BOLT,Hex, 3/8" - 16 x 3/4", Gr 5, Full Thd

Pivot pin Hex, 3/8"-16 x 3/4", G5, Full Thd

1шт.

12

92-6

LOCK WASHER,3/8"

1шт.

13

B18131

WASHER,32.16mm ID x 55.63mm OD x 3.17mm Thk

- thrust (1-17/64 x 2-3/16 x 1/8")

2шт.

14

219-55

LUBE NIPPLE,90 Degree Elbow, 1/8" - 27 NPTF

NIPPLE, LUBE, 90º, 1/8" NPT x .84" lg

1шт.

15

A34646

SUPPORT ASSY. - front axle, Includes Ref: 26

1шт.

16

A7841

BUSHING,31.75mm ID x 38.18mm OD x 38.35mm L

- pivot pin (1-1/4 x 1-1/2 x 1/2")

2шт.

17

13-1240

BOLT,Hex, 3/4" - 10 x 2-1/2", Gr 5

Support Hex, 3/4"-10 x 2 1/2", G5

2шт.

18

92-12

LOCK WASHER,3/4"

WASHER, LOCK, 3/4"

2шт.

19

T33004

WASHER - pivot pin (1-17/64 x 1-3/4 x 12 Ga.)

1шт.

20

A31175

RING, SNAP

RING - snap, pivot pin ret.

1шт.

21

219-1

LUBE NIPPLE,1/8" - 27 NPTF

FITTING - grease (1/8" P.T., str.)

1шт.

26

A57316

EXTENSION - axle (22-3/32" with 9 holes)

2шт.

27

A34693

CLAMP - axle

8шт.

28

15-12112

BOLT (SPREADER),Hex, 3/4" - 10 x 7", Gr 5

BOLT - clamp (3/4 x 7" N.C. hex.)

4шт.

29

25-1612

NUT,3/4"-10, G5, Hvy

- (3/4" N.C. hex.)

4шт.

30

113-636

X

BOLT - clamp (5/8 x 4-1/2" N.C hex.)

8шт.

31

25-1610

NUT,5/8"-11, G5, Hvy

- (5/8" N.C. hex.)

8шт.

32

A57512

SPINDLE - right hand (king pin)

1шт.

32

A57513

SPINDLE - left hand (king pin)

1шт.

33

A27602

THRUST BEARING,2.041" ID x 2.9475" OD x 0.635"

BEARING - thrust (2 x 3 x 5/8")

2шт.

34

A28230

NEEDLE BEARING,Needle, 50.78mm ID x 60.34mm OD x 25.4mm W

BEARING - needle (2 x 2-3/8 x 1")

4шт.

35

A57273

OIL SEAL

- oil (2 x 2-3/8 x 3/16")

2шт.

36

A7849

GUARD

SHIELD - dust, spindle

2шт.

37

A24645

SHIM,.0149" Thk

Spindle (#28 gauge) .0149" Thk

1шт.

37

A24643

SHIM,.0359" Thk

Spindle (#20 gauge) .0359" Thk

1шт.

37

A24642

SHIM,.0598" Thk

Spindle (#16 gauge) .0598" Thk

1шт.

37

A24639

SHIM,.1345" Thk

Spindle (#10 gauge) .1345" Thk

1шт.

38

A35047

WASHER

- spindle nut (1-3/16 x 2-1/2 x 5/32")

2шт.

39

129-131

NUT,1 1/8"-12, G5

- spindle (1-1/8" N.F. hex.)

2шт.

40

219-1

LUBE NIPPLE,1/8" - 27 NPTF

FITTING - grease (1/8" P.T., str.)

2шт.

Выбрано товаров: 40