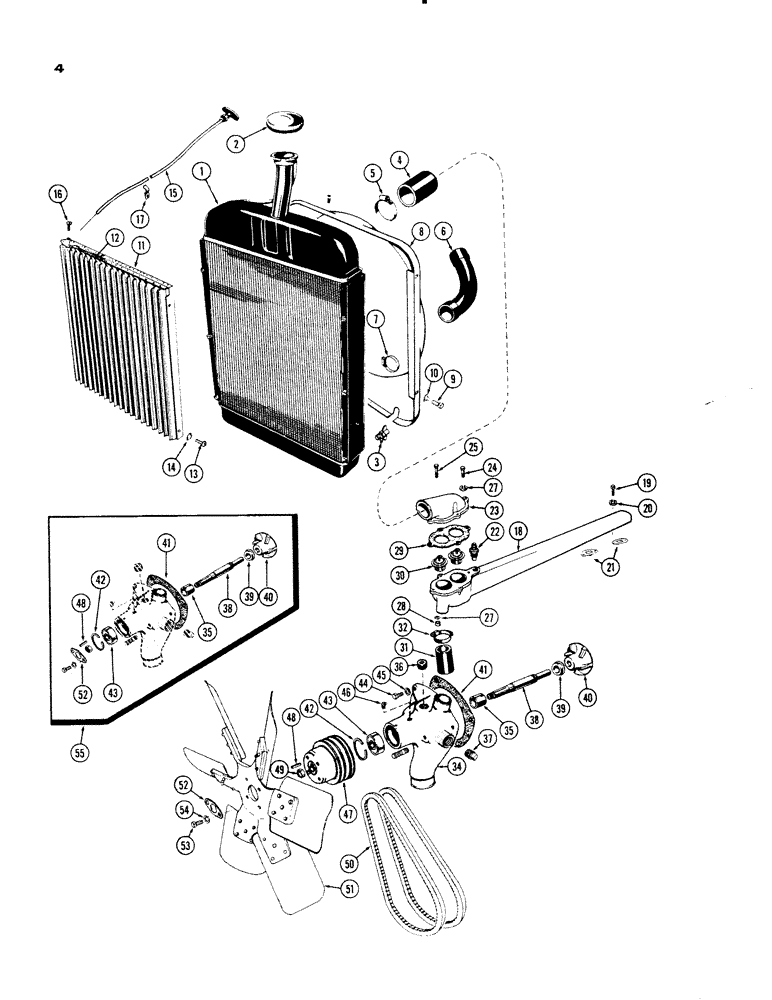
Запчасти Case IH 930-SERIES (004) - ENGINE COOLING SYSTEM (02) - ENGINE

Схема запчастей Case IH 930-SERIES - (004) - ENGINE COOLING SYSTEM (02) - ENGINE
23
36
17
19
18
35
3
47
52
2
22
8
44
6
43
27
48
54
40
42
9
53
41
38
30
12
27
1
43
42
52
31
46
29
15
32
51
37
35
28
39
38
50
49
20
48
24
16
39
41
7
14
21
34
4
55
5
10
25
45
41
11
13
FIT
1:1
100%

Артикул

Название

Примечание

Количество

1

A33459

RADIATOR

1шт.

2

A21389

CAP

- radiator

1шт.

3

A23655

VALVE

- drain, radiator

1шт.

4

A15395

RADIATOR HOSE,2.50" ID x 5.25" , SAE 20R2

2.50" ID x 5.25", SAE 20R2, Upper

1шт.

5

214-262

HOSE CLAMP,#44, 2.31" - 3.25", Type F Worm

CLAMP - hose

2шт.

6

A34079

HOSE ASSY.,2.03" ID, 2.28" ID x 6.10", SAE 20R4 CLASS D-1 OR D-2

RADIATOR HOSE, , Radiator to Water Pump 2.03" ID, 2.28" ID x 6.10", SAE 20R4 CLASS D-1 OR D-2

1шт.

7

214-262

HOSE CLAMP,#44, 2.31" - 3.25", Type F Worm

CLAMP - hose

2шт.

8

A20925

SHROUD - fan

1шт.

9

175-405

SCREW,Phil Truss Hd, 1/2" - 20 x 1/2"

- 1/4" x 1/2" Phillips hd.

4шт.

10

193-44

LOCK WASHER,Ext-Int Tooth, 1/4"

LOCKWASHER - 1/4" int.-ext. Shakeproof

4шт.

11

A21604

SHUTTER ASSY - radiator, Includes: Ref. 12

1шт.

12

A21612

SPRING - shutter

1шт.

13

175-427

SCREW - mach., 1/4" x 1/2 " rd.hd.

4шт.

14

193-73

LOCK WASHER,Ext-Int Tooth, 1/4"

LOCKWASHER - 1/4" int.-ext. Shakeproof

4шт.

15

A9251

CONTROL - shutter

1шт.

16

173-74

SCREW,Sl Rnd Hd, #8 - 32 x 5/16"

- mach., #8-32 x 5/16" rd.hd.

1шт.

17

A27337

CLIP

- control to valve cover

1шт.

18

A32610

MANIFOLD - water

1шт.

19

13-518

BOLT,Hex, 5/16" - 18 x 1-1/8", Gr 5

12шт.

20

92-5

LOCK WASHER,5/16"

12шт.

21

A27905

GASKET

- water, Serial Range: manifold-block

6шт.

22

A21462

SENDER UNIT

SENDER - water temperature

1шт.

23

A32611

HOUSING - thermostat

1шт.

24

13-618

BOLT,Hex, 3/8" - 16 x 1-1/8", Gr 5

1шт.

25

13-620

BOLT,Hex, 3/8" - 16 x 1-1/4", Gr 5, Full Thd

1шт.

25

13-624

BOLT,Hex, 3/8" - 16 x 1-1/2", Gr 5

- 3/8" x 1-1/2" N.C. hex.hd.

2шт.

27

92-6

LOCK WASHER,3/8"

4шт.

28

25-106

NUT,3/8"-16, G5

- 3/8" N.C. hex.

3шт.

29

A32612

GASKET

- thermostat housing

1шт.

30

G45788

THERMOSTAT

2шт.

31

A32613

HOSE

- by-pass

1шт.

32

217-258

CLAMP - hose

2шт.

A24809

PUMP

WATER PUMP - complete (Not illust.), Includes: Ref. 34 - 43

1шт.

34

A24992

THRUST WASHER

BODY, Includes: Ref. 35 - 37

1шт.

35

A27900

BUSHING

1шт.

Part of water pump repair kit P/N A24180

1шт.

36

221-1843

PLUG

- pipe, 3/8" hex.sckt.hd.

1шт.

37

221-1845

DRAIN PLUG,Hex Soc, 3/4"-14, NPTF

PLUG - pipe, 3/4" hex.sckt.hd.

1шт.

38

A23636

SHAFT

8 - 21/32"

1шт.

Part of water pump repair kit P/N A24180

1шт.

39

A24995

SEAL

1шт.

Part of water pump repair kit P/N A24180

1шт.

40

A26299

IMPELLER

1шт.

41

M1127885

STEM

-, Serial Range: pump-block

1шт.

Part of water pump repair kit P/N A24180

1шт.

42

A27150

RING

SNAP RING - bearing

1шт.

Part of water pump repair kit P/N A24180

1шт.

43

A27152

BALL BEARING,19.99mm ID x 52mm OD x 19mm W

BEARING - pump shaft

1шт.

Part of water pump repair kit P/N A24180

1шт.

44

13-620

BOLT,Hex, 3/8" - 16 x 1-1/4", Gr 5, Full Thd

3шт.

45

92-6

LOCK WASHER,3/8"

3шт.

46

219-54

LUBE NIPPLE,65 Degree Elbow, 1/8" - 27 NPTF

FITTING - 1/8" 67-1/2deg.

1шт.

47

A21460

PULLEY

- fan

1шт.

48

A21075

KEY

-, Serial Range: fan-shaft

1шт.

Part of water pump repair kit P/N A24180

1шт.

49

86637932

JAM NUT,Jam, 5/8"-18, G5

NUT - jam, 5/8" N.F.hex.

1шт.

50

A34820

SET OF BELTS

BELT, Fan drive (Set of 2) (Replaces A33679)

1шт.

51

A23106

HALF BLADE

FAN - engine

1шт.

52

A26707

LOCK

- shaft nut

1шт.

Part of water pump repair kit P/N A24180

1шт.

53

13-614

BOLT,Hex, 3/8" - 16 x 7/8", Gr 5, Full Thd

4шт.

54

92-6

LOCK WASHER,3/8"

4шт.

55

A24180

KIT

REPAIR KIT - water pump, Includes: Ref. 35, 38, 39, 41, 42, 43, 48 and 52.

1шт.

Выбрано товаров: 63