Запчасти Case IH 930-SERIES (030) - OIL FILTER, (377) SPARK IGNITION ENGINE (02) - ENGINE

Схема запчастей Case IH 930-SERIES - (030) - OIL FILTER, (377) SPARK IGNITION ENGINE (02) - ENGINE
45
11
47
44
37
17
21
34
3
35
33
16
14
19
5
43
39
25
18
7
2
1
42
23
20
29
9
4
46
27
30
8
13
6
41
31
10
32
26
22
12
24
38
40
25
36
FIT
1:1
100%

Артикул

Название

Примечание

Количество

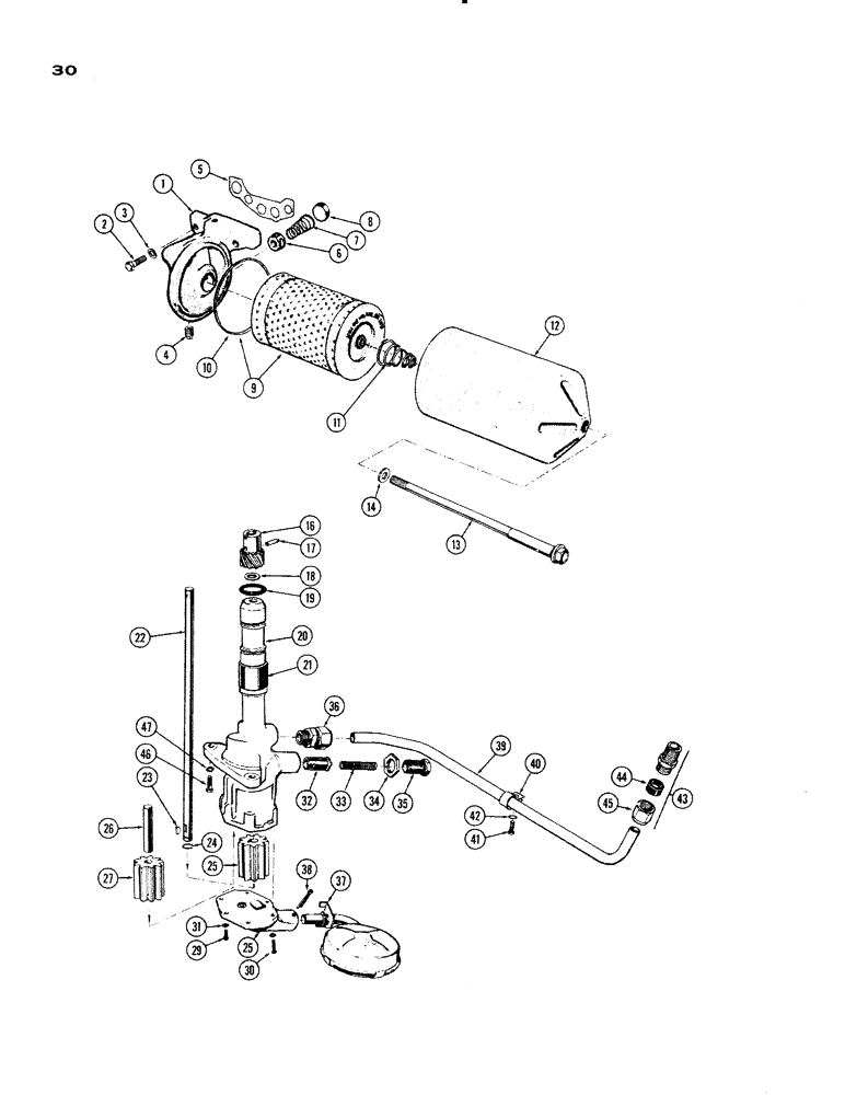
1

A23474

BASE

- oil filter

1шт.

2

13-824

BOLT,Hex, 1/2" - 13 x 1-1/2", Gr 5, Full Thd

Base Hex, 1/2"-13 x 1 1/2", G5, Full Thd

2шт.

3

92-8

LOCK WASHER,1/2"

2шт.

4

221-1843

PLUG

- base (3/8" P.T. sckt. hd.)

1шт.

5

A21084

GASKET

-, Serial Range: base-block

1шт.

6

A21090

VALVE

- relief

1шт.

7

A21091

VALVE SPRING

SPRING - relief valve

1шт.

8

41-1620

PLUG,Cup, 1 1/4", Stainless

- relief valve

1шт.

9

A20822

ENGINE OIL FILTER

ELEMENT - filter, Includes: Ref. 10

1шт.

10

A20429

GASKET

-, Serial Range: element-base

1шт.

11

A20427

VALVE SPRING

SPRING - element

1шт.

12

A20824

SHELL

- filter body

1шт.

13

A20825

PIPE

- stand

1шт.

14

A20426

GASKET

- pipe

1шт.

A33878

PUMP

ASSY. - oil, w/steel gear (See Ref. 15) (used w/A34173 camshaft), Includes: Ref. 15 - 36

1шт.

A33443

PUMP

ASSY. - oil, w/cast gear (See Ref. 16) (used w/A23492 camshaft), Includes: Ref. 15 - 36

1шт.

15

A33840

GEAR WHEEL

GEAR - pump drv. (Tin plated, steel) (used w/A34173 camshaft only), oil

1шт.

16

A26329

GEAR

- pump drv. (copper plated, cast) (used w/A23492 camshaft only), oil

1шт.

17

135-133

GROOVED PIN,3/16" x 1", Type A, Hardened

PIN, GROOVED, , Gear, oil pump 3/16" x 1", Type A, Hardened

1шт.

18

A27857

WASHER

- thrust, drive gear, oil pump

1шт.

19

A27355

O-RING,0.139" Thk x 1.17" ID, -217, Cl 5, 75 Duro

"O" RING - housing (1-3/16 x 1-7/16 x 1/8"), oil pump

1шт.

20

A21094

BODY

ASSY. - pump, oil, Includes: Ref. 21

1шт.

21

A21079

SLEEVE

- pump body, oil

1шт.

22

A21102

SHAFT

- pump drive, oil

1шт.

23

126-11

WOODRUFF KEY,#5, 1/8" x 5/8"

Driven gear, oil pump #5, 1/8" x 5/8"

1шт.

24

A10916

RING, SNAP

RING - snap, shaft ret., oil pump

1шт.

25

A27855

GEAR WHEEL

GEAR - driven, w/key way, oil pump

1шт.

26

A27854

SHAFT

- idler, oil pump

1шт.

27

A27856

GEAR WHEEL

GEAR - idler, w/out key way, oil pump

1шт.

28

A33442

COVER - pump body, oil

1шт.

29

75-412

SCREW,Rd, 1/4" x 3/4"

- cover (1/4" x 3/4" N.C. rd. hd.), oil pump

5шт.

30

75-424

SCREW

- cover (1/4" x 1-1/2" N.C. rd. hd.), oil pump

1шт.

31

92-4

LOCK WASHER,1/4"

WASHER, LOCK, , Oil pump 1/4"

6шт.

32

A22566

PLUNGER

- relief valve, oil pump

1шт.

33

A23598

VALVE SPRING

SPRING - relief valve, oil pump

1шт.

34

A27858

NUT

- relief valve adj. screw, oil pump

1шт.

35

A8902

ADJUSTMENT SCREW,7/8" x 1 5/8"

SCREW - adjusting, relief valve, oil pump, Includes: Ref. 36

1шт.

36

222-31

HYD CONNECTOR,1"-18 x 1/2" NPTF w/Nut

CONNECTOR - tube, (Includes: Ref. 44 and 45), oil pump

1шт.

37

A27476

FILTER SCREEN

SCREEN - float, oil pump

1шт.

38

132-32

COTTER PIN,3/32" x 1 1/2"

Pin, Split (Cotter), , Oil pump 3/32" x 1 1/2"

1шт.

39

A20735

TUBE

- pump to filter, oil

1шт.

40

A10852

CLIP - tube, oil pump

1шт.

41

A10072

BOLT,3/8" - 16 x 3/4"

- tube clip, oil pump

1шт.

42

193-30

LOCK WASHER,Int Tooth, 3/8"

WASHER, LOCK, , Oil pump Int Tooth, 3/8"

1шт.

43

222-31

HYD CONNECTOR,1"-18 x 1/2" NPTF w/Nut

CONNECTOR ASSY, oil pump, Includes: Ref. 44 and 45

1шт.

44

222-106

SLEEVE,5/8" Tube

- tube, 5/8" O.D., oil pump

1шт.

45

222-116

TUBE NUT,1"-18

NUT - tube, 5/8" O.D., oil pump

1шт.

46

13-620

BOLT,Hex, 3/8" - 16 x 1-1/4", Gr 5, Full Thd

Body, oil pump Hex, 3/8"-16 x 1 1/4", G5, Full Thd

2шт.

47

92-6

LOCK WASHER,3/8"

oil pump 3/8"

2шт.

Выбрано товаров: 0