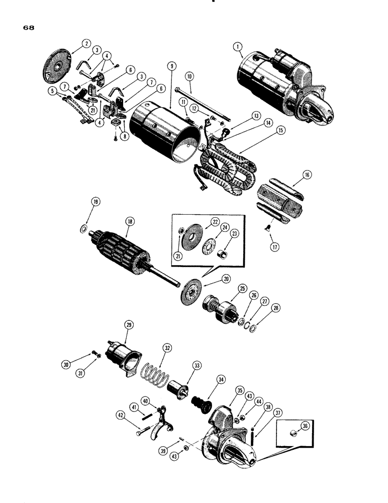
Запчасти Case IH 930-SERIES (068) - A57092 STARTER, (377) SPARK IGNITION ENGINE, FIRST USED TRACTOR SERIAL NUMBER 8314293 (04) - ELECTRICAL SYSTEMS

Схема запчастей Case IH 930-SERIES - (068) - A57092 STARTER, (377) SPARK IGNITION ENGINE, FIRST USED TRACTOR SERIAL NUMBER 8314293 (04) - ELECTRICAL SYSTEMS
43
6
35
7
32
31
5
21
43
6
8
18
30
22
10
21
15
9
24
29
20
2
39
4
11
36
34
25
16
7
14
27
33
12
41
42
44
17
23
40
3
28
19
38
26
37
6
13
4
1
FIT
1:1
100%

Артикул

Название

Примечание

Количество

1

A57092

X

STARTER ASSY. (Delco-Remy #1108340), Includes: Ref. 2 - 44

1шт.

2

A25302

FUNNEL

FRAME ASSY. - commutator end

1шт.

3

A25359

SPRING

- brush tension

2шт.

4

A25379

KIT

HOLDER KIT - brush, Includes: Ref. 5

2шт.

5

A25363

ELECTRICAL WIRE

LEAD - brush ground

2шт.

6

A40217

HOLDER

- brush, ground

1шт.

7

R15027

HOLDER

- brush, insulated

1шт.

8

A20893

BRUSH

4шт.

9

NSS

NOT SOLD SEPARAT

BODY - starter (Order A57092)

1шт.

10

A41342

BOLT

- thru

2шт.

11

NSS

NOT SOLD SEPARAT

BOLT -, Serial Range: connector-switch

1шт.

12

NSS

NOT SOLD SEPARAT

SCREW -, Serial Range: connector-coil

1шт.

13

NSS

NOT SOLD SEPARAT

GROMMET - connector insulator

1шт.

14

A25369

CONNECTOR - starter switch

1шт.

15

A41345

COIL ASSY.

- field

1шт.

16

A40747

SHOE - pole

4шт.

17

NSS

NOT SOLD SEPARAT

SCREW - pole shoes

4шт.

18

A41343

ARMATURE

1шт.

19

NSS

NOT SOLD SEPARAT

WASHER - brake, comm. end

1шт.

20

A25549

PLATE

ASSY. - center bearing, Includes: Ref. 21 - 24

1шт.

21

A25409

SEAL

SEAL - oil, ctr. brg.

1шт.

22

NSS

NOT SOLD SEPARAT

PLATE - ctr. brg.

1шт.

23

NSS

NOT SOLD SEPARAT

BUSHING - ctr. brg.

1шт.

24

NSS

NOT SOLD SEPARAT

GASKET - ctr. brg.

1шт.

25

A25337

X

DRIVE ASSY. - bendix

1шт.

26

R15049

COLLAR

- pinion stop

1шт.

27

R15048

RING

- snap, collar ret.

1шт.

28

A25385

WASHER

COLLAR - thrust, pinion

1шт.

29

G44891

SOLENOID

SWITCH ASSY. - solenoid

1шт.

30

NSS

NOT SOLD SEPARAT

BOLT - switch ret.

2шт.

31

NSS

NOT SOLD SEPARAT

WASHER - lock, switch ret. nut.

2шт.

32

A40221

SPRING

- solenoid plunger

1шт.

33

A40218

PLUNGER

- solenoid (Replaces A25395)

1шт.

34

A25410

BOOT

- solenoid plunger

1шт.

35

A41344

HOUSING ASSY. - drive end, Includes: Ref. 36 - 39

1шт.

36

A25387

BEARING

BUSHING - housing

1шт.

37

NSS

NOT SOLD SEPARAT

WICK - oil

1шт.

38

NSS

NOT SOLD SEPARAT

PLUG - oil wick hole

1шт.

39

NSS

NOT SOLD SEPARAT

PIN - housing locating

1шт.

40

A40220

LEVER

- shifter

1шт.

41

A25399

X

PIN -, Serial Range: lever-plunger

1шт.

42

A40520

BOLT

BOLT - lever pivot

1шт.

43

NSS

NOT SOLD SEPARAT

WASHER - ext. skpf., pivot bolt

2шт.

44

NSS

NOT SOLD SEPARAT

NUT - pivot bolt

1шт.

Выбрано товаров: 44