Запчасти Case IH 930-SERIES (072) - LIGHTING EQUIPMENT, STOP AND TAIL LAMP ATTACHMENT (04) - ELECTRICAL SYSTEMS

Схема запчастей Case IH 930-SERIES - (072) - LIGHTING EQUIPMENT, STOP AND TAIL LAMP ATTACHMENT (04) - ELECTRICAL SYSTEMS
12
15
30
31
23
26
11
9
22
25
5
8
6
24
7
13
14
16
2
1
16
9
20
10
3
15
21
4
FIT
1:1
100%

Артикул

Название

Примечание

Количество

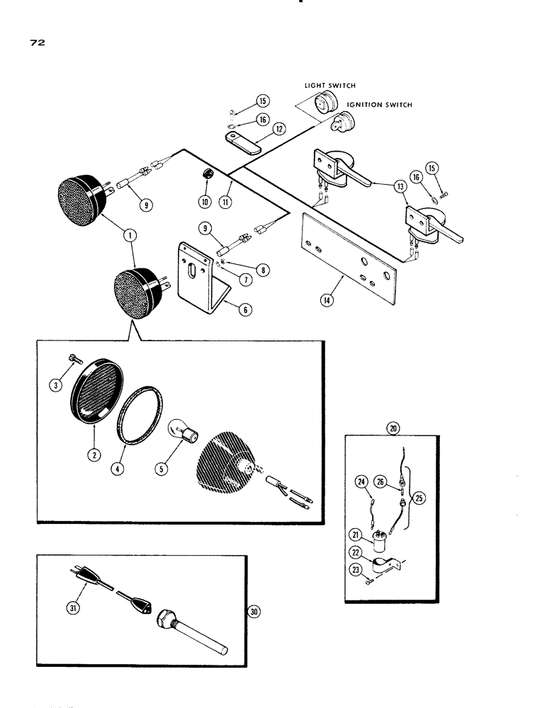
A34010

LAMP KIT - stop and tail lights, Includes: Ref. 1 - 16

1шт.

1

L10741

STOP LIGHT

LAMP ASSY. (Replaces A16732), Includes: Ref. 2 - 5

2шт.

2

B50336

LENS

- lamp

1шт.

3

187-553

SCREW,Slotted Pan Hd, #8 x 5/8"

- lens retaining

2шт.

4

A40862

GASKET -, Serial Range: lens-body

1шт.

5

R11078

LAMP

BULB - lamp

1шт.

6

A33972

BRACKET - lamp mounting

2шт.

7

192-19

LOCK WASHER,Helical Spring, 0.256" ID, CST, ZND

WASHER, LOCK, 1/4"

4шт.

8

7770

NUT,Hex, 1/4 - 20, Cl 5

1/4"-20, G5

4шт.

9

A16731

PLUG

WIRE ASSY - tail lamp plug

2шт.

10

A27338

GROMMET

- wires (in fenders)

2шт.

11

A33975

HARNESS

- wires

1шт.

12

A37179

CLIP

- harness ret. (to platforms)

2шт.

13

A33977

SWITCH

- stop light

2шт.

14

A34011

BRACKET

- switch mounting

2шт.

15

187-1126

SCREW - clip & sw. (#10 x 3/8" N.F. pan. hd.)

8шт.

16

193-70

LOCK WASHER,Ext-Int Tooth, #10

WASHER, LOCK, Ext-Int Tooth, #10

8шт.

20

A22630M

FLASHER ATTACHMENT, Includes: Ref. 21 - 26

1шт.

21

A22627

LIGHT, WARNING

FLASHER - warning, attachment

1шт.

22

A22626

BRACKET - flasher mounting, attachment

1шт.

23

173-212

SCREW,Sl Rnd Hd, #10 - 24 x 1/2"

- brkt. (#10 x 1/2" N.C. rd. hd.), flasher attachment

1шт.

24

A22628

WIRE - flasher to auxiliary socket, attachment

1шт.

25

A22629

WIRE ASSY - flasher to power, attachment, Includes: Ref. 26

1шт.

26

223-4

FUSE,4 Amp, Type 3AG

- flasher (4 amp), attachment

1шт.

30

A40476M

HEATER ASSY, block, Includes: Ref. 31

1шт.

BLOCK HEATERS USE (LONG) A44816 AND (SHORT) USE A44815

1шт.

31

A40477

ELECTRICAL WIRE

CORD - heater, block

1шт.

Выбрано товаров: 27