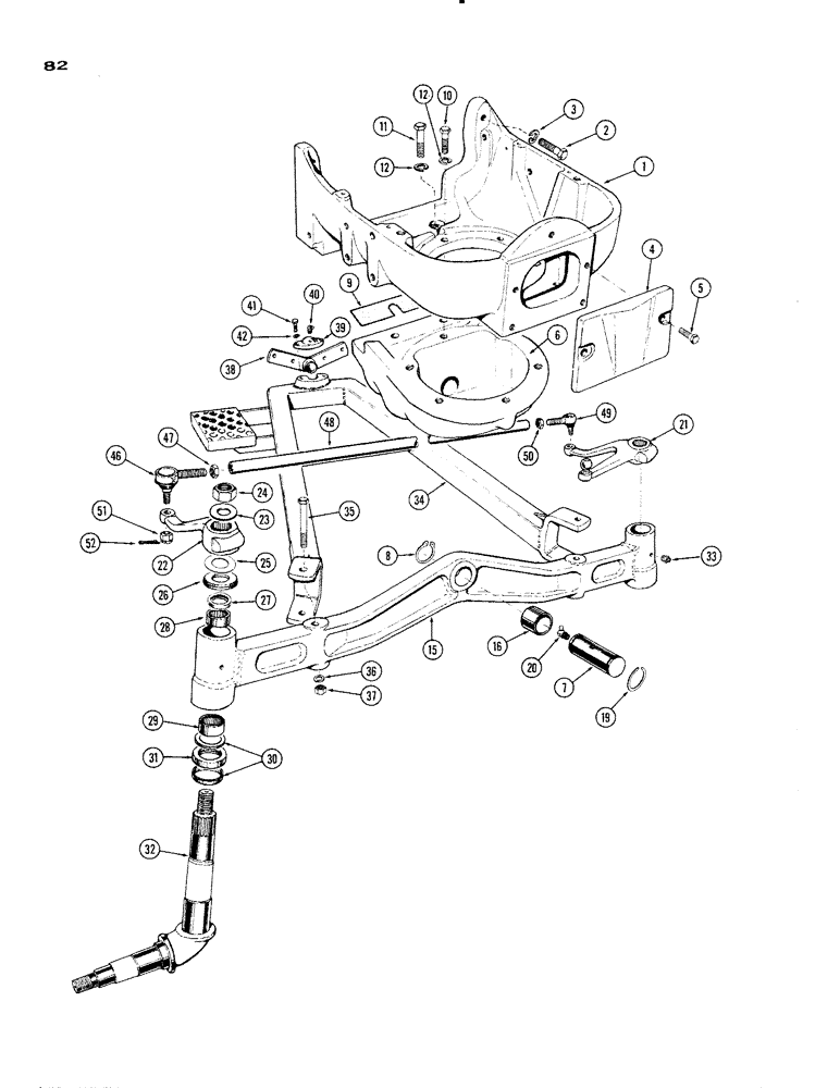
Запчасти Case IH 930-SERIES (082) - FRONT AXLE AND SUPPORTS, TIE RODS (06) - POWER TRAIN

Схема запчастей Case IH 930-SERIES - (082) - FRONT AXLE AND SUPPORTS, TIE RODS (06) - POWER TRAIN
23
27
12
52
19
48
39
11
42
41
40
4
49
21
29
10
6
25
36
22
37
33
51
2
46
7
32
9
47
16
20
5
3
50
1
34
24
15
38
8
30
31
12
35
28
26
FIT
1:1
100%

Артикул

Название

Примечание

Количество

1

A34790

SUPPORT - front axle and radiator (1st used trac. ser. no. 8299844)

1шт.

1

A33919

SUPPORT - front axle and radiator to trac., Serial Range: -8299844

1шт.

2

13-1236

BOLT,Hex, 3/4" - 10 x 2-1/4", Gr 5

Support Hex, 3/4"-10 x 2 1/4", G5

4шт.

3

A34651

LOCK WASHER

- (3/4" ext. skpf.)

4шт.

4

A22769

COVER - front axle support

1шт.

5

13-1012

BOLT,Hex, 5/8" - 11 x 3/4", Gr 5, Full Thd

Cover Hex, 5/8"-11 x 3/4", G5, Full Thd

2шт.

6

A22821

PEDESTAL ASSY. - front axle, Includes: Ref. 7 and 8

1шт.

7

A22823

PIN

- pivot, front axle

1шт.

8

A7610

RING, SNAP

RING - snap, pin ret., front (Truarc)

1шт.

9

A22798

SHIM - pedestal (.005")

1шт.

10

13-1028

BOLT,Hex, 5/8" - 11 x 1-3/4", Gr 5, Full Thd

Pedestal Hex, 5/8"-11 x 1 3/4", G5, Full Thd

4шт.

11

13-1032

BOLT,Hex, 5/8" - 11 x 2", Gr 5

2шт.

12

92-10

LOCK WASHER,5/8"

WASHER, LOCK, 5/8"

6шт.

15

A20928

AXLE ASSY. - front, Includes: Ref. 16

1шт.

16

A35002

BUSHING

- pivot pin (1-47/64 x 1-15/16 x 2")

1шт.

19

A7611

SNAP RING,#175, Ext

Ring, Snap, , pin, rear (closed type) #175, Ext

1шт.

20

219-55

LUBE NIPPLE,90 Degree Elbow, 1/8" - 27 NPTF

NIPPLE, LUBE, 90º, 1/8" NPT x .84" lg

1шт.

21

A24473

ARM - steering, left hand

1шт.

22

A24474

ARM - steering, right hand

1шт.

23

A35047

WASHER

- spindle nut (1-3/16 x 2-1/2 x 5/32")

2шт.

24

25-1918

SLOTTED NUT,1 1/8"-12, G5, Thk

NUT (1-1/8" N.F. hex., sltd.)

2шт.

25

A35861

SHIM,.0149" Thk

Spindle (1-49/64" x 3-1/4") .0149" Thk

1шт.

25

A35345

SHIM,.0359" Thk

Spindle (1-49/64" x 3-1/4") .0359" Thk

1шт.

25

A35346

SHIM,.0598" Thk

Spindle (1-49/64" x 3-1/4") .0598" Thk

1шт.

25

A35347

SHIM,.1345" Thk

Spindle (1-49/64" x 3-1/4") .1345" Thk

1шт.

26

A35344

SHIELD

- dust seal

2шт.

27

A27754

OIL SEAL

- oil (1-3/4 x 2-1/8 x 3/16")

2шт.

28

A28229

NEEDLE BEARING,Needle, 44.44mm ID x 53.99mm OD x 25.4mm W

BEARING - needle, upper (1-3/4 x 2-1/4 x 1")

2шт.

29

A28230

NEEDLE BEARING,Needle, 50.78mm ID x 60.34mm OD x 25.4mm W

BEARING - needle, lower (2 x 2-3/8 x 1")

2шт.

30

A36565

WASHER,51.2mm ID x 66.67mm OD x 6.35mm Thk

- thrust, spindle

4шт.

31

A27602

THRUST BEARING,2.041" ID x 2.9475" OD x 0.635"

BEARING - thrust

2шт.

32

A36535

SPINDLE - front wheel

2шт.

33

219-1

LUBE NIPPLE,1/8" - 27 NPTF

FITTING - grease (1/8" P.T. str.)

2шт.

34

A23722

ROD - radius

1шт.

35

A22949

BOLT - radius rod (5/8 x 6" N.C. hex.)

2шт.

36

92-10

LOCK WASHER,5/8"

WASHER, LOCK, 5/8"

2шт.

37

25-1110

NUT,5/8"-18, G5

(5/8" N.F. hex.)

2шт.

38

A11487

BALL - radius rod pivot

1шт.

39

A34158

CAP

- pivot ball socket (w/tapped holes)

1шт.

39

A22952

CAP

- pivot ball socket (w/plain holes) (Order 1-A34158 and 2-13-840)

1шт.

40

219-55

LUBE NIPPLE,90 Degree Elbow, 1/8" - 27 NPTF

NIPPLE, LUBE, 90º, 1/8" NPT x .84" lg

1шт.

41

13-840

BOLT,Hex, 1/2" - 13 x 2-1/2", Gr 5

- (1/2 x 2-1/2" N.C. hex.) (used w/A34158 cap)

2шт.

41

14-852

BOLT,Hex, 1/2" - 20 x 3-1/4", Gr 5

- (1/2 x 3-1/4" N.F. hex.) (used w/A22952 cap)

2шт.

42

92-8

LOCK WASHER,1/2"

2шт.

46

A28419

END ASSY.

END - tie rod, right hand

1шт.

47

A28079

NUT - lock (13/16" - 18 R.H. thread)

1шт.

48

A21336

TUBE - tie rod

1шт.

49

A28704

END

- tie rod, left hand

1шт.

50

A9877

NUT

- lock (1-13/16" - 18 L.H. thread)

1шт.

51

25-139

SLOTTED NUT,9/16"-18, G5

NUT - tie rod end ret. (9/16" - 18 hex. sltd.)

2шт.

52

132-97

COTTER PIN,3/16" x 1 3/4"

Pin, Split (Cotter), 3/16" x 1 3/4"

2шт.

Выбрано товаров: 51